电脑桌面
添加小米粒文库到电脑桌面
安装后可以在桌面快捷访问

路基路面验收标准

路基路面验收标准_第1页
1/3
路基路面验收标准_第2页
2/3
路基路面验收标准_第3页
3/3
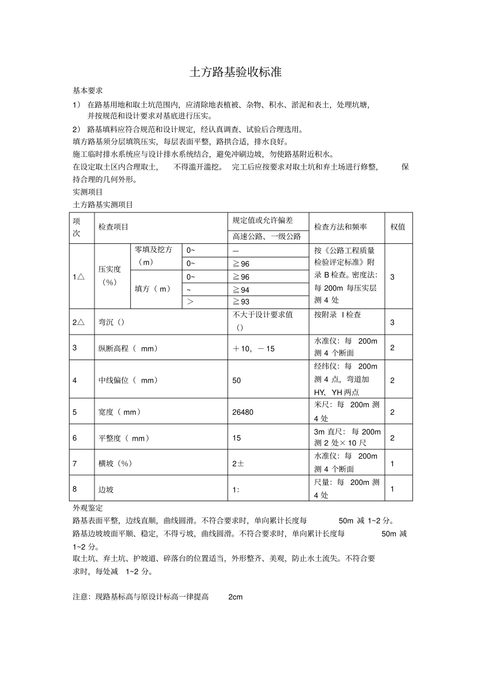
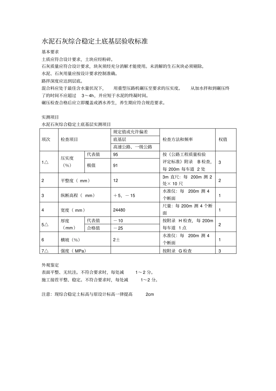
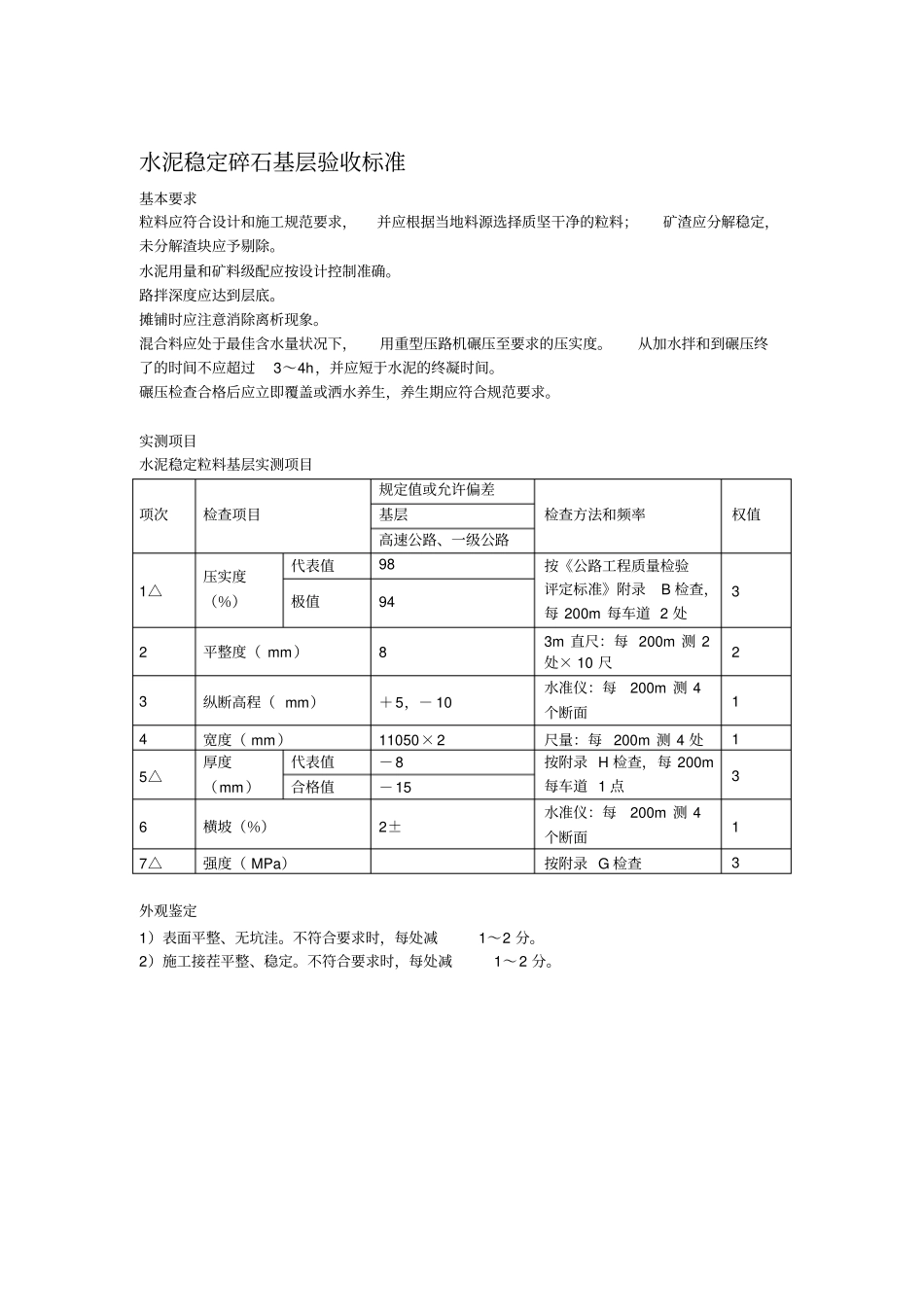
土方路基验收标准基本要求1) 在路基用地和取土坑范围内,应清除地表植被、杂物、积水、淤泥和表土,处理坑塘,并按规范和设计要求对基底进行压实。2) 路基填料应符合规范和设计规定,经认真调查、试验后合理选用。填方路基须分层填筑压实,每层表面平整,路拱合适,排水良好。施工临时排水系统应与设计排水系统结合,避免冲刷边坡,勿使路基附近积水。在设定取土区内合理取土,不得滥开滥挖。 完工后应按要求对取土坑和弃土场进行修整,保持合理的几何外形。实测项目土方路基实测项目项次检查项目规定值或允许偏差检查方法和频率权值高速公路、一级公路1△压实度(%)零填及挖方(m)0~ —按《公路工程质量检验评定标准》附录 B 检查。密度法:每 200m 每压实层测 4 处3 0~ ≧96 填方( m)0~ ≧96 ~ ≧94 >≧93 2△弯沉()不大于设计要求值()按附录 I 检查3 3 纵断高程( mm)+10,- 15 水准仪:每200m测 4 个断面2 4 中线偏位( mm)50经纬仪:每200m测 4 点,弯道加HY、YH 两点2 5 宽度( mm)26480 米尺:每 200m 测4 处2 6 平整度( mm)15 3m 直尺: 每 200m测 2 处× 10 尺2 7 横坡(%)2± 水准仪:每200m测 4 个断面1 8 边坡1:尺量:每 200m 测4 处1 外观鉴定路基表面平整,边线直顺,曲线圆滑。不符合要求时,单向累计长度每50m 减 1~2 分。路基边坡坡面平顺、稳定,不得亏坡,曲线圆滑。不符合要求时,单向累计长度每50m 减1~2 分。取土坑、弃土坑、护坡道、碎落台的位置适当,外形整齐、美观,防止水土流失。不符合要求时,每处减1~2 分。注意:现路基标高与原设计标高一律提高2cm 水泥石灰综合稳定土底基层验收标准基本要求土质应符合设计要求,土块应经粉碎。石灰质量应符合设计要求,块灰须经充分消解才能使用。未消解的生石灰块必须剔除。水泥、石灰用量应按设计要求控制准确。路拌深度应达到层底。混合料应处于最佳含水量状况下,用重型压路机碾压至要求的压实度。从加水拌和到碾压终了的时间不应超过3~4h,并应短于水泥的终凝时间。碾压检查合格后应立即覆盖或洒水养生,养生期应符合规范要求。实测项目水泥石灰综合稳定土底基层实测项目项次检查项目规定值或允许偏差检查方法和频率权值底基层高速公路、一级公路1△压实度(%)代表值95 按《公路工程质量检验评定标准》附录B 检查,每 200m 每车道 2 处3 极值91 2 平整度( mm)...

1、当您付费下载文档后,您只拥有了使用权限,并不意味着购买了版权,文档只能用于自身使用,不得用于其他商业用途(如 [转卖]进行直接盈利或[编辑后售卖]进行间接盈利)。
2、本站所有内容均由合作方或网友上传,本站不对文档的完整性、权威性及其观点立场正确性做任何保证或承诺!文档内容仅供研究参考,付费前请自行鉴别。
3、如文档内容存在违规,或者侵犯商业秘密、侵犯著作权等,请点击“违规举报”。

碎片内容

路基路面验收标准

您可能关注的文档

确认删除?
VIP
微信客服
  • 扫码咨询
会员Q群
  • 会员专属群点击这里加入QQ群
客服邮箱
回到顶部