电脑桌面
添加小米粒文库到电脑桌面
安装后可以在桌面快捷访问

最新电缆载流量表(有目录)

最新电缆载流量表(有目录)_第1页
1/21
最新电缆载流量表(有目录)_第2页
2/21
最新电缆载流量表(有目录)_第3页
3/21
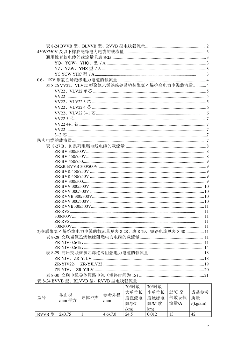
1 300V/1000V 电缆载流量 300V/1000V 电缆载流量本资料选自《电气工程》常用数据速查手册。 1)、8.3 导线载流量。 450V/750V 及以上橡胶绝缘、塑料绝缘电线的载流量。BVVB 型、BLVVB型、RVVB 型电线载流量见表8-24。 (2)、450V/750V 及以下橡胶绝缘电力电缆的载流量。 通用橡套软电缆的载流量见表8-25。 (3)、0.6/1KV 聚氯乙烯绝缘电力电缆的载流量。 0.6/1KV 聚氯乙烯绝缘钢带铠装聚氯乙烯护套电力电缆载流量见表8-26。 (4)防火电缆的载流量。 1、阻燃电缆的载流量。1)B、R 系列阻燃电线、电缆的载流量见表8-27。 2)交联聚氯乙烯绝缘阻燃电力电缆的载流量见表8-28、表8-29,短路电流见表8-30。 3)聚氯乙烯绝缘阻燃电力电缆的载流量见表8-31。 (5) 耐火电缆的载流量。 1)聚氯乙烯绝缘耐火电缆的载流量见表8-32。 2)BV-105 型耐热聚氯乙烯绝缘铜芯电线的载流量见表8-33。 3)BTTQ、BTTVQ 系列耐火电缆技术数据见表8-34。 4)BTTZ、BTTVZ 系列耐火电缆技术数据见表8-35。 5)NH-YYJV 系列耐火电力电缆技术数据见表8-36——8-38。 (6)表8-39。聚氯乙烯绝缘低烟低卤阻燃电力电缆的载流量。 (7)表8-40。交联聚氯乙烯绝缘低烟无卤阻燃电力电缆的载流量。 2 表8-24 BVVB 型、BLVVB 型、RVVB 型电线载流量 ........................................................ 2 450V/750V 及以下橡胶绝缘电力电缆的载流量 ........................................................................... 3 通用橡套软电缆的载流量见表8 -2 5 ...................................................................................... 3 YQ、YQW、YHQ、型 / A ............................................................................................ 3 YZ、YZW、YHZ 型 / A ................................................................................................ 3 YC YCW YHC 型 / A ...................................................................................................... 3 0.6、1KV 聚氯乙烯绝缘电力电缆的载流量 ................................................................................. 4 表8.26 VV22、VLV22 型聚氯乙烯绝缘钢带铠装聚氯乙烯护套电力电缆载流量。 ........ 4 VV22、VLV22 单芯...

1、当您付费下载文档后,您只拥有了使用权限,并不意味着购买了版权,文档只能用于自身使用,不得用于其他商业用途(如 [转卖]进行直接盈利或[编辑后售卖]进行间接盈利)。
2、本站所有内容均由合作方或网友上传,本站不对文档的完整性、权威性及其观点立场正确性做任何保证或承诺!文档内容仅供研究参考,付费前请自行鉴别。
3、如文档内容存在违规,或者侵犯商业秘密、侵犯著作权等,请点击“违规举报”。

碎片内容

最新电缆载流量表(有目录)

您可能关注的文档

小辰7+ 关注
实名认证
内容提供者

出售各种资料和文档

确认删除?
VIP
微信客服
  • 扫码咨询
会员Q群
  • 会员专属群点击这里加入QQ群
客服邮箱
回到顶部