电脑桌面
添加小米粒文库到电脑桌面
安装后可以在桌面快捷访问

月度质量成本分析报告

月度质量成本分析报告_第1页
1/8
月度质量成本分析报告_第2页
2/8
月度质量成本分析报告_第3页
3/8
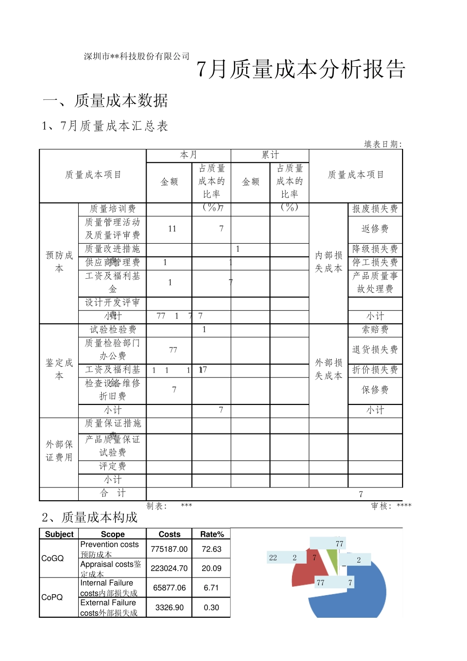
金 额占 质 量成 本 的比 率( % )金 额占 质 量成 本 的比 率( % )质 量 培 训 费505864.74%报 废 损 失 费质 量 管 理 活 动及 质 量 评 审 费51145 4.79%返 修 费质 量 改 进 措 施费63200059.21%降 级 损 失 费供 应 商 管 理 费1500.01%停 工 损 失 费工 资 及 福 利 基金413063.87%产 品 质 量 事故 处 理 费设 计 开 发 评 审费00.00%小 计775187 72.63%小 计试 验 检 验 费3696.130.35%索 赔 费质 量 检 验 部 门办 公 费977.5 0.09%退 货 损 失 费工 资 及 福 利 基金191621.1817.95%折 价 损 失 费检 查 设 备 维 修折 旧 费26729.892.50%保 修 费小 计223024.720.90%0小 计质 量 保 证 措 施费00.00%产 品 质 量 保 证试 验 费00.00%评 定 费00.00%小 计00.00%合 计Su bjectScopeCostsRate%Prevention costs预防成本775187.0072.63Appraisal costs鉴定成本223024.7020.09Internal Failurecosts内部损失成65877.066.71External Failurecosts外部损失成3326.900.307月质量成本分析报告一、质量成本数据质 量 成 本 项 目质 量 成 本 项 目内 部 损失 成 本外 部 损失 成 本预 防 成本鉴 定 成本外 部 保证 费 用CoGQCoPQ1067315.66 制 表 : *** 审 核 : ****2、质量成本构成深圳市**科技股份有限公司1、 7月 质 量 成 本 汇 总 表填 表 日 期 : 本 月累 计775187.00223024.7065877.063326.901067315.66100.00ScopeCostsRate%报废损失5 0 7 8 6 .677.00返修费(翻箱)2 1 9 6 .3 63.00降级损失00.00停工损失1 2 8 9 4 .120.0065877.06 100.00项目 构成百分比项目构成百分比Prev ention costs预防成本72.63Prev ention costs预防成本32.98质管部与理想比率的差距特别大,主要体现在预防成本过高,由于63万设备采购费的计入,使非常规费用影响了整个数据比例。因这个0.00报废损失二、对7月质量成本的分析退换货损失费为3226.9元,主要为问题产品的换货费用折算。数据失真,有部分数据无法完成统计翻箱费用本应为本月最高,因供方与物流车队承例最高,达到77%。停工为正常并有预估的损失。报废损失具体情况如下:内部损失成本产品质量事故处置费05—107月内部损失合计注:报废损失不包含中试产品4、外部损失构成1、...

1、当您付费下载文档后,您只拥有了使用权限,并不意味着购买了版权,文档只能用于自身使用,不得用于其他商业用途(如 [转卖]进行直接盈利或[编辑后售卖]进行间接盈利)。
2、本站所有内容均由合作方或网友上传,本站不对文档的完整性、权威性及其观点立场正确性做任何保证或承诺!文档内容仅供研究参考,付费前请自行鉴别。
3、如文档内容存在违规,或者侵犯商业秘密、侵犯著作权等,请点击“违规举报”。

碎片内容

月度质量成本分析报告

您可能关注的文档

小辰6+ 关注
实名认证
内容提供者

出售各种资料和文档

确认删除?
VIP
微信客服
  • 扫码咨询
会员Q群
  • 会员专属群点击这里加入QQ群
客服邮箱
回到顶部