电脑桌面
添加小米粒文库到电脑桌面
安装后可以在桌面快捷访问

10米深基坑桩锚支护施工方案

10米深基坑桩锚支护施工方案_第1页
1/6
10米深基坑桩锚支护施工方案_第2页
2/6
10米深基坑桩锚支护施工方案_第3页
3/6
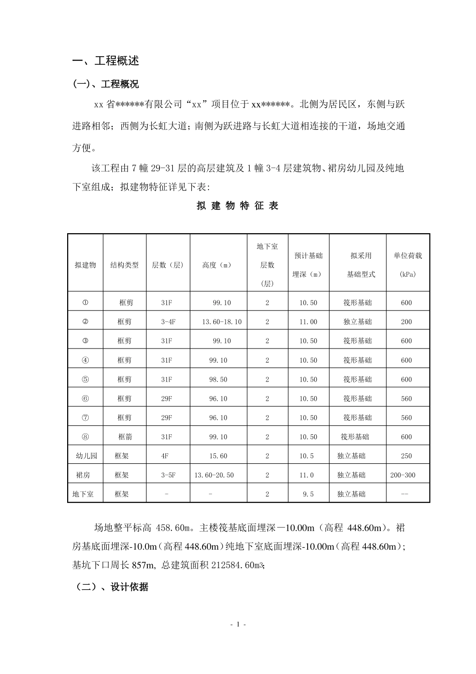
一、工程概述(一)、工程概况xx 省******有限公司“xx”项目位于 xx******。北侧为居民区,东侧与跃进路相邻;西侧为长虹大道;南侧为跃进路与长虹大道相连接的干道,场地交通方便。该工程由 7 幢 29-31 层的高层建筑及 1 幢 3-4 层建筑物、裙房幼儿园及纯地下室组成;拟建物特征详见下表:拟 建 物 特 征 表地下室预计基础拟建物结构类型层数(层)高度(m)层数埋深(m)(层)④⑤⑥⑦⑧框剪框剪框剪框剪框剪框剪框剪框箭31F3-4F31F31F31F29F29F31F4F3-5F- 99.10 13.60-18.10 99.1099.1098.5096.1096.1099.1015.6013.60-20.50-2222222222210.5011.0010.5010.5010.5010.5010.5010.5010.511.09.5筏形基础独立基础筏形基础筏形基础筏形基础筏形基础筏形基础筏形基础独立基础独立基础独立基础600200600600600560560600250200-300--基础型式(kPa)拟采用单位荷载幼儿园框架裙房地下室框架框架场地整平标高 458.60m。主楼筏基底面埋深—10.00m(高程 448.60m)。裙房基底面埋深-10.0m(高程 448.60m)纯地下室底面埋深-10.00m(高程 448.60m);基坑下口周长 857m, 总建筑面积 212584.60m3;(二)、设计依据- 1 -1、《xx省******岩土工程详勘报告》;2、《地下室基础总平面图》、周边建筑物的地基和主体资料要求;3、《建筑物总平面图》;4、《建筑基坑支护技术规程》(JGJ120-99);5、《建筑基坑工程技术规范》(YB9258-97);6、《岩土锚杆(锚索)技术规程》(CECS 22:2005); 7、《建筑与市政降水工程技术规范》(JGJ/T111-98);8、《供水管井技术规范》(GB50296-99);9、《混凝土结构设计规范》(GB50010-2002);10、《钢筋焊接及验收规程》(JGJ18-96);11、《混凝土结构工程施工质量验收规范》(GB50204-2002).(三)、场地条件1、地形地貌及周边环境场地地貌上属涪江堆积阶地,由于后期人类活动频繁,场地四周均有建(构)筑物,场地为拆迁地,地形平坦,已施工钻孔标高 458.09m~459.31m,相对高差 1.22m。邻近建筑物情况:设计基坑北侧为居民区,与拟施工的护壁桩距离7.00—11.00m;西侧与长虹大道相邻;东侧为跃进路(百号楼为保留建筑,距离3.00——7.00m);南侧为跃进路与长虹大道相连接的干道,距离5.00m。建筑物均为砖混结构,采用浅基础,基础埋深 2-3m。四周管线情况:据建设方初步调查,基坑周围有其他地下管线分布。本基坑工程具体实施时建设方需提供基坑周边2H 范围内地下详细资料信息:通讯电...

1、当您付费下载文档后,您只拥有了使用权限,并不意味着购买了版权,文档只能用于自身使用,不得用于其他商业用途(如 [转卖]进行直接盈利或[编辑后售卖]进行间接盈利)。
2、本站所有内容均由合作方或网友上传,本站不对文档的完整性、权威性及其观点立场正确性做任何保证或承诺!文档内容仅供研究参考,付费前请自行鉴别。
3、如文档内容存在违规,或者侵犯商业秘密、侵犯著作权等,请点击“违规举报”。

碎片内容

10米深基坑桩锚支护施工方案

文库当当响+ 关注
实名认证
内容提供者

该用户很懒,什么也没介绍

确认删除?
VIP
微信客服
  • 扫码咨询
会员Q群
  • 会员专属群点击这里加入QQ群
客服邮箱
回到顶部