电脑桌面
添加小米粒文库到电脑桌面
安装后可以在桌面快捷访问

RKD514L-C东方步进电动机驱动器原理跟检修

RKD514L-C东方步进电动机驱动器原理跟检修_第1页
1/15
RKD514L-C东方步进电动机驱动器原理跟检修_第2页
2/15
RKD514L-C东方步进电动机驱动器原理跟检修_第3页
3/15
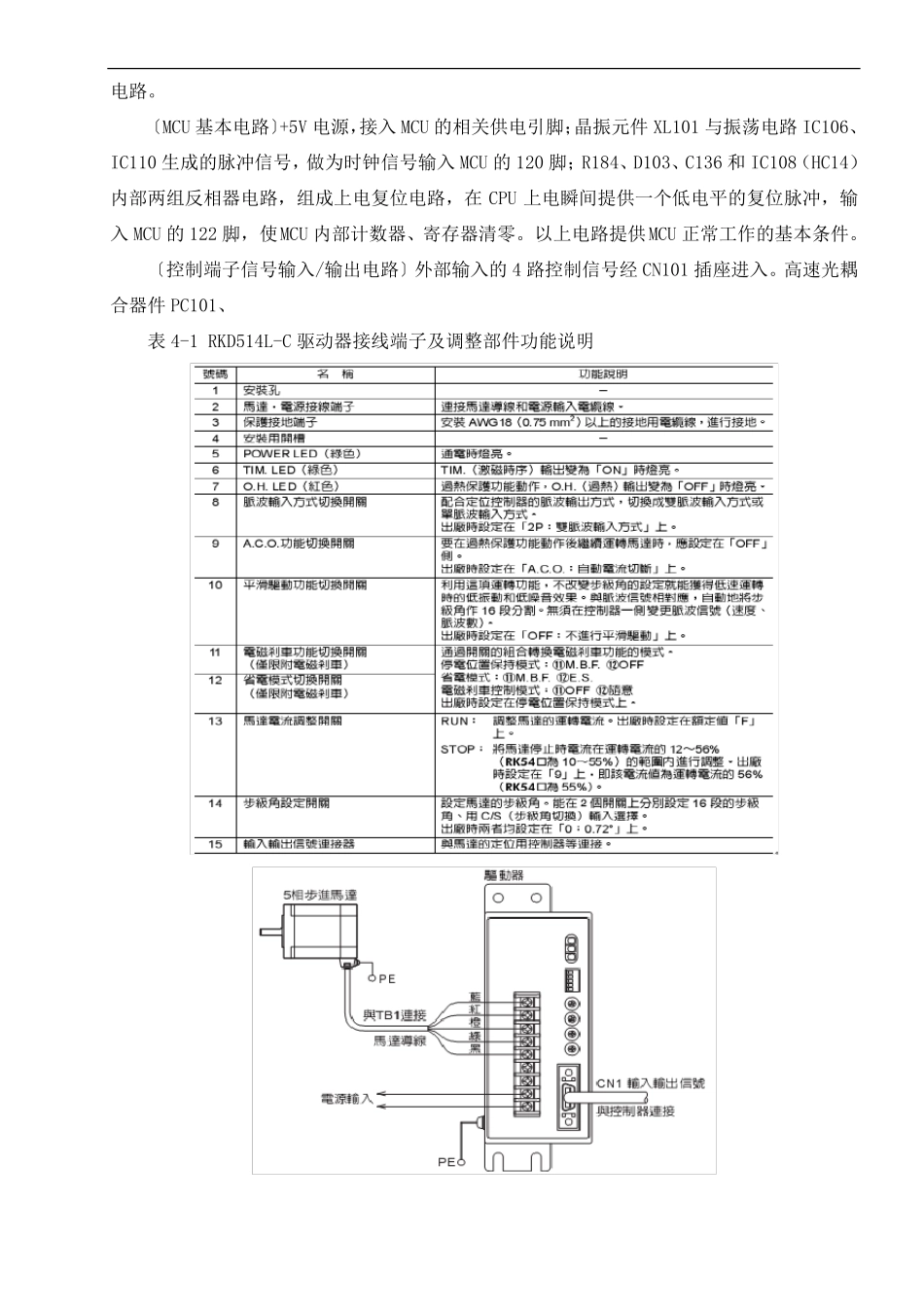
RKD514L-C 东方步进电动机驱动器原理与检修RKD514L-C 东方步进电动机驱动器(以下简称 RKD514L-C 驱动器),可驱动五相步进电动机,电源电压 AC200~230V,输出电流 3.5A(可调),输出电压约 150V。设备端子及调整部件功能、控制端子、主端子接线等见以下图表。1、RKD514L-C 驱动器端子、调整部件功能、端子接线图 1 RKD514L-C 驱动器接线端子及调整部件图RKD514L-C 驱动器接线端子及调整部件功能说明(见表 4-1)上述(图 1、图 2、图 3)图表(表 4-1),是在检修设备之前,要尽量掌握的相关“知识储备”,如控制端子功能和相关调整部件的作用,则是检修中必须要掌握的,检修内容将与之发生紧密的关联。输出状态取决于部件的设置与调整,有时人为的调错,会使机器产生“故障”,检修人员应该区分故障的真假,可以通过调试手段,将一些“伪故障”排除掉。2、MCU 主板电路之一如图 4 所示电路,包含了 MCU 基本工作电路、控制端子信号输入/输出电路和功能整定电路。〔MCU 基本电路〕+5V 电源,接入 MCU 的相关供电引脚;晶振元件 XL101 与振荡电路 IC106、IC110 生成的脉冲信号,做为时钟信号输入 MCU 的 120 脚;R184、D103、C136 和 IC108(HC14)内部两组反相器电路,组成上电复位电路,在 CPU 上电瞬间提供一个低电平的复位脉冲,输入 MCU 的 122 脚,使MCU 内部计数器、寄存器清零。以上电路提供MCU 正常工作的基本条件。〔控制端子信号输入/输出电路〕外部输入的 4 路控制信号经 CN101 插座进入。高速光耦合器件 PC101、表 4-1 RKD514L-C 驱动器接线端子及调整部件功能说明图 2RKD514L-C 驱动器电源、步进电动机接线图PC102(TLP750)承担着对转速(脉冲)信号和正/反转控制信号的传输任务,输出信号再经两级反相器电路,输入至 MCU 的 7、8 脚。这是两路基本控制信号;另两路控制信号经光耦合器 PC103、PC104(P781)进行隔离传输,其中一路控制信号为调机信号 ON/OFF 指令,确定停车时马达处于直流刹车还是自由停车状态,两路信号输入至 MCU 的 5、6 脚。步进电动机驱动器的逆变功率输出电路,设有温度检测电路,其输出的温度检测信号进入 MCU,达到热保护电平阈值时,MCU 从 1 脚输出过热故障信号,控制晶体管 Q101 导通,进而驱动光耦器 PC107,向外部控制电路送出故障报警信号。MCU 的 40、42、43 等 3 脚,同时输出电源、过热、激磁中等工作状态信号,...

1、当您付费下载文档后,您只拥有了使用权限,并不意味着购买了版权,文档只能用于自身使用,不得用于其他商业用途(如 [转卖]进行直接盈利或[编辑后售卖]进行间接盈利)。
2、本站所有内容均由合作方或网友上传,本站不对文档的完整性、权威性及其观点立场正确性做任何保证或承诺!文档内容仅供研究参考,付费前请自行鉴别。
3、如文档内容存在违规,或者侵犯商业秘密、侵犯著作权等,请点击“违规举报”。

碎片内容

RKD514L-C东方步进电动机驱动器原理跟检修

确认删除?
VIP
微信客服
  • 扫码咨询
会员Q群
  • 会员专属群点击这里加入QQ群
客服邮箱
回到顶部