电脑桌面
添加小米粒文库到电脑桌面
安装后可以在桌面快捷访问

园林绿化工程隐蔽工程验收记录表

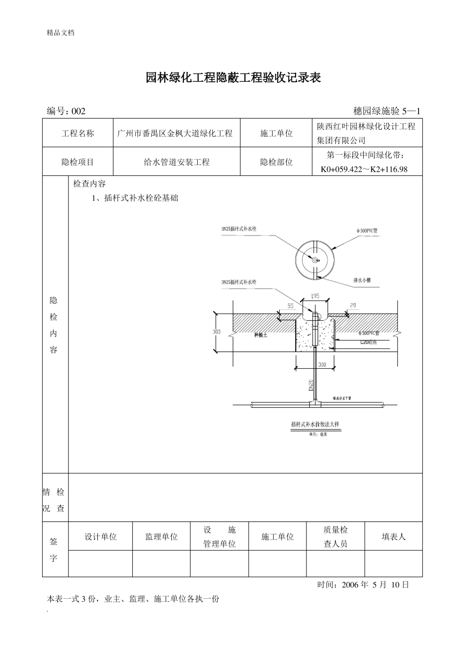
园林绿化工程隐蔽工程验收记录表_第1页
1/9
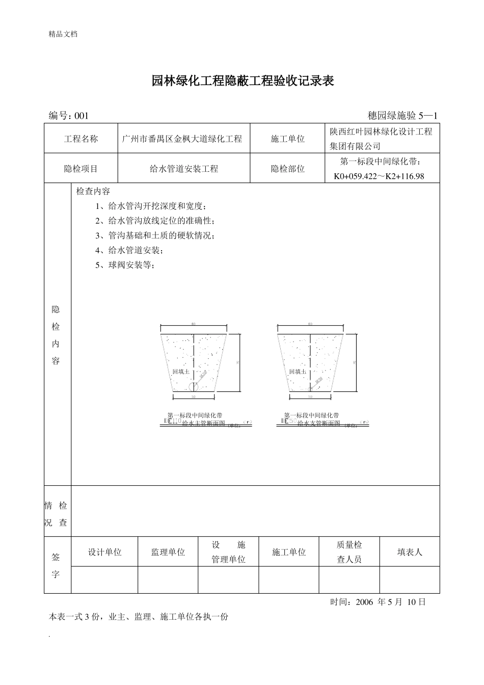
园林绿化工程隐蔽工程验收记录表_第2页
2/9
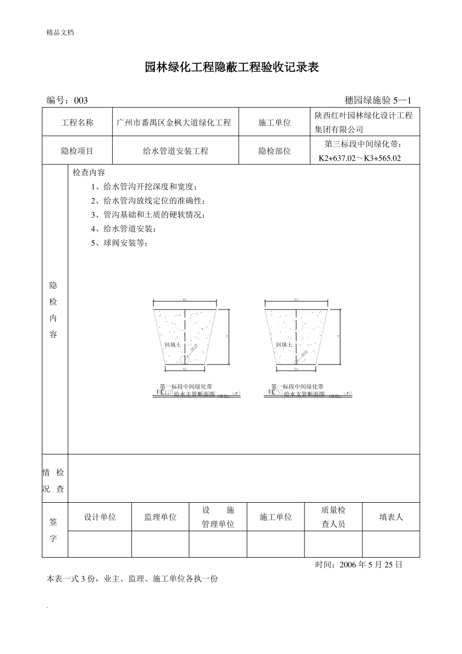
园林绿化工程隐蔽工程验收记录表_第3页
3/9
精品文档园林绿化工程隐蔽工程验收记录表编号:001穗园绿施验 5—1工程名称隐检项目检查内容1、给水管沟开挖深度和宽度;2、给水管沟放线定位的准确性;3、管沟基础和土质的硬软情况;4、给水管道安装;5、球阀安装等;广州市番禺区金枫大道绿化工程给水管道安装工程施工单位隐检部位陕西红叶园林绿化设计工程集团有限公司第一标段中间绿化带:K0+059.422~K2+116.98隐检内容情 检.况 查本表一式 3 份,业主、监理、施工单位各执一份设计单位监理单位设施管理单位施工单位质量检查人员填表人回填土回填土 第一标段中间绿化带给水主管断面图 (单位: 第一标段中间绿化带给水支管断面图 (单位:签字时间:2006 年 5 月 10 日精品文档园林绿化工程隐蔽工程验收记录表编号:002穗园绿施验 5—1工程名称隐检项目检查内容1、插杆式补水栓砼基础广州市番禺区金枫大道绿化工程给水管道安装工程施工单位隐检部位陕西红叶园林绿化设计工程集团有限公司第一标段中间绿化带:K0+059.422~K2+116.98隐检内容情 检.况 查本表一式 3 份,业主、监理、施工单位各执一份设计单位监理单位设施管理单位施工单位质量检查人员填表人签字时间:2006 年 5 月 10 日精品文档园林绿化工程隐蔽工程验收记录表编号:003穗园绿施验 5—1工程名称隐检项目检查内容1、给水管沟开挖深度和宽度;2、给水管沟放线定位的准确性;3、管沟基础和土质的硬软情况;4、给水管道安装;5、球阀安装等;广州市番禺区金枫大道绿化工程给水管道安装工程施工单位隐检部位陕西红叶园林绿化设计工程集团有限公司第三标段中间绿化带:K2+637.02~K3+565.02隐检内容情 检.况 查本表一式 3 份,业主、监理、施工单位各执一份设计单位监理单位设施管理单位施工单位质量检查人员填表人回填土回填土 第一标段中间绿化带给水主管断面图 (单位: 第一标段中间绿化带给水支管断面图 (单位:签字时间:2006 年 5 月 25 日精品文档园林绿化工程隐蔽工程验收记录表编号:004穗园绿施验 5—1工程名称隐检项目检查内容1、插杆式补水栓砼基础广州市番禺区金枫大道绿化工程给水管道安装工程施工单位隐检部位陕西红叶园林绿化设计工程集团有限公司第三标段中间绿化带:K2+637.02~K3+565.02隐检内容情 检.况 查本表一式 3 份,业主、监理、施工单位各执一份设计单位监理单位设施管理单位施工单位质量检查人员填表人签字时间:2006 年 5 月 25 日精品文档园林绿化工...

1、当您付费下载文档后,您只拥有了使用权限,并不意味着购买了版权,文档只能用于自身使用,不得用于其他商业用途(如 [转卖]进行直接盈利或[编辑后售卖]进行间接盈利)。
2、本站所有内容均由合作方或网友上传,本站不对文档的完整性、权威性及其观点立场正确性做任何保证或承诺!文档内容仅供研究参考,付费前请自行鉴别。
3、如文档内容存在违规,或者侵犯商业秘密、侵犯著作权等,请点击“违规举报”。

碎片内容

园林绿化工程隐蔽工程验收记录表

您可能关注的文档

爱的疯狂+ 关注
实名认证
内容提供者

该用户很懒,什么也没介绍

确认删除?
VIP
微信客服
  • 扫码咨询
会员Q群
  • 会员专属群点击这里加入QQ群
客服邮箱
回到顶部