电脑桌面
添加小米粒文库到电脑桌面
安装后可以在桌面快捷访问

8D质量整改报告模板

8D质量整改报告模板_第1页
1/7
8D质量整改报告模板_第2页
2/7
8D质量整改报告模板_第3页
3/7
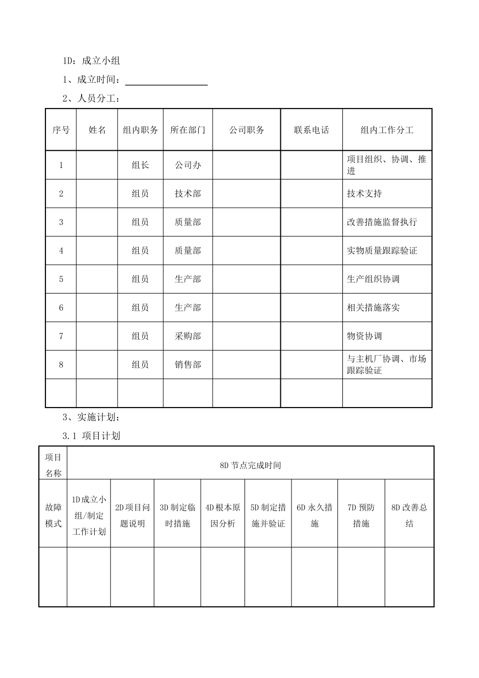
项目名称 责任单位 项目来源 整改级别 成立日期 项目组长 8D 质量改进报告 单位 日期 1D:成立小组 1、成立时间: 2、人员分工: 序号 姓名 组内职务 所在部门 公司职务 联系电话 组内工作分工 1 组长 公司办 项目组织、协调、推进 2 组员 技术部 技术支持 3 组员 质量部 改善措施监督执行 4 组员 质量部 实物质量跟踪验证 5 组员 生产部 生产组织协调 6 组员 生产部 相关措施落实 7 组员 采购部 物资协调 8 组员 销售部 与主机厂协调、市场跟踪验证 3、实施计划: 3.1 项目计划 项目名称 8D 节点完成时间 故障模式 1D成立小组/制定工作计划 2D项目问题说明 3D 制定临时措施 4D 根本原因分析 5D 制定措施并验证 6D 永久措施 7D 预防 措施 8D 改善总结 3.2 工作计划 序号 工作内容 实施要求 完成时间 责任人 备注 1 成立项目小组 召开项目小组启动会议,明确职责要求及项目计划进度。 2 原因分析 根据主机厂反馈, 3 制定临时措施 制定临时措施并实施 4 根本原因分析 采用因果图整理可能原因,并对可能原因进行逐一确认,查明影响主要原因 5 制定措施并验证 针对要因,制定整改措施,并对效果验证 6 制定永久措施 对有效措施进行标准化 7 制定预防措施 制定预防措施 8 改善总结 总结本次整改的结果、经验,为后序其他产品的质量改进提供参考 2D:问题说明 1、特性失效模式分析: 序号 特 性 失效模式 控制要素 控制要求 备注 1 2、市场表现: 对产品市场主流情况进行描述 3、生产表现: 4、改进目标: 现状: 目标 3D:临时措施 序号 措 施 责任人 完成时间 验证情况 1 5 2 3 4 4D:根本原因 从人、机、料、法、环、测进行分析(鱼刺图): 2、可能因素分析: 要因(关键因子)标识为“●” 、非要因标识为“○” 方面 序号 可能因素 分析、试验、确认过程 重要度 备注 人 1 ○ 机 2 ● 料 3 ● 法 4 ● 测 5 ● 5D:制定措施并验证 1、实施计划: 人 机 料 法 测 操作不当 未按工艺要求对新换感应器验证 感应器验证缺乏有效监督 R部层深浅和脱碳层深 检测手段健全 金相检测人员未按工艺切割检测面 表面淬火工艺合理 设备维护问题 未明确感应器验证要求 金相切割机夹紧装置失效 调质后中杆未进行机械加工去除脱碳层 序号 要因 (关键因子) 改进内容 整改...

1、当您付费下载文档后,您只拥有了使用权限,并不意味着购买了版权,文档只能用于自身使用,不得用于其他商业用途(如 [转卖]进行直接盈利或[编辑后售卖]进行间接盈利)。
2、本站所有内容均由合作方或网友上传,本站不对文档的完整性、权威性及其观点立场正确性做任何保证或承诺!文档内容仅供研究参考,付费前请自行鉴别。
3、如文档内容存在违规,或者侵犯商业秘密、侵犯著作权等,请点击“违规举报”。

碎片内容

8D质量整改报告模板

您可能关注的文档

确认删除?
VIP
微信客服
  • 扫码咨询
会员Q群
  • 会员专属群点击这里加入QQ群
客服邮箱
回到顶部