电脑桌面
添加小米粒文库到电脑桌面
安装后可以在桌面快捷访问

ADS教程第4章

ADS教程第4章_第1页
1/17
ADS教程第4章_第2页
2/17
ADS教程第4章_第3页
3/17
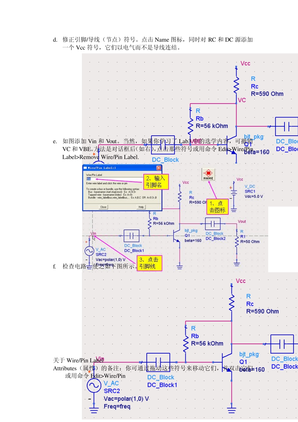
55 实验四、交流(AC)仿真 概 述 该实验继续amp_1900 任务并与上一实验使用相同子电路。这个练习教交流(AC)仿真的基础,包括小信号增益和噪声,也给出了许多数据显示中控制和操作数据的许多细节特性。 任 务  进行交流(AC)小信号和噪声仿真  调整引脚/导线符号  变量扫描和建立方程  控制图表,曲线,数据组和交流(AC)源 目 录 1. 从一个设计到另一个设计的复制&粘贴(Ctrl+C/ Ctrl+V)操作……… 56 2. 对复制的电路和引脚符号进行改正………………………………………56 3. 层次(push and pop)操作验证子电路……………………………………58 4. 设置带噪声的AC 仿真……………………………………………………58 5. 对噪声数据仿真并列表……………………………………………………60 6. 控制方程和节点电压的输出………………………………………………61 7. 无噪声仿真…………………………………………………………………63 8. 用测量方程写出数据显示方程……………………………………………63 9. 使用测量和数据显示子方程………………………………………………63 10. 对AC 分析数据绘出相位和群时延图……………………………………65 11. 变量信息和w hat 函数…………………………………………………… 68 12. 选学——Vcc 扫描(如同电源电压在减小)……………………………68 56 步 骤 1.从一个设计到另一个设计的复制&粘贴(Ctrl+C/ Ctrl+V)操作 a. 打开上一设计(dc_net),并通过在周围区域拖动鼠标复制变亮的电路,这被称为橡皮条(rubber banding)。当该项目变亮时,通过Ctrl+C 键或Edit>Copy命令复制。推荐使用 Ctrl+C,这样可以省去鼠标点击。 b. 用 File>New Design 命令创建一个新原理图,命名为:ac_sim。然后,用Ctrl+V 键或 Edit>Paste 并通过点击新原理图插入(ghost 镜像)复制内容。 c. 保存 ac_sim 设计。你必须保存它,否则它不会被写入数据库。 d. 点击 Window>design Open 命令。这个命令可以让你进入那些在内存中但在窗口中未显示或未存在记录中的设计。出现对话框后,选择 dc_net 并点击 OK,然后用 File>Close Design 命令关闭 dc_net 设计(不需要保存改变的设置)。 e. 在空的原理图窗口中,用 File>Open Design 图标重新打开设计ac_sim。它可给出该任务中的设计列表。如果一个设计创建了但最初并...

1、当您付费下载文档后,您只拥有了使用权限,并不意味着购买了版权,文档只能用于自身使用,不得用于其他商业用途(如 [转卖]进行直接盈利或[编辑后售卖]进行间接盈利)。
2、本站所有内容均由合作方或网友上传,本站不对文档的完整性、权威性及其观点立场正确性做任何保证或承诺!文档内容仅供研究参考,付费前请自行鉴别。
3、如文档内容存在违规,或者侵犯商业秘密、侵犯著作权等,请点击“违规举报”。

碎片内容

ADS教程第4章

您可能关注的文档

小辰8+ 关注
实名认证
内容提供者

出售各种资料和文档

确认删除?
VIP
微信客服
  • 扫码咨询
会员Q群
  • 会员专属群点击这里加入QQ群
客服邮箱
回到顶部