电脑桌面
添加小米粒文库到电脑桌面
安装后可以在桌面快捷访问

BIW设计规则VIP专享

BIW设计规则_第1页
1/15
BIW设计规则_第2页
2/15
BIW设计规则_第3页
3/15
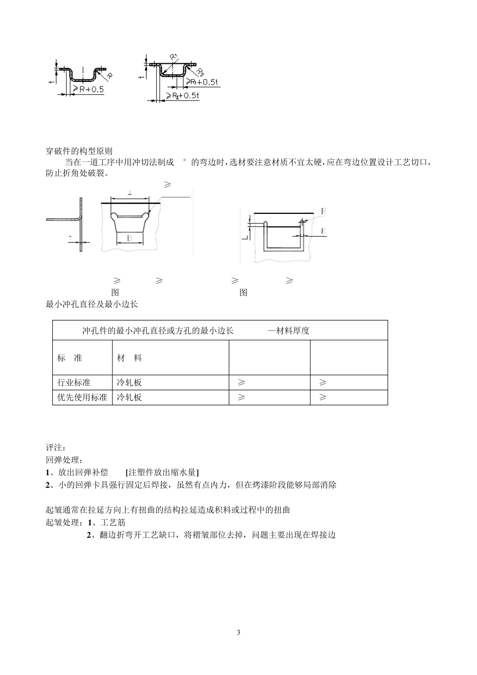
1 BIW设计规则 1. 范围 本标准归纳了[BIW]白车身结构设计的一些基本方法和注意事项。 本标准适用于长春宇创公司白车身结构设计及检查。 2.基本原则 2.1 白车身设计是一个复杂的系统并行设计过程,要彻底地摒弃孤立地单个零件设计方法,任何一个零件只是其所处在的分总成的一个零件,设计时均应考虑其与周边相关零部件的相互关系。 评注:周边造型匹配[面差、分缝影响外观];周边安装匹配[焊接装配、安装件的连接、安装空间] 2.2 任何一种车型的白车身结构均可按三层板的设计思想去构思结构设计,即最外层是外板,最内层是内板,中间是加强板,在车身附件安装连接部位应考虑设计加强板。 评注:结构的强度、刚度与横截面积有关系,与周边的展开的周长也有关系,“红旗3”轿车的一个宣传点就是其前防撞横梁为六边型。 2.3 所设计的白车身结构在满足整车性能上、结构上、四大工艺[冲压工艺、焊接工艺、涂装工艺、总装工艺]是否比参考样车或其他车型更优越,是否符合国内(尤其是客户)的实际生产状况,以便预先确定结构及工艺的改良方案。 2.4 白车身在结构与性能上应提供车身所需的承载能力,即强度和刚度要求。 3.冲压工艺要求 3.1 在设计钣金件时,对于影响拉延成型的圆角要尽可能放大,原则上内角R≥5,以利于拉延成型;对于折弯成型的圆角可以适当放小,原则上R≈3即可,以减小折弯后的回弹。 1)板件最小弯曲半径 最小弯曲半径见下表: 最小弯曲半径(R)、最小直边高度(h)、最小孔边到弯曲半径R中心的距离(L)值 行业标准 材 料 弯曲半径(R)、 直边高度h 、 距离L 冷轧板、镀锌板 弯曲半径R≥2t 直边高度h≥R+2t 距离L≥2t 优先使用 标准 冷轧板、镀锌板 弯曲半径R≥3t 2 FR2) 弯曲的直边高度不宜过小,其值h≥R+2t。见上表。 3)弯曲边冲孔时,孔边到弯曲半径R中心的距离L不得过小 ,其值L≥2t。见上表。 4)圆角弯曲处预留切口。 褶皱 5)凸部的弯曲 避免如a图情形的弯曲,使弯曲线让开阶梯线如图b,或设计切口如c、d。 r≥2t n=r m≥2t k≥1.5t L≥t+R+k/2 a b c d 3.2在设计钣金件时,考虑防止成型时起皱,应在适当的地方(如材料聚集处)布置工艺缺口,或布置工艺凸台、筋。 3.3 孔与孔,孔与边界距离应大于2t,若在圆角处冲孔,孔与翻边的距离应大于R+2t。 开孔时尽量不要开在倒角面上,以避免模具刃口早期磨损。 正冲孔孔径与最大倾斜角 拉深件或弯曲件冲孔...

1、当您付费下载文档后,您只拥有了使用权限,并不意味着购买了版权,文档只能用于自身使用,不得用于其他商业用途(如 [转卖]进行直接盈利或[编辑后售卖]进行间接盈利)。
2、本站所有内容均由合作方或网友上传,本站不对文档的完整性、权威性及其观点立场正确性做任何保证或承诺!文档内容仅供研究参考,付费前请自行鉴别。
3、如文档内容存在违规,或者侵犯商业秘密、侵犯著作权等,请点击“违规举报”。

碎片内容

确认删除?
VIP
微信客服
  • 扫码咨询
会员Q群
  • 会员专属群点击这里加入QQ群
客服邮箱
回到顶部