电脑桌面
添加小米粒文库到电脑桌面
安装后可以在桌面快捷访问

岩土锚杆技术规程CECS22

岩土锚杆技术规程CECS22_第1页
1/7
岩土锚杆技术规程CECS22_第2页
2/7
岩土锚杆技术规程CECS22_第3页
3/7
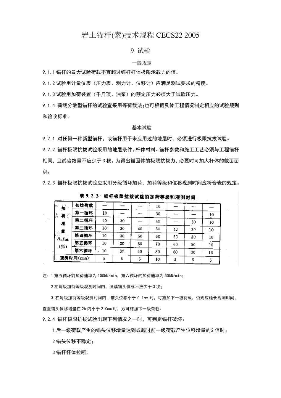
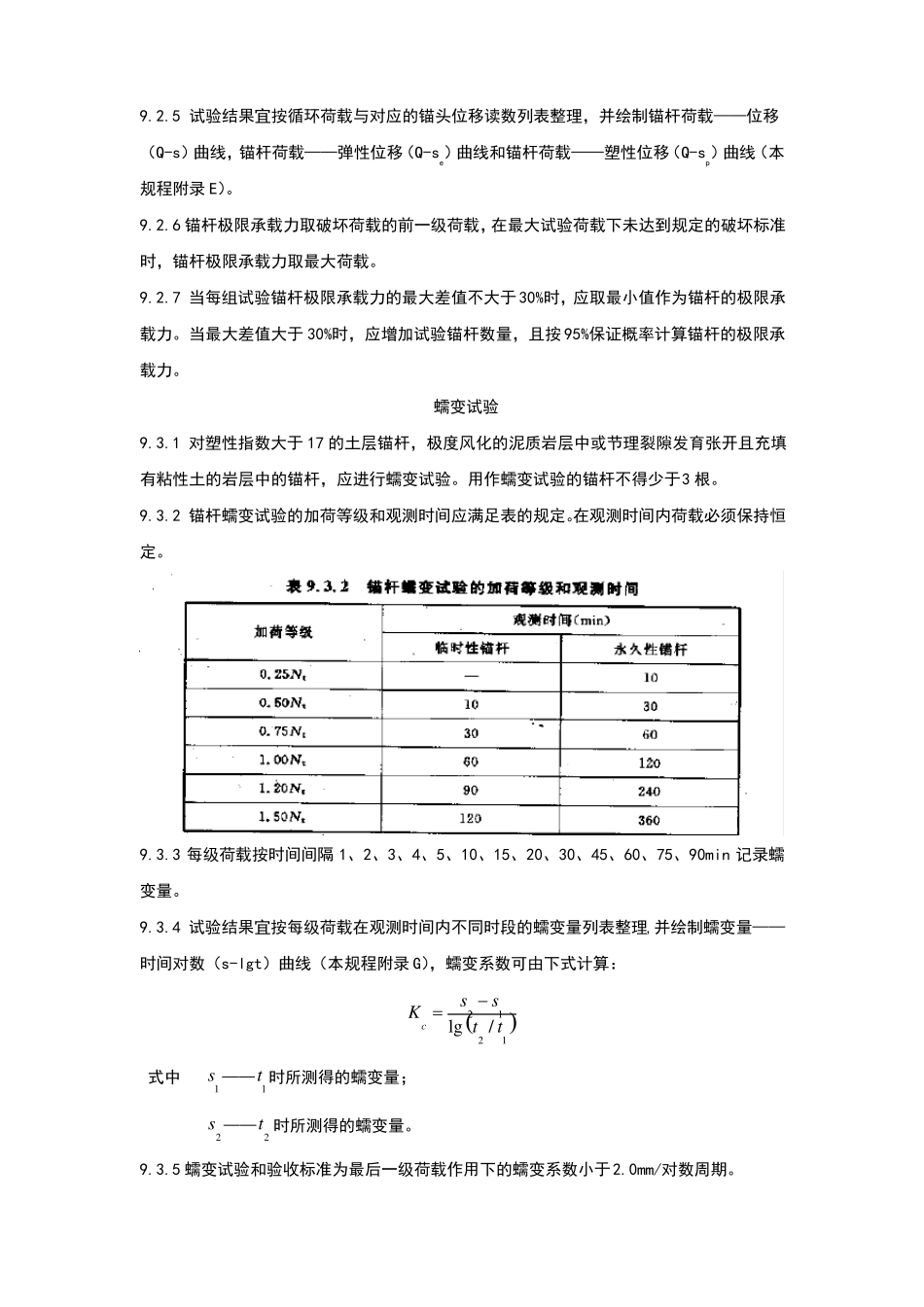
岩土锚杆(索)技术规程 CECS22 20059 试验一般规定9.1.1 锚杆的最大试验荷载不宜超过锚杆杆体极限承载力的倍。9.1.2 试验用计量仪表(压力表、测力计、位移计)应满足测试要求的精度。9.1.3 试验用加荷装置(千斤顶、油泵)的额定压力必须大于试验压力。9.1.4 荷载分散型锚杆的试验宜采用等荷载法;也可根据具体工程情况制定相应的试验规则和验收标准。基本试验9.2.1 对任何一种新型锚杆,或锚杆用于未应用过的地层时,必须进行极限抗拔试验。9.2.2 锚杆极限抗拔试验采用的地层条件、杆体材料、锚杆参数和施工工艺必须与工程锚杆相同,且试验数量不应少于 3 根。为得出锚固体的极限抗拔力,必要时可加大杆体的截面面积。9.2.3 锚杆极限抗拔试验应采用分级循环加荷,加荷等级和位移观测时间应符合表的规定。注:1 第五循环前加荷速率为 100kN/min,第六循环的加荷速率为 50kN/min;2 在每级加荷等级观测时间内,测读锚头位移不应少于 3 次;3 在每级加荷等级观测时间内,锚头位移小于 0.1mm 时,可施加下一级荷载,否则应延长观测时间,直至锚头位移增量在 2h 内小于 2.0mm 时,方可施加下一级荷载。9.2.4 锚杆极限抗拔试验出现下列情况之一时,可判定锚杆破坏:1 后一级荷载产生的锚头位移增量达到或超过前一级荷载产生位移增量的2 倍时;2 锚头位移不稳定;3 锚杆杆体拉断。9.2.5 试验结果宜按循环荷载与对应的锚头位移读数列表整理,并绘制锚杆荷载——位移(Q-s)曲线,锚杆荷载——弹性位移(Q-se)曲线和锚杆荷载——塑性位移(Q-sp)曲线(本规程附录 E)。9.2.6 锚杆极限承载力取破坏荷载的前一级荷载,在最大试验荷载下未达到规定的破坏标准时,锚杆极限承载力取最大荷载。9.2.7 当每组试验锚杆极限承载力的最大差值不大于 30%时,应取最小值作为锚杆的极限承载力。当最大差值大于 30%时,应增加试验锚杆数量,且按 95%保证概率计算锚杆的极限承载力。蠕变试验9.3.1 对塑性指数大于 17 的土层锚杆,极度风化的泥质岩层中或节理裂隙发育张开且充填有粘性土的岩层中的锚杆,应进行蠕变试验。用作蠕变试验的锚杆不得少于3 根。9.3.2 锚杆蠕变试验的加荷等级和观测时间应满足表的规定。在观测时间内荷载必须保持恒定。9.3.3 每级荷载按时间间隔 1、2、3、4、5、10、15、20、30、45、60、75、90min 记录蠕变量。9.3.4 试验结果宜按每级荷载在观测时间内不同时段的蠕变量列表整理,并绘制蠕变量——...

1、当您付费下载文档后,您只拥有了使用权限,并不意味着购买了版权,文档只能用于自身使用,不得用于其他商业用途(如 [转卖]进行直接盈利或[编辑后售卖]进行间接盈利)。
2、本站所有内容均由合作方或网友上传,本站不对文档的完整性、权威性及其观点立场正确性做任何保证或承诺!文档内容仅供研究参考,付费前请自行鉴别。
3、如文档内容存在违规,或者侵犯商业秘密、侵犯著作权等,请点击“违规举报”。

碎片内容

岩土锚杆技术规程CECS22

您可能关注的文档

确认删除?
VIP
微信客服
  • 扫码咨询
会员Q群
  • 会员专属群点击这里加入QQ群
客服邮箱
回到顶部