电脑桌面
添加小米粒文库到电脑桌面
安装后可以在桌面快捷访问

ICP专用塑料量器校准方法

ICP专用塑料量器校准方法_第1页
1/6
ICP专用塑料量器校准方法_第2页
2/6
ICP专用塑料量器校准方法_第3页
3/6
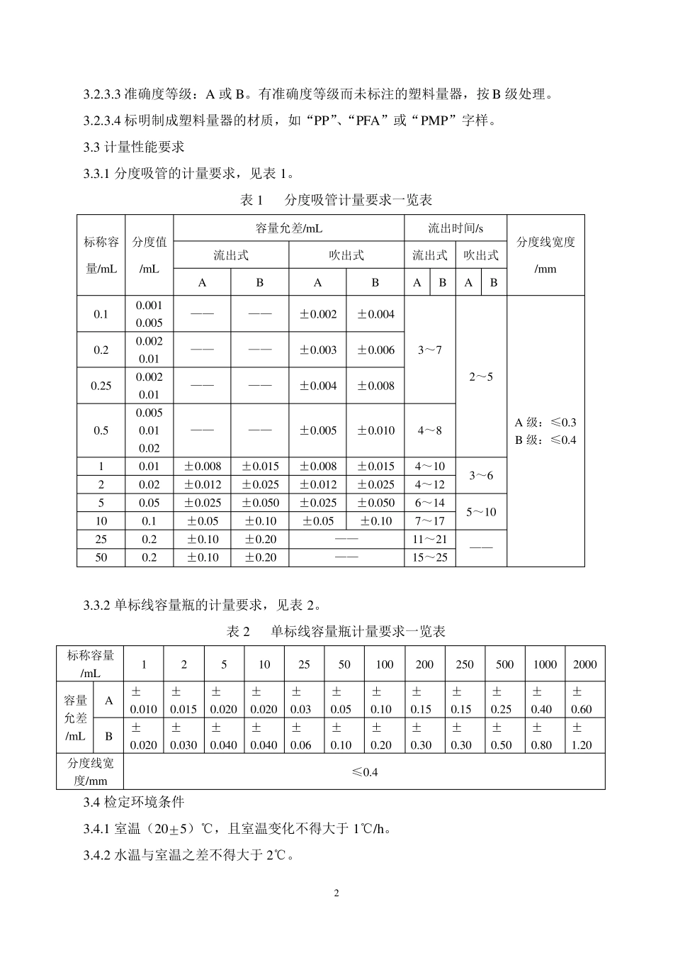
ICP 专 用 塑 料 量 器 校 准 方 法 前 言 由 于 目 前 国 内 无 塑 料 量 器 的 相 关 检 定 /校 准 规 范 , 同 时 根 据 公 司 ICP 使 用 的 基 本 量器 -塑 料 量 器 的 实 际 情 况 , 参 照 国 家 规 程JJG196-2006《 常 用 玻 璃 量 器 》 的 部 分 操 作 要求 和 技 术 指 标 要 求 , 并 结 合 进 口 塑 料 量 器 所 附 带 国 外 测 试 方 法 中 的 相 关 内 容 , 特 编 写此 文 件 , 以 便 为 企 业 内 部 塑 料 量 器 的 校 准 提 供 依 据 。 附 录 A、 附 录 B 均 为 规 范 性 记 录 本 文 件 由 质 量 计 量 部 提 出 、 起 草 、 归 口 并 负 责 解 释 。 文 件 起 草 人 : 王 云 文 件 审 核 人 : 朱 长 健 、 王 云 红 、 董 亮 本 文 件 2011 年 3 月 第 一 次 发 布 ICP 专 用 塑 料 量 器 校 准 方 法 1 适 用 范 围 本 方 法 适 用 于ICP 专 用 塑 料 量 器 的 入 库 和 周 期 校 准 。 塑 料 量 器 主 要 包括分 度吸管和 单标 线容 量 瓶。 2 概述 塑 料 量 器 按其型式分 为 量 入 式和 量 出 式两种。 分 度吸管一 般是量 出 式的 , 单标 线容 量 瓶一 般是量 入 式的 。 按其准 确度不同 分 为A 级和 B 级。 3 主 要 技 术 参 数 3.1 材质 : 塑 料 量 器 通常 采用 聚丙烯(PP)、 全氟烷氧基 树脂(PFA)或聚4-甲基 戊烯-1(PMP)制成。 3.2 外 观检 查 3.2.1 塑 料 量 器 不允许有影响计 量 读数及使 用 强度等缺陷。 3.2.2 分 度线与量 的 数值应清晰、 完整、 耐久。 3.2.3 塑 料 量 器 应具有下列标 记 : 3.2.3.1 厂名或商标 。 3.2.3.2 标 称容 量 与单位: ××m L。 2 3.2.3.3 准确度等级:A 或B。有准确度等级而未标注的塑料量器,按B 级处理。 3.2.3.4 标明制成塑料量器的材质,如“PP”、“PFA”或“PMP”字样。 3.3 计量性能要求 3.3.1 分度吸管的计量要求,见表1。 表1 分度吸管计量要求一览表 标称容量/mL 分度值/mL 容量允差/mL 流出时间/s 分度线宽度/mm 流出式 吹出式 流出式 吹出式 A B A B...

1、当您付费下载文档后,您只拥有了使用权限,并不意味着购买了版权,文档只能用于自身使用,不得用于其他商业用途(如 [转卖]进行直接盈利或[编辑后售卖]进行间接盈利)。
2、本站所有内容均由合作方或网友上传,本站不对文档的完整性、权威性及其观点立场正确性做任何保证或承诺!文档内容仅供研究参考,付费前请自行鉴别。
3、如文档内容存在违规,或者侵犯商业秘密、侵犯著作权等,请点击“违规举报”。

碎片内容

ICP专用塑料量器校准方法

小辰4+ 关注
实名认证
内容提供者

出售各种资料和文档

确认删除?
VIP
微信客服
  • 扫码咨询
会员Q群
  • 会员专属群点击这里加入QQ群
客服邮箱
回到顶部