电脑桌面
添加小米粒文库到电脑桌面
安装后可以在桌面快捷访问

上下行质量差小区处理方案

上下行质量差小区处理方案_第1页
1/43
上下行质量差小区处理方案_第2页
2/43
上下行质量差小区处理方案_第3页
3/43
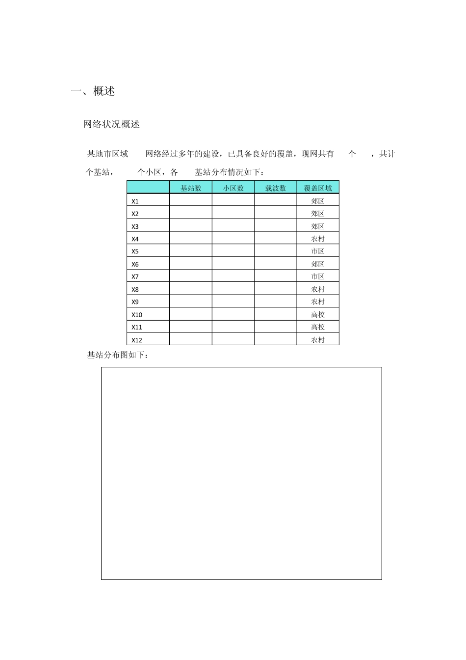
语音类最差小区优化专题 目录 一、概述 ..................................................................... 2 1网络状况概述 ............................................................ 2 2网络现状 ................................................................ 3 2.1差小区考核改动后的优化进程 ........................................ 3 2.2语音差小区特点 .................................................... 5 二、语音差小区处理流程 ....................................................... 6 三、语音差小区整治措施 ....................................................... 7 1 上/下行质差优化思路 .................................................... 7 1.1质量定义说明 ...................................................... 7 1.1.1质量含义 .................................................... 7 1.1.2公式 ........................................................ 8 1.1.3质差小区定义 ................................................ 8 1.2影响质量差的因素 .................................................. 8 1.3 质差小区的优化措施 .............................................. 10 1.3.1 动态功控参数优化 .......................................... 10 1.3.2 上行干扰造成的话音质差 .................................... 18 1.3.3 频率干扰造成的话音质差 .................................... 22 1.3.4 覆盖问题造成的话音质差 .................................... 26 1.3.5 切换参数优化 .............................................. 28 1.4 小结 ............................................................ 30 2 高掉话小区的优化措施 .................................................. 30 2.1 概述 ............................................................ 30 2.2掉话主要原因分析 ................................................. 30 2.2.1覆盖原因导致的掉话 ......................................... 30 2.2.2切换原因导致的掉话 ......................................... 31 2.2.3干扰原因导致的掉话 ...................................

1、当您付费下载文档后,您只拥有了使用权限,并不意味着购买了版权,文档只能用于自身使用,不得用于其他商业用途(如 [转卖]进行直接盈利或[编辑后售卖]进行间接盈利)。
2、本站所有内容均由合作方或网友上传,本站不对文档的完整性、权威性及其观点立场正确性做任何保证或承诺!文档内容仅供研究参考,付费前请自行鉴别。
3、如文档内容存在违规,或者侵犯商业秘密、侵犯著作权等,请点击“违规举报”。

碎片内容

上下行质量差小区处理方案

确认删除?
VIP
微信客服
  • 扫码咨询
会员Q群
  • 会员专属群点击这里加入QQ群
客服邮箱
回到顶部