电脑桌面
添加小米粒文库到电脑桌面
安装后可以在桌面快捷访问

APF施工方案碧桂园

APF施工方案碧桂园_第1页
1/10
APF施工方案碧桂园_第2页
2/10
APF施工方案碧桂园_第3页
3/10
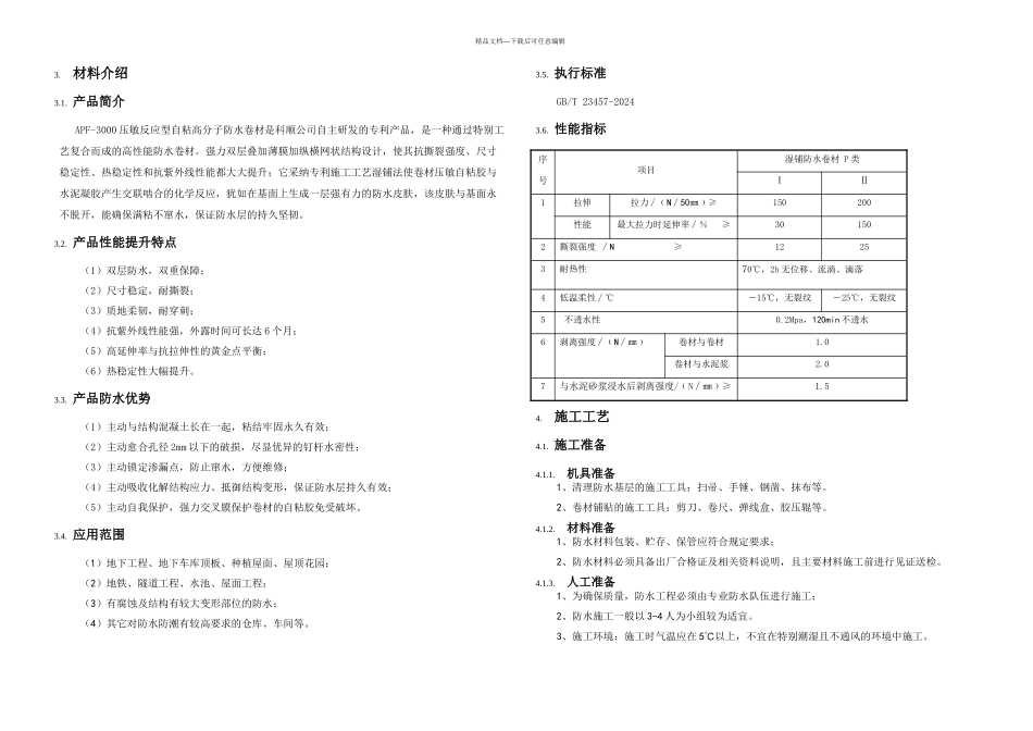
精品文档---下载后可任意编辑自粘高分子防水卷材施工方案编制单位:广东科顺化工实业有限公司日 期:2024 年 4 月 12 日精品文档---下载后可任意编辑目 录1 编制依据 32 防水构造做法 33 材料介绍 33.1 产品简介 33.2 产品性能提升特点 33.3 产品防水优势 43.4 应用范围 43.5 执行标准 43.6 性能指标 44 施工工艺 54.1 施工准备 54.1.1 机具准备 54.1.2 材料准备 54.1.3 人工准备 54.2 基面要求 54.3 具体施工工艺 64.3.1 施工工艺 64.3.2 防水构造图 95 质量验收法律规范 155.1 主控项目 155.2 一般项目 156 成品保护措施 157 质量保证措施 167.1 工程质量总目标 167.2 公司质量保证体系 167.3 产品质量控制措施 167.4 产品质量保证措施 167.5 落实岗位责任制 178 安全文明施工措施 178.1 安全施工措施 178.1.1 安全施工目标 178.1.2 安全生产组织管理措施 178.1.3 安全生产技术措施 188.2 文明施工措施 199 雨季施工措施 191.编制根据1、国家现行《中华人民共和国建筑法》、《建设工程质量管理条例》2、国家标准《地下工程防水技术法律规范》(GB50108-2024)3、国家标准《地下防水工程质量验收法律规范》(GB50208-2024)4、国家标准《屋面工程技术法律规范》(GB 50345-2024) 5、国家标准《屋面工程质量验收法律规范》(GB50207—2024)6、《建筑工程施工质量验收统一标准》(GB50300-2001)7、其他相关的行业标准、相关防水施工操作规程8、广东科顺化工实业有限公司有关防水设计施工的经验资料。2.防水构造做法序号施工部位材料做法1地下室底板平面APF-3000 自粘防水卷材空铺法2地下室底板立面(承台、电梯井侧面)APF-3000 自粘防水卷材湿铺法3地下室侧壁APF-3000 自粘防水卷材湿铺法4地下室顶板APF-3000 自粘防水卷材湿铺法5卫生间APF-3000 双面自粘防水卷材湿铺法精品文档---下载后可任意编辑3.材料介绍3.1. 产品简介APF-3000 压敏反应型自粘高分子防水卷材是科顺公司自主研发的专利产品,是一种通过特别工艺复合而成的高性能防水卷材。强力双层叠加薄膜加纵横网状结构设计,使其抗撕裂强度、尺寸稳定性、热稳定性和抗紫外线性能都大大提升;它采纳专利施工工艺湿铺法使卷材压敏自粘胶与水泥凝胶产生交联啮合的化学反应,犹如在基面上生成一层强有力的防水皮肤,该皮肤与基面永不脱开,能确保满粘不窜水,保证防水层的持久坚韧。3.2. 产品性能提...

1、当您付费下载文档后,您只拥有了使用权限,并不意味着购买了版权,文档只能用于自身使用,不得用于其他商业用途(如 [转卖]进行直接盈利或[编辑后售卖]进行间接盈利)。
2、本站所有内容均由合作方或网友上传,本站不对文档的完整性、权威性及其观点立场正确性做任何保证或承诺!文档内容仅供研究参考,付费前请自行鉴别。
3、如文档内容存在违规,或者侵犯商业秘密、侵犯著作权等,请点击“违规举报”。

碎片内容

APF施工方案碧桂园

确认删除?
VIP
微信客服
  • 扫码咨询
会员Q群
  • 会员专属群点击这里加入QQ群
客服邮箱
回到顶部