电脑桌面
添加小米粒文库到电脑桌面
安装后可以在桌面快捷访问

厂房建筑设计防火规范

厂房建筑设计防火规范_第1页
1/57
厂房建筑设计防火规范_第2页
2/57
厂房建筑设计防火规范_第3页
3/57
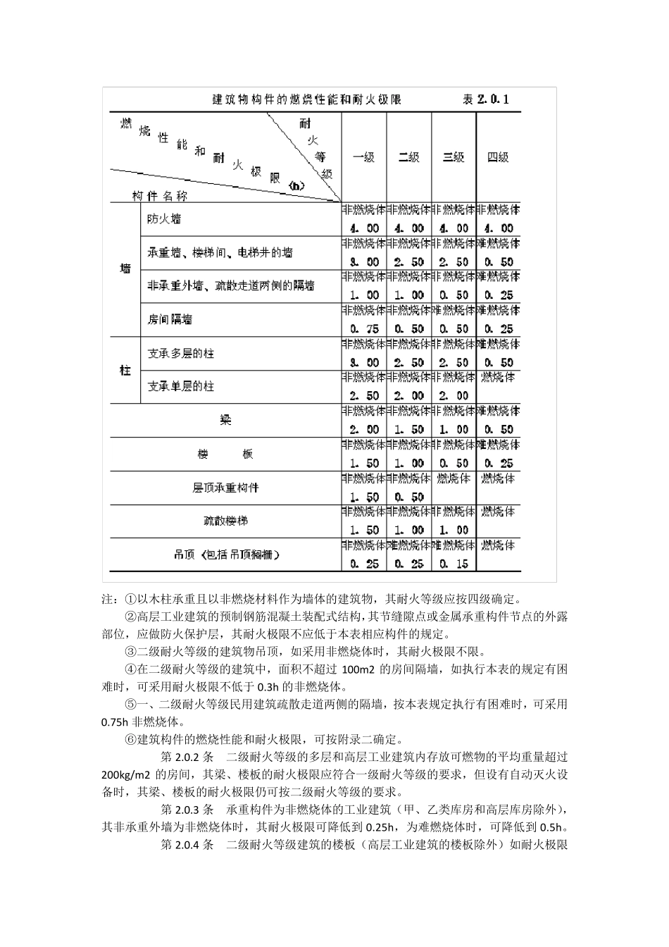
GBJ16— 87 (修订本) 主编部门:中华人民共和国公安部 批准部门:中华人民共和国国家计划委员会 施行日期:1995年11月1日 目 录 第一章 总 则 第二章 建筑物的耐火等级 第三章 厂 房 第一节 生产的火灾危险性分类 第二节 厂房的耐火等级、层数和占地面积 第三节 厂房的防火间距 第四节 厂房的防爆 第五节 厂房的安全疏散 第四章 仓 库 第一节 储存物品的火灾危险性分类 第二节 库房的耐火等级、层数、占地面积和安全疏散 第三节 库房的防火间距 第四节 甲、乙、丙类液体储罐、堆场的布置和防火间距 第五节 可燃、助燃气体储罐的防火间距 第六节 液化石油气储罐的布置和防火间距 第七节 易燃、可燃材料的露天、半露天堆场的布置和防火间距 第八节 仓库、储罐区、堆场的布置及与铁路、道路的防火间距 第五章 民用建筑 第一节 民用建筑的耐火等级、层数、长度和面积 第二节 民用建筑的防火间距 第三节 民用建筑的安全疏散 第四节 民用建筑中设置燃油、燃气锅炉房、油浸电力 变压器室和商店的规定 第六章 消防车道和进厂房的铁路线 第七章 建筑构造 第一节 防火墙 第二节 建筑构件和管道井 第三节 屋顶和屋面 第四节 疏散用的楼梯间、楼梯和门 第五节 天桥、栈桥和管沟 第八章 消防给水和灭火装置 第一节 一般 规定 第二节 室外 消防用水量 第三节 室外 消防给水管道、室外 消火栓 和消防水池 第四节 室内 消防给水 第五节 室内 消防用水量 第六节 室内 消防给水管道、室内 消火栓 和室内 消防水箱 第七节 灭火设备 第八节 消防水泵 房 第九章 采暖、通风和空气调节 第一节 一般规定 第二节 采 暖 第三节 通风和空气调节 第十章 电 气 第一节 消防电源及其配电 第二节 输配电线路、灯具、火灾事故照明和 疏散指示标志 第三节 火灾自动报警装置和消防控制室 附录一 名词解释 附录二 建筑构件的燃烧性能和耐火极限 附录三 生产的火灾危险性分类举例 附录四 储存物品的火灾危险性分类举例 附录五 本规范用词说明 附加说明 第一章 总 则 第1.0.1 条 为了保卫社会主义建设和公民生命财产的安全,在城镇规划和建筑设计中贯彻“预防为主,防消结合”的方针,采取防火措施,防止和减少火灾危害,特制定本规范。 第1.0.2 条 建筑防火设计,必须遵循国家的有关方针政策, 从全局出发,统筹兼顾,正...

1、当您付费下载文档后,您只拥有了使用权限,并不意味着购买了版权,文档只能用于自身使用,不得用于其他商业用途(如 [转卖]进行直接盈利或[编辑后售卖]进行间接盈利)。
2、本站所有内容均由合作方或网友上传,本站不对文档的完整性、权威性及其观点立场正确性做任何保证或承诺!文档内容仅供研究参考,付费前请自行鉴别。
3、如文档内容存在违规,或者侵犯商业秘密、侵犯著作权等,请点击“违规举报”。

碎片内容

厂房建筑设计防火规范

确认删除?
VIP
微信客服
  • 扫码咨询
会员Q群
  • 会员专属群点击这里加入QQ群
客服邮箱
回到顶部