电脑桌面
添加小米粒文库到电脑桌面
安装后可以在桌面快捷访问

压实度检验记录表(灌沙法)(土路肩)

压实度检验记录表(灌沙法)(土路肩)_第1页
1/9
压实度检验记录表(灌沙法)(土路肩)_第2页
2/9
压实度检验记录表(灌沙法)(土路肩)_第3页
3/9
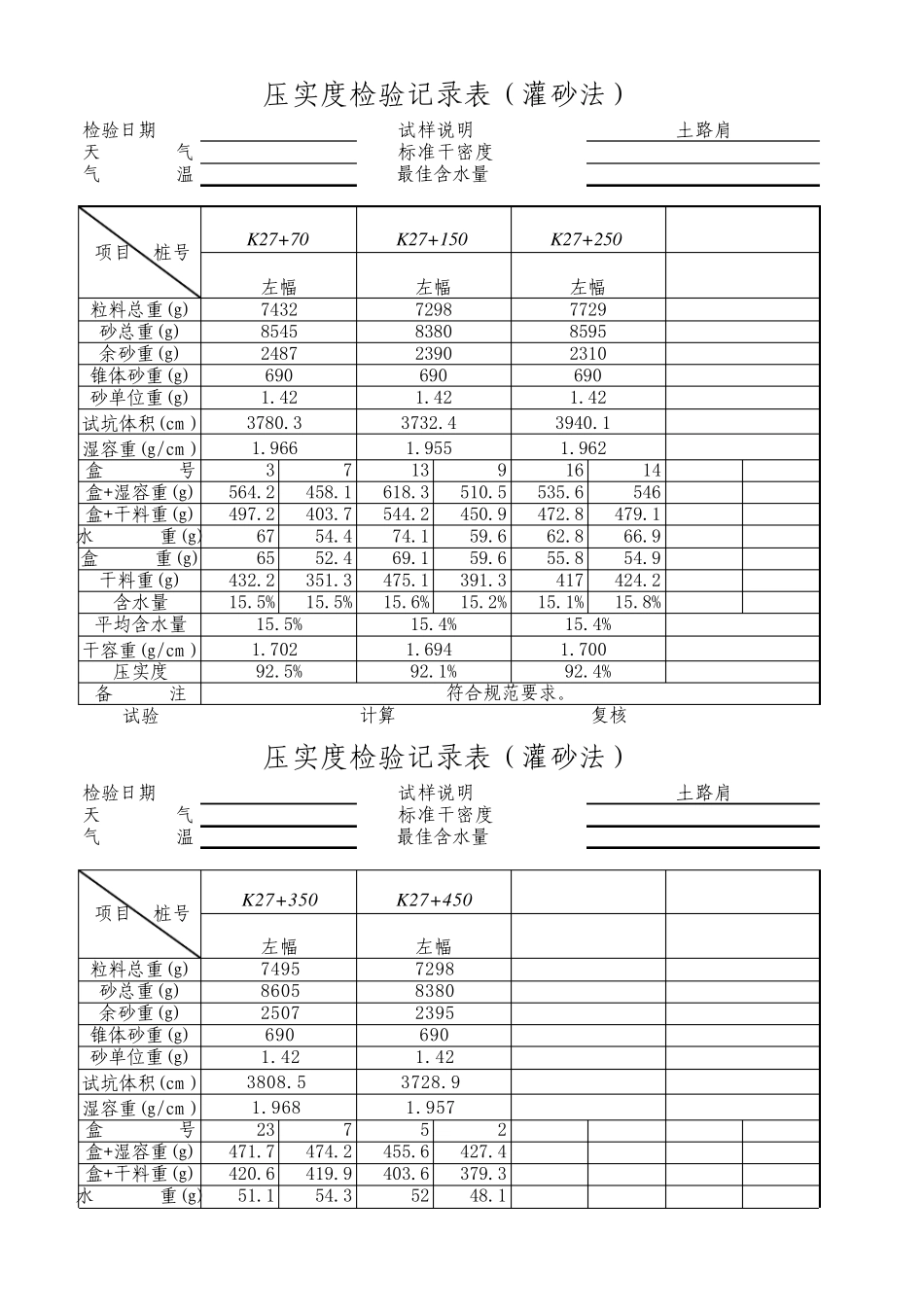
检验日期天 气气 温粒料总重(g)砂总重(g)余砂重(g)锥体砂重(g)砂单位重(g)试坑体积(cm3)湿容重(g/cm3)盒 号 371391614盒+湿容重(g)564.2458.1618.3510.5535.6546盒+干料重(g)497.2403.7544.2450.9472.8479.1水 重(g)6754.474.159.662.866.9盒 重(g)6552.469.159.655.854.9干料重(g)432.2351.3475.1391.3417424.2含水量 15.5%15.5%15.6%15.2%15.1%15.8%平均含水量干容重(g/cm3)压实度备 注试验计算复核检验日期天 气气 温粒料总重(g)砂总重(g)余砂重(g)锥体砂重(g)砂单位重(g)试坑体积(cm3)湿容重(g/cm3)盒 号 23752盒+湿容重(g)471.7474.2455.6427.4盒+干料重(g)420.6419.9403.6379.3水 重(g)51.154.35248.11.9661.9551.9623780.33732.415.5%15.4%15.4%符合规范要求。1.7021.6941.70092.5%92.1%92.4%6906906901.421.421.423940.17432729877298545838085952310压实度检验记录表(灌砂法)2010.9.15 试样说明土路肩 标准干密度1.84项目 桩号K 27+70K 27+150K 27+250左幅左幅左幅 最佳含水量15.7% 最佳含水量15.7%24872390压实度检验记录表(灌砂法)2010.9.15 试样说明土路肩 标准干密度1.847495729886058380项目 桩号K 27+350K 27+450左幅左幅1.421.423808.53728.9250723956906901.9681.957盒 重(g)81.163.863.173.2干料重(g)339.5356.1340.5306.1含水量 15.1%15.2%15.3%15.7%平均含水量干容重(g/cm3)压实度备 注试验计算复核检验日期天 气气 温粒料总重(g)砂总重(g)余砂重(g)锥体砂重(g)砂单位重(g)试坑体积(cm3)湿容重(g/cm3)盒 号 145107盒+湿容重(g)657.5420.2496.8554.8盒+干料重(g)579.3372.8439.4489.3水 重(g)78.247.457.465.5盒 重(g)74.963.169.763.8干料重(g)504.4309.7369.7425.5含水量 15.5%15.3%15.5%15.4%平均含水量干容重(g/cm3)压实度备 注试验计算复核检验日期天 气气 温粒料总重(g)砂总重(g)余砂重(g)锥体砂重(g)砂单位重(g)试坑体积(cm3)1.7091.69592.9%92.1%15.2%15.5%K 27+540K 27+640 标准干密度1.84 最佳含水量15.7%73967332符合规范要求。压实度检验记录表(灌砂法)2010.9.16 试样说明土路肩项目 桩号86098392左幅左幅1.421.423762.03726.8257724106906901.7041.70492.6%92.6%1.9661.96715.4%15.5%K 28+150K 28+250K 28+370 标准干密度1.84 最佳含水量15.7%703171897616符合规范要求。压实度检验记录表(灌砂法)2010.9.16 试样说明土路肩项目 桩号824082808495左幅...

1、当您付费下载文档后,您只拥有了使用权限,并不意味着购买了版权,文档只能用于自身使用,不得用于其他商业用途(如 [转卖]进行直接盈利或[编辑后售卖]进行间接盈利)。
2、本站所有内容均由合作方或网友上传,本站不对文档的完整性、权威性及其观点立场正确性做任何保证或承诺!文档内容仅供研究参考,付费前请自行鉴别。
3、如文档内容存在违规,或者侵犯商业秘密、侵犯著作权等,请点击“违规举报”。

碎片内容

压实度检验记录表(灌沙法)(土路肩)

您可能关注的文档

确认删除?
VIP
微信客服
  • 扫码咨询
会员Q群
  • 会员专属群点击这里加入QQ群
客服邮箱
回到顶部