电脑桌面
添加小米粒文库到电脑桌面
安装后可以在桌面快捷访问

湖北省XX市某某水电站可行性研究报告

湖北省XX市某某水电站可行性研究报告_第1页
1/16
湖北省XX市某某水电站可行性研究报告_第2页
2/16
湖北省XX市某某水电站可行性研究报告_第3页
3/16
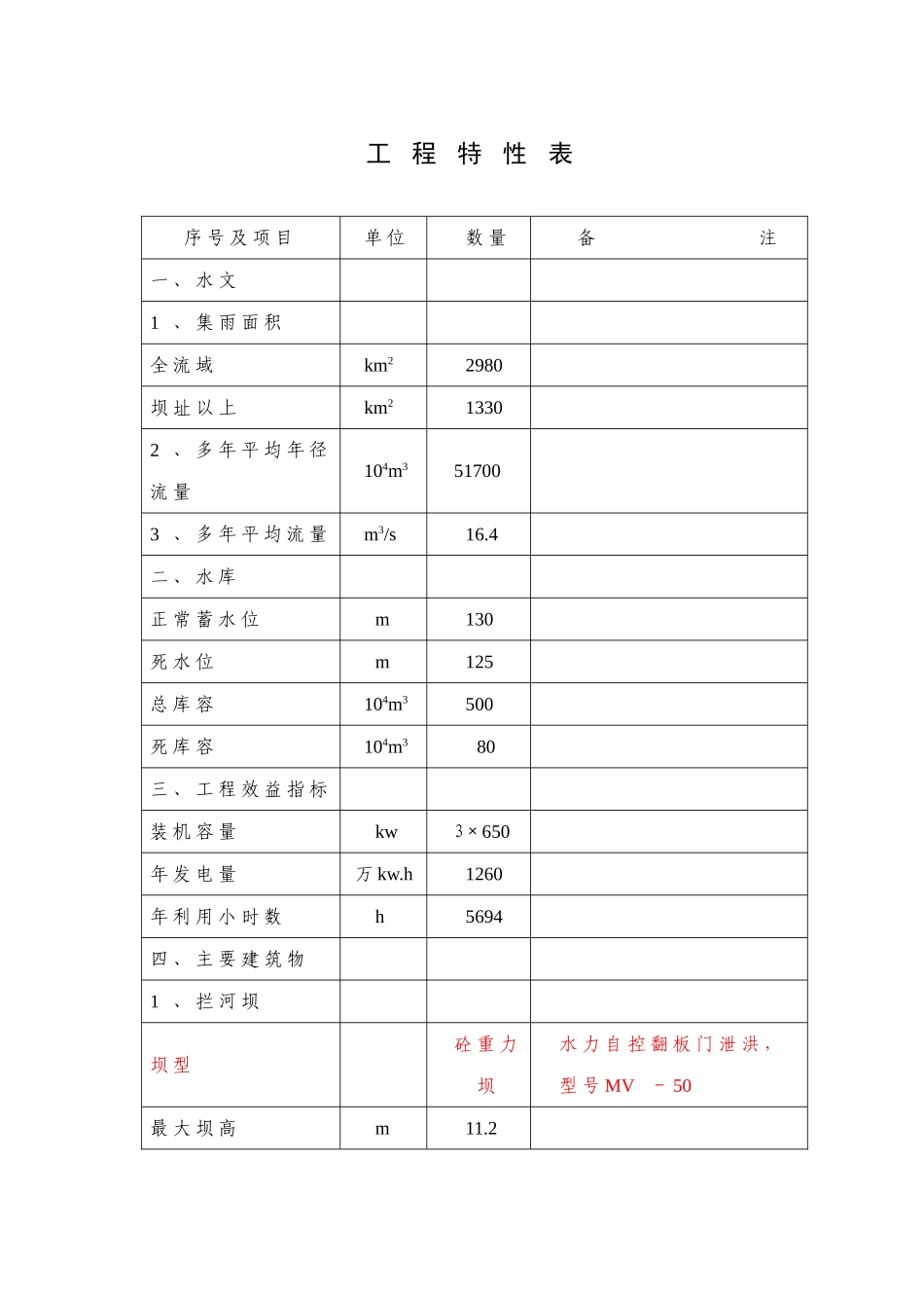
工程特性表序 号 及 项 目单 位数 量备 注一 、 水 文1 、 集 雨 面 积全 流 域km22980坝 址 以 上km213302 、 多 年 平 均 年 径流 量104m3517003 、 多 年 平 均 流 量m3/s16.4二 、 水 库正 常 蓄 水 位m130死 水 位m125总 库 容104m3500死 库 容104m380三 、 工 程 效 益 指 标装 机 容 量kw3×650年 发 电 量万 kw.h1260年 利 用 小 时 数h5694四 、 主 要 建 筑 物1 、 拦 河 坝坝 型砼 重 力坝水 力 自 控 翻 板 门 泄 洪 ,型 号 MV- 50最 大 坝 高m11.2坝 顶 长 度m170五 、 主 要 机 电 设 备1 、 水 轮 机台 数台3型 号ZD760-LH-180( 5°~15°)额 定 出 力最 大 工 作 水 头m11.2最 小 工 作 水 头m6.2单 机 引 用 流 量m3/s2 、 发 电 机台 数台3型 号SF250—1000 - 32—28—24单 机 容 量kw650六 、 投 资总 投 资万 元1238.12单 位 千 瓦 投 资元 / kw6349前 言某某水电站位于湖北省XX 市西北部,坝址座落于XX 、南漳、远安等( 市) 县交界处。电站尾水与下游漳河水库回水相衔接。本工程是沮漳河东支漳河上的一个梯级电站,其主要效益为发电,并兼有灌溉、养殖等综合效益。1958年12月湖北省水利厅勘测设计院提出了《沮漳河流域规划报告》,文中指出某某电站在漳河水库形成后应列入开发项目。1966年漳河水库基本建成全面受益。1976年荆州地区水利局、漳河水库管理局、XX 县( 市) 水利局三家在共同测量、规划的基础上编制并呈报了《某某工程设计任务书》。XX 市 成 立 后 , 于 1986 年 以 荆 计 字 [86]04 号 文 和 荆 政 文[86]16 号文分别上报省计委和省政府,要求开展某某水电站的前期工作,当时省计委及省水利厅,分别以鄂计重字[86]200号和鄂水电[86]134号文作了批复,同意沙难河工程立项。同年,省计委又以鄂计重字[86]421号文下达了该电站前期工作计划和资金安排。同年9 月,XX 市水利局以荆水计字[86]17 号文委托中南勘测设计院对沙难河工程进行可行性研究。1987年8 月中南勘测设计院提交《漳河某某水利水电工程可行性研究阶段工程地质勘察报告》。1988年7 月中南勘测设计院正式提交《湖北漳河某某水利水电工程可行性研究报告》。2004年6 月XX 市XX 水电建设有限公司委托我院编制《某某水电站可行性研究报告》,我院...

1、当您付费下载文档后,您只拥有了使用权限,并不意味着购买了版权,文档只能用于自身使用,不得用于其他商业用途(如 [转卖]进行直接盈利或[编辑后售卖]进行间接盈利)。
2、本站所有内容均由合作方或网友上传,本站不对文档的完整性、权威性及其观点立场正确性做任何保证或承诺!文档内容仅供研究参考,付费前请自行鉴别。
3、如文档内容存在违规,或者侵犯商业秘密、侵犯著作权等,请点击“违规举报”。

碎片内容

湖北省XX市某某水电站可行性研究报告

确认删除?
VIP
微信客服
  • 扫码咨询
会员Q群
  • 会员专属群点击这里加入QQ群
客服邮箱
回到顶部