电脑桌面
添加小米粒文库到电脑桌面
安装后可以在桌面快捷访问

《职业病危害因素分类目录》(国卫疾控发〔2015〕92号)

《职业病危害因素分类目录》(国卫疾控发〔2015〕92号)_第1页
1/15
《职业病危害因素分类目录》(国卫疾控发〔2015〕92号)_第2页
2/15
《职业病危害因素分类目录》(国卫疾控发〔2015〕92号)_第3页
3/15
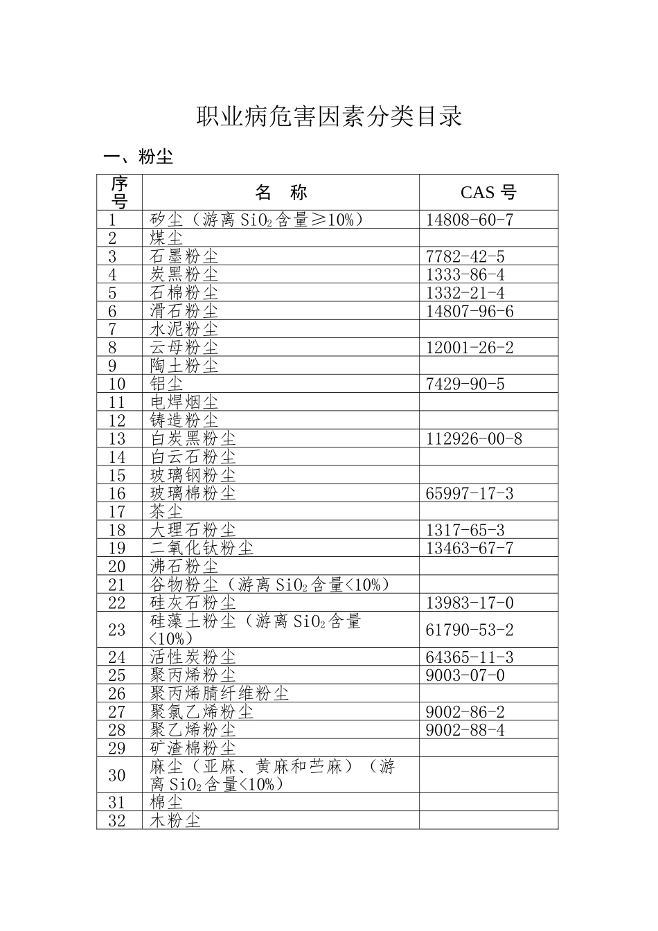
职业病危害因素分类目录一、粉尘序号名 称CAS 号1矽尘(游离 SiO2含量≥10%)14808-60-72煤尘3石墨粉尘7782-42-54炭黑粉尘1333-86-45石棉粉尘1332-21-46滑石粉尘14807-96-67水泥粉尘8云母粉尘12001-26-29陶土粉尘10铝尘7429-90-511电焊烟尘12铸造粉尘13白炭黑粉尘112926-00-814白云石粉尘15玻璃钢粉尘16玻璃棉粉尘65997-17-317茶尘18大理石粉尘1317-65-319二氧化钛粉尘13463-67-720沸石粉尘21谷物粉尘(游离 SiO2含量<10%)22硅灰石粉尘13983-17-023硅藻土粉尘(游离 SiO2含量<10%)61790-53-224活性炭粉尘64365-11-325聚丙烯粉尘9003-07-026聚丙烯腈纤维粉尘27聚氯乙烯粉尘9002-86-228聚乙烯粉尘9002-88-429矿渣棉粉尘30麻尘(亚麻、黄麻和苎麻)(游离 SiO2含量<10%)31棉尘32木粉尘序号名 称CAS 号33膨润土粉尘1302-78-934皮毛粉尘35桑蚕丝尘36砂轮磨尘37石膏粉尘 (硫酸钙)10101-41-438石灰石粉尘1317-65-339碳化硅粉尘409-21-240碳纤维粉尘41稀土粉尘(游离 SiO2含量<10%)42烟草尘43岩棉粉尘44萤石混合性粉尘45珍珠岩粉尘93763-70-346蛭石粉尘47重晶石粉尘(硫酸钡)7727-43-748锡及其化合物粉尘7440-31-5(锡)49铁及其化合物粉尘7439-89-6(铁)50锑及其化合物粉尘7440-36-0(锑)51硬质合金粉尘52以上未提及的可导致职业病的其他粉尘二、化学因素序号名 称CAS 号1铅及其化合物(不包括四乙基铅)7439-92-1(铅)2汞及其化合物7439-97-6(汞)3锰及其化合物7439-96-5(锰)4镉及其化合物7440-43-9(镉)5铍及其化合物7440-41-7(铍)6铊及其化合物7440-28-0(铊)7钡及其化合物7440-39-3(钡)8钒及其化合物7440-62-6(钒)9磷及其化合物(磷化氢、磷化锌、磷化铝、有机磷单列)7723-14-0(磷)10砷及其化合物(砷化氢单列)7440-38-2(砷)11铀及其化合物7440-61-1(铀)12砷化氢7784-42-113氯气7782-50-514二氧化硫7446-9-515光气(碳酰氯)75-44-516氨7664-41-717偏二甲基肼(1,1-二甲基肼)57-14-718氮氧化合物 19一氧化碳630-08-020二硫化碳75-15-021硫化氢7783-6-422磷化氢、磷化锌、磷化铝7803-51-2、1314-84-7、20859-73-823氟及其无机化合物7782-41-4(氟)24氰及其腈类化合物460-19-5(氰)25四乙基铅78-00-226有机锡 27羰基镍13463-39-328苯71-43-229甲苯108-88-330二甲苯1330-20-731正己烷110-54-332汽油 33一甲胺74-89-534有机氟聚合物单体及其热裂解物 35二氯乙烷1300-21-6序号名 称CAS 号36四氯化碳56-2...

1、当您付费下载文档后,您只拥有了使用权限,并不意味着购买了版权,文档只能用于自身使用,不得用于其他商业用途(如 [转卖]进行直接盈利或[编辑后售卖]进行间接盈利)。
2、本站所有内容均由合作方或网友上传,本站不对文档的完整性、权威性及其观点立场正确性做任何保证或承诺!文档内容仅供研究参考,付费前请自行鉴别。
3、如文档内容存在违规,或者侵犯商业秘密、侵犯著作权等,请点击“违规举报”。

碎片内容

《职业病危害因素分类目录》(国卫疾控发〔2015〕92号)

文章天下+ 关注
实名认证
内容提供者

各种文档应有尽有

确认删除?
VIP
微信客服
  • 扫码咨询
会员Q群
  • 会员专属群点击这里加入QQ群
客服邮箱
回到顶部