电脑桌面
添加小米粒文库到电脑桌面
安装后可以在桌面快捷访问

分组传送网PTN设备安装工程验收技术细则

分组传送网PTN设备安装工程验收技术细则_第1页
1/11
分组传送网PTN设备安装工程验收技术细则_第2页
2/11
分组传送网PTN设备安装工程验收技术细则_第3页
3/11
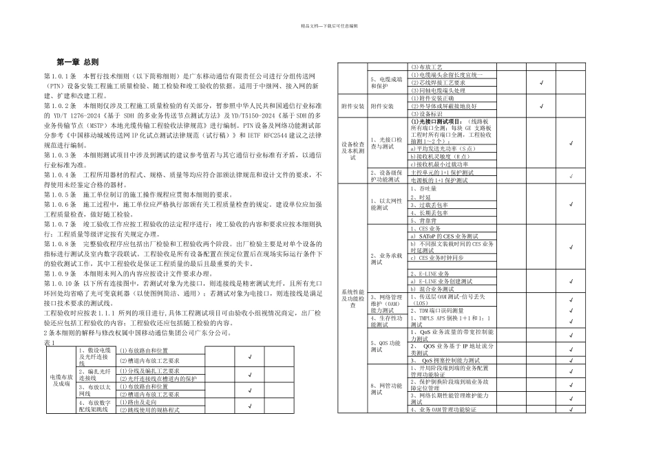
精品文档---下载后可任意编辑分组传送网(PTN)设备安装工程验收技术细则(修正稿)中国移动通信集团公司广东分公司二零零九年七月目 录第一章总则 3第二章设备安装 Error: Reference source not found 第一节槽道、列柜安装 5 第二节机架安装 5 第三节子架安装 5 第三章线缆布放及成端 5 第一节敷设电缆及光纤连接线 5 第二节编扎光纤连接线 6 第三节布放以太网线 6 第四节布放数字配线架跳线 6 第五节电缆成端和保护 6 第六节设备电源线安装和布放 6 第四章设备检查及本机测试 Error: Reference source not found 第一节光接口检查及测试 5 第二节 设备级保护测试 5 第五章系统性能测试及功能检查 7 第一节以太网性能测试 7 第二节业务承载测试 8 第三节网络管理维护 (OAM) 能力测试 9 第四节网络保护测试 9 第五节 QoS 功能测试 10 第八节网管功能测试 11 精品文档---下载后可任意编辑第一章 总则第 1.0.1 条 本暂行技术细则(以下简称细则)是广东移动通信有限责任公司进行分组传送网(PTN)设备安装工程施工质量检验、随工检验和竣工验收的依据。适用于中继网、接入网的新建、扩建和改建工程。 第 1.0.2 条 本细则仅涉及工程施工质量检验的有关部分,暂参照中华人民共和国通信行业标准的 YD/T 1276-2024《基于 SDH 的多业务传送节点测试方法》及 YD/T5150-2024《基于 SDH 的多业务传输节点(MSTP)本地光缆传输工程验收法律规范》进行编制。PTN 设备及网络功能测试部分参考《中国移动城域传送网 IP 化试点测试法律规范(试行稿)》和 IETF RFC2544 建议之法律规范进行编制。 第 1.0.3 条 本细则测试项目中涉及到测试的建议参考值若与其它通信行业标准有矛盾,以通信行业标准为准。 第 1.0.4 条 工程所用器材的程式、规格、质量等均应符合部颁法律规范和设计文件的要求,不得使用未经鉴定合格的器材。 第 1.0.5 条 施工单位制订的施工操作规程应贯彻本细则的要求。第 1.0.6 条 施工过程中,施工单位应严格执行部颁有关工程质量检查的规定。建设单位应加强工程质量检查,做好随工检验。 第 1.0.7 条 竣工验收工作应按工程验收的法定程序进行;竣工验收的内容和要求应按本细则执行;工程质量等级评定按有关规定办理。 第 1.0.8 条 完整验收程序应包括出厂检验和工程验收两个阶段。出厂检验主要是对单个设备的指标进行测试及室内数字段联试。...

1、当您付费下载文档后,您只拥有了使用权限,并不意味着购买了版权,文档只能用于自身使用,不得用于其他商业用途(如 [转卖]进行直接盈利或[编辑后售卖]进行间接盈利)。
2、本站所有内容均由合作方或网友上传,本站不对文档的完整性、权威性及其观点立场正确性做任何保证或承诺!文档内容仅供研究参考,付费前请自行鉴别。
3、如文档内容存在违规,或者侵犯商业秘密、侵犯著作权等,请点击“违规举报”。

碎片内容

分组传送网PTN设备安装工程验收技术细则

确认删除?
VIP
微信客服
  • 扫码咨询
会员Q群
  • 会员专属群点击这里加入QQ群
客服邮箱
回到顶部