电脑桌面
添加小米粒文库到电脑桌面
安装后可以在桌面快捷访问

预应力锚索支护施工方案VIP专享

预应力锚索支护施工方案_第1页
1/14
预应力锚索支护施工方案_第2页
2/14
预应力锚索支护施工方案_第3页
3/14
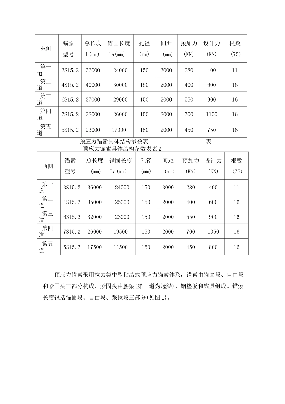
第一章工程概况和编制依据 21.1 工程概况 21.2 编制依据 2第二章预应力锚索支护设计要求 2第三章施工部署 43.1 施工准备 43.2 资源配置 43.3 工期计划 5第四章施工方案 54.1 工艺流程 54.2施工方法及主要技术措施 74.2.1 钻孔成孔 74.2.2 锚索制作与安装 74.2.3 注浆 84.2.4 围檩施工 84.2.5 张拉锁定 104.3 锚索试验与监测 114.3.1 试验 114.3.2 监测 114.4 常见异常情况处理 11第五章质量保证措施 125.1 完善现场质量管理 125.2 施工质量控制要点 125.3 工序质量控制 125.3.1 造孔 125.3.2 锚索制作 135.3.3 注浆 13第六章安全环保措施 136.1 安全措施 136.2 环保措施 14第一章工程概况和编制依据1.1 工程概况长湴站及存车线(含存车线)为地下两层岛式车站,位于广汕公路(天源路)长湴村附近,起点里程 YDK23+971.106 终点里程 YDK24+322.006 外包总长 350.9m,中间隔墙里程 YDK24+121.606 车站主体建筑面积为 13988.29m,车站标准段跨度19.7m 高 13.15m 基底埋深约 18m,顶板覆土厚度 3〜5m;主要地质为洪积土层(3.5~7.0m)、花岗岩残积土层(7.0~14.5m)、强风化带(4.0~6.0m;附属结构包括 I、II 号出入口、A、B、C 端风亭和紧急疏散通道。车站轨排井位置长约 30 米采用地下连续墙+普通预应力锚索的基坑支护体系,其他采用地下连续墙+砼支撑、钢支撑体系。1.2 编制依据在本施工方案的编制过程中,主要以以下几项为依据:1、广州市轨道交通六号线施工 13 标长湴站——《主体围护结构施工图》2、《广州市轨道交通六号线工程元岗站详细勘察阶段岩土工程勘察报告》(广东省重工建筑设计院 2006 年 8 月);3、现行国家有关规范、规程和标准:《水电水利工程预应力锚索施工规范》(DL/T5083-2004)《建筑基坑工程技术规范》YB9258-97;《建筑基坑支护技术规程》JGJ120-99;《广州地区建筑基坑支护技术规定》GJB02-98;《预应力混凝土用钢绞线》(GB/T5224-2003)《水工建筑物水泥灌浆施工技术规范》(SL62-94)第二章预应力锚索支护设计要求本站存车线的轨排井范围内采用 800 厚地下连续墙+普通预应力锚索的基坑支护体系,东西两侧由上而下设置五道普通预应力锚索,共计 150 根锚索,具体参数见表 1、表 2。根据设计要求,锚索采用材料:钢绞线 fy=1320N/mm,锚孔灌水泥砂浆 M20。东侧锚索型号总长度L(mm)锚固长度La(mm)孔径(mm)间距(mm)预加力(KN)设计力(KN)根数(75)第一...

1、当您付费下载文档后,您只拥有了使用权限,并不意味着购买了版权,文档只能用于自身使用,不得用于其他商业用途(如 [转卖]进行直接盈利或[编辑后售卖]进行间接盈利)。
2、本站所有内容均由合作方或网友上传,本站不对文档的完整性、权威性及其观点立场正确性做任何保证或承诺!文档内容仅供研究参考,付费前请自行鉴别。
3、如文档内容存在违规,或者侵犯商业秘密、侵犯著作权等,请点击“违规举报”。

碎片内容

预应力锚索支护施工方案

确认删除?
VIP
微信客服
  • 扫码咨询
会员Q群
  • 会员专属群点击这里加入QQ群
客服邮箱
回到顶部