电脑桌面
添加小米粒文库到电脑桌面
安装后可以在桌面快捷访问

德标线标准DIN_72551

德标线标准DIN_72551_第1页
1/17
德标线标准DIN_72551_第2页
2/17
德标线标准DIN_72551_第3页
3/17
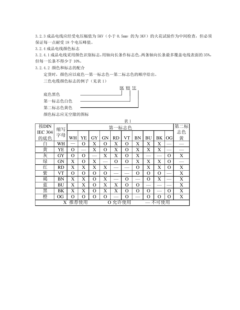
1.适用范围: 适用于道路车辆用薄壁绝缘(R)单芯无屏蔽低压电缆(FL)规定了该电缆的尺寸、材料和标志。 引用标准 DIN 40500-5 电工用铜—镀锡铜线—供货技术条件 DIN 40500-4 电工用铜—软铜线—交货技术条件、 2. 电线型号、名称及产品表示方法: 2.1 电线型号: FLRY 单芯无屏蔽薄壁PVC 绝缘低压电缆 2.2 代号说明: FL----------------------------低压电线 R------------------------------薄壁 2.2.1 按材料分 Y------------------------------聚氯乙烯绝缘 2.2.2 按导体结构分: A 型导体结构(见表 1) 正规绞合导体结构,奇数单线数日,其中一根单线排列在导体截面中央 B 型导体结构(见表 2) 非正规绞合导体结构 2.2.3 产品表示方法: 无屏蔽低压电缆(FL),薄壁绝缘(R),绝缘材料PVC(Y),导体标称截面 1.5mm2 (1.5),A 型导体结构(A)、裸单线,三色标志(底色和第一、第二标志色:黑(BK)、 白(WH)和黄(YE)电缆表示为: FLRY-1.5-A-BKWHYE 无屏蔽低压电缆(FL),薄壁绝缘(R),绝缘材料PVC(Y),导体标称截面 1.5mm2 (1.5),A 型导体结构(A),镀锡导体(sn),三色标志,底色和第一、第二标志色:黑 (BK)、白(WH)和黄(YE): FLRY-1.5sn-A-BKWHYE 如需要或顾客有要求时可在前面加上标准编号:DIN 72551 3.技术要求: 3.1 导体: 3.1.1 导电线芯应由符合 DIN 40500-4 要求的软铜单线或 DIN 40500-5 E-Cu 58 F21 要求的镀锡软铜单线绞合而成。铜单线表面应光洁,无油污,无腐蚀现象。铜单线的最大直径不得超过表 2和表 3 的规定。 3.1.2 导体结构、导体电阻应符合表 2~表 3 的规定。 3.2 绝缘: 3.2.1 绝缘应紧密挤包在导体上,且应容易剥离而不损伤导体,绝缘表面应平整,色泽均 匀 ,绝缘层 不允 许 有打 结、裂 缝 、气 泡 或含 有杂 质 。 3.2.2 电线的绝缘厚 度 最薄点 和外 径应符合表 2~表 3 的规定。 3.2.3 成品电线应经受电压幅值为5KV(小于0.5mm2 的为3KV)的火花试验作为中间检查,但必须保证每一点耐受18 个电压峰值。 3.2.4 成品电线颜色标志 3.2.4.1 成品电线采用颜色识别标志,用轴向长条作标志色。两条轴向长条最多覆盖电线表面的35%,但每一长条不得少于10%。 3.2.4.2 颜色和标志的配合 定货时,颜色应以底色—第一标志色—第二标志色的顺序给出。 三色电缆颜色标志的例子(见表1) BK WH YE 底色黑色 第一标...

1、当您付费下载文档后,您只拥有了使用权限,并不意味着购买了版权,文档只能用于自身使用,不得用于其他商业用途(如 [转卖]进行直接盈利或[编辑后售卖]进行间接盈利)。
2、本站所有内容均由合作方或网友上传,本站不对文档的完整性、权威性及其观点立场正确性做任何保证或承诺!文档内容仅供研究参考,付费前请自行鉴别。
3、如文档内容存在违规,或者侵犯商业秘密、侵犯著作权等,请点击“违规举报”。

碎片内容

德标线标准DIN_72551

您可能关注的文档

确认删除?
VIP
微信客服
  • 扫码咨询
会员Q群
  • 会员专属群点击这里加入QQ群
客服邮箱
回到顶部