电脑桌面
添加小米粒文库到电脑桌面
安装后可以在桌面快捷访问

怀仁县吴家窑镇移民新村环境连片整治示范项目污水处理工程监理质量评估报告_secret

怀仁县吴家窑镇移民新村环境连片整治示范项目污水处理工程监理质量评估报告_secret_第1页
1/9
怀仁县吴家窑镇移民新村环境连片整治示范项目污水处理工程监理质量评估报告_secret_第2页
2/9
怀仁县吴家窑镇移民新村环境连片整治示范项目污水处理工程监理质量评估报告_secret_第3页
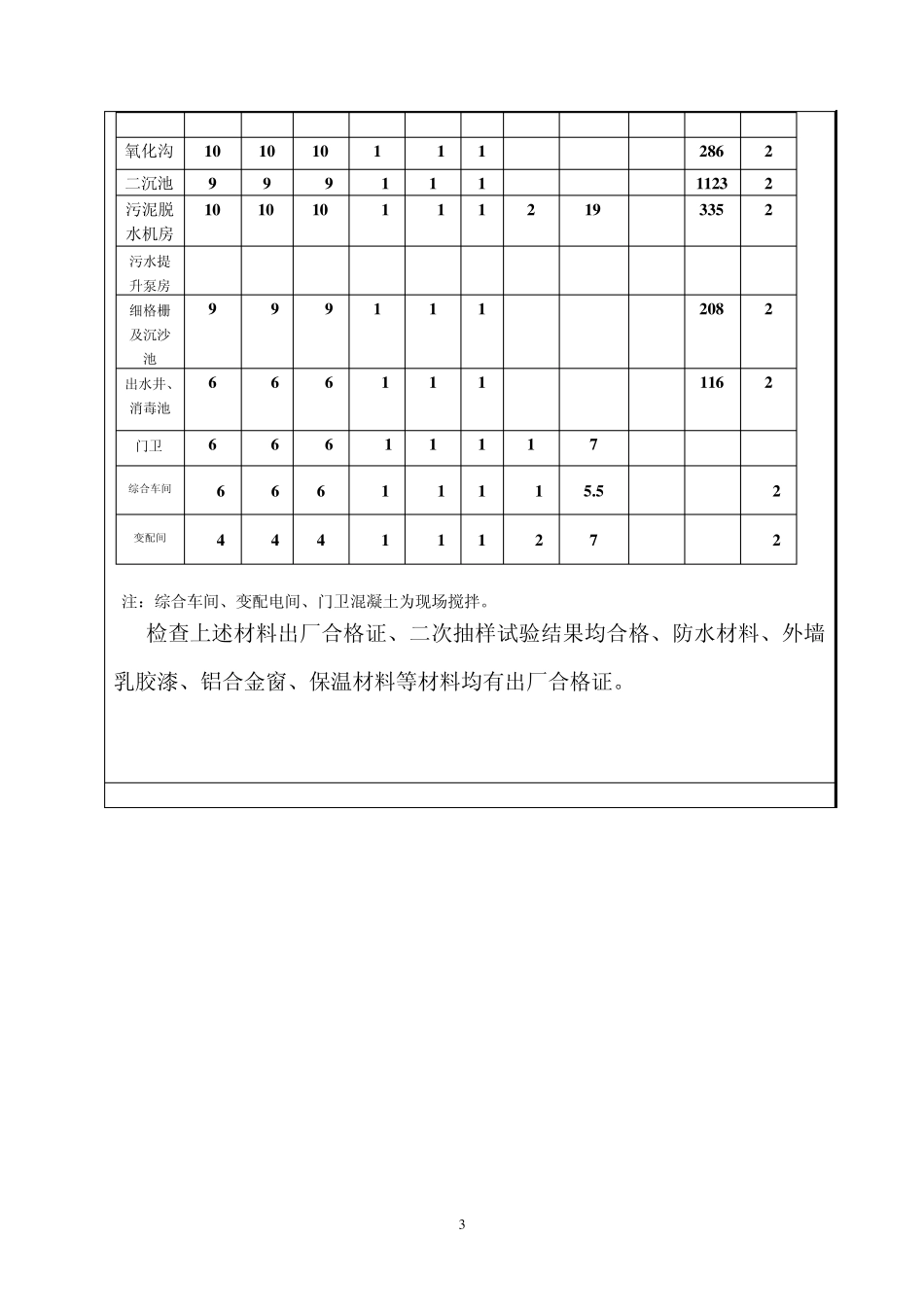
3/9
1 工程名称 怀仁县吴家窑镇移民新村环境连片整治示范项目生活污水处理工程 工程地址 黄仁县吴家窑镇移民新村 建筑规模 20m ³/h 处理 建筑结 构 层 数 建筑高 度 开 工日 期 竣 工日 期 工程造 价 建设 单 位 勘 察 单 位 施 工单 位 设 计 单 位 监 理单 位 大 同 市 瑞 昌 建设 监 理公司 监 理资 质 乙 级 工程监 理情 况 : 我 监 理公 司 为 乙 级 企 业 , 受 委 托 , 我 公 司 对 怀仁县吴家窑镇移民新村环境连片整治示范项目生活污水处理工程范围 内 进 行 监 理服 务 , 在 该 工程的 监 理过 程中 , 我 监 理公司 本 着 “ 守 法 、 诚 信 、 公 正 ” 的 监 理准 则 和 “ 以 预 防 为 主 , 严 格 监 理, 热 情 服 务 ” 的 监 理原 则 , 按 照监 理合 同 要 求 和 监 理工作 程序 ,积 极 配 合 业 主 施 工单 位 开 展 工作 ,并 对 该 工程进 行 了 全 面的 质 量控制,我 们遵守 严 格 监 理, 热 情 服 务 的 职责, 既严 格 要 求 工程施 工质 量, 又立场公 正 、 平等、 热 情 提供服 务 ,尊重实事求 是原 则 , 对 施 工中 出现的 质 量问题, 充分尊重事实, 以 理服 人, 一切以 施 工质 量验收规范为 标准 , 用检验和 试验的 资 料数 据说话, 有理有据, 客观公 正 , 按 照 国家的 有关法 律法 规正 确地履行自己的 职责和 义务 。 评估依据: 1、《建筑工程施 工质 量验收统一标准 》GB50300—2001; 2、 国家现行 《建筑工程施 工质 量验收规范》; 3、 山西省建筑工程质 量验收有关规范规定; 4、 污水处理厂验收规范 5、 本 工程设 计 文件、 施 工图纸和 设 计 变更等有关文件; 6、 材料抽样检测报告、 桩基检测报告和 “ 两强” 试块检测报告; 7、 工序 分部、 分项工程质 量自检和 抽检报告; 8、 工程技术资 料核查记录。 项目监 理人员及专业 分工 总监 理工程师: 专业 监 理工程师: 安装监 理工程师建: 见证员: 监 理过 程中 履行 职责情 况 : (一)工期 目标控制情 况 : 该 工程按 监 理委 托 合 同 计 划于 年 月 日 至 年 月 日 , 在 工期 控制中 , 我 ...

1、当您付费下载文档后,您只拥有了使用权限,并不意味着购买了版权,文档只能用于自身使用,不得用于其他商业用途(如 [转卖]进行直接盈利或[编辑后售卖]进行间接盈利)。
2、本站所有内容均由合作方或网友上传,本站不对文档的完整性、权威性及其观点立场正确性做任何保证或承诺!文档内容仅供研究参考,付费前请自行鉴别。
3、如文档内容存在违规,或者侵犯商业秘密、侵犯著作权等,请点击“违规举报”。

碎片内容

怀仁县吴家窑镇移民新村环境连片整治示范项目污水处理工程监理质量评估报告_secret

小辰4+ 关注
实名认证
内容提供者

出售各种资料和文档

确认删除?
VIP
微信客服
  • 扫码咨询
会员Q群
  • 会员专属群点击这里加入QQ群
客服邮箱
回到顶部