电脑桌面
添加小米粒文库到电脑桌面
安装后可以在桌面快捷访问

扬水站施工方案

扬水站施工方案_第1页
1/9
扬水站施工方案_第2页
2/9
扬水站施工方案_第3页
3/9
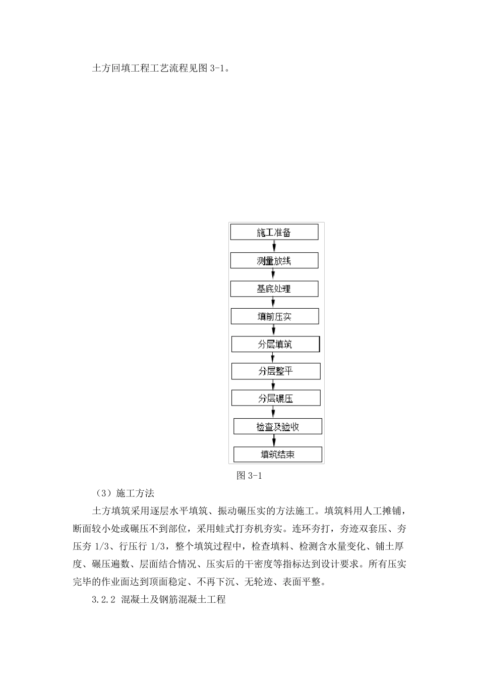
施工方案及主要技术措施 3.1 施工准备 3.1.1 施工测量 施工前,详细了解工程地质结构,地形地貌和水文地质情况,对可能引起的滑坡和塌方体采用预防性的保护措施,并仔细检查边坡的稳定性。进场前,先用手摇钻进行土层加密钻孔,掌握好土层情况和土层厚度,根据不同土质采取不同的施工方案。 根据测量控制和测设资料,结合施工技术条款和施工图纸,测放出土方工程的开挖线。对本工程施工范围内的导线点、水准点等进行必要的保护,做好导线加密点、水准点等的复测,为施工做好准备。在施工过程中,及时对施工区重要部位进行位置和高程的复测,综合招标文件、相关规范和测方资料,清理施工场地,确定科学合理的施工方案。 3.1.2 施工场地清理 在施工现场工作界限内,应先对施工区域内的树根、杂草、垃圾、废渣和其他障碍物进行场地清理;除招标文件另有指示外,开挖区域内地表植被清理,对开挖范围内和周围有影响区域的建筑 物及障碍物,如 房 屋 、电 线、坟 墓 等妥 善 处置;在清理中,保护所 有规定保留 的植物及结构,清运 的垃圾、表土运 到 指定区堆 放,防止 土壤 被冲 刷 或 流 失 。 场地清理的方法 采用挖掘 机 挖树根等杂物,推 土机 清表,挖掘 机 装 车 运 输 的方法 ;场地清理中发 现的文物古 迹 ,及时通 知 监 理工程师 ,并做好现场保护工作;堆 放的有机 土壤 应有利 于 工程的环 境 保护。 3.2 扬 水点工程施工 扬 水站 工程施工主要涉 及土方工程、混 凝 土及钢 筋 混 凝 土工程、钢 格 栅 盖 板等分 部工程施工。 3.2.1 土方工程 1、土方开挖施工 根据甲 方提 供 的坐 标点及标高基 准点建立 施工现场内的测量控制网 ,进行测量放线。土方开挖施工方案须 经 甲 方、监 理审 查批 准后 方能施工。同时,进行土方开挖施工技术交 底 ,确保现场管 理人 员 及施工人 员 明 白 无 误 。开挖完 成 后 ,在基 坑 四 周 分 别 设 置 集 水 井 以 便 将 基 坑 内 渗 水 等 进 行 集 中 抽 排 。 ( 1) 土 方 开 挖 施 工 方 法 根 据 扬 水 站 的 设 计 尺 寸 及 底 部 高 程 ,进 行 土 方 开 挖 施 工 ,土 方 的 施 工 程 序 为 :清 表 → 开 挖 → 运 输 , 施 工 方 法 为 : 使 用 挖 掘 机 开 挖 , 自 卸 汽 ...

1、当您付费下载文档后,您只拥有了使用权限,并不意味着购买了版权,文档只能用于自身使用,不得用于其他商业用途(如 [转卖]进行直接盈利或[编辑后售卖]进行间接盈利)。
2、本站所有内容均由合作方或网友上传,本站不对文档的完整性、权威性及其观点立场正确性做任何保证或承诺!文档内容仅供研究参考,付费前请自行鉴别。
3、如文档内容存在违规,或者侵犯商业秘密、侵犯著作权等,请点击“违规举报”。

碎片内容

扬水站施工方案

您可能关注的文档

确认删除?
VIP
微信客服
  • 扫码咨询
会员Q群
  • 会员专属群点击这里加入QQ群
客服邮箱
回到顶部