电脑桌面
添加小米粒文库到电脑桌面
安装后可以在桌面快捷访问

施工升降机月检记录

施工升降机月检记录_第1页
1/2
施工升降机月检记录_第2页
2/2
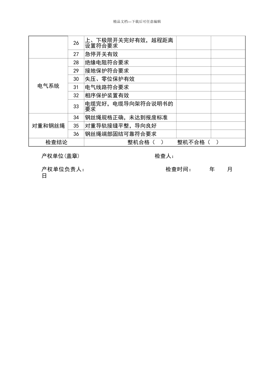
精品文档---下载后可任意编辑施工升降机月检记录表 AQ-C9-2工程名称施工单位安装单位统一编号设备型号防坠器编号验收合格日期安装高度名称序号检查内容和要求检查情况处理意见标志1使用登记标志、警示标志齐全基础和围护设施2防护围栏门机电联锁保护装置有效3防护围栏、出入口防护棚符合要求5电缆收集筒固定可靠6缓冲弹簧完好金属结构件7结构件无变形、脱焊、开裂和锈蚀8螺栓、销轴连接安装准确、紧固可靠9导轨架垂直度在规定范围内吊笼及层门10紧急逃离门完好安全开关有效11吊笼顶部护栏完好12吊笼门开启正常,机电联锁有效13层门完好,临边防护齐全有效传动及导向14防护装置齐全有效15制动器性能良好,手动功能正常16齿轮齿条啮合符合要求17导向轮及背轮连接及润滑应良好、导向灵活、无明显倾侧现象18无渗、漏油现象附着装置19附墙架符合要求,与构筑物连接可靠牢固20附着间距符合使用说明书要求21自由端高度符合使用说明书要求续表 AQ-C9-2安全装置22防坠安全器在有效标定期限内23防松绳开关有效24安全钩完好有效25上、下限位完好有效,设置符合要求精品文档---下载后可任意编辑26上、下极限开关完好有效,越程距离设置符合要求27急停开关有效电气系统28绝缘电阻符合要求29接地保护符合要求30失压、零位保护有效31电气线路符合要求32相序保护装置有效33电缆完好,电缆导向架符合说明书的要求对重和钢丝绳34钢丝绳规格正确,未达到报废标准35对重导轨接缝平整,导向良好36钢丝绳端部固结可靠符合要求检查结论 整机合格( ) 整机不合格( )产权单位(盖章) 检查人: 产权单位负责人: 检查时间: 年 月 日

1、当您付费下载文档后,您只拥有了使用权限,并不意味着购买了版权,文档只能用于自身使用,不得用于其他商业用途(如 [转卖]进行直接盈利或[编辑后售卖]进行间接盈利)。
2、本站所有内容均由合作方或网友上传,本站不对文档的完整性、权威性及其观点立场正确性做任何保证或承诺!文档内容仅供研究参考,付费前请自行鉴别。
3、如文档内容存在违规,或者侵犯商业秘密、侵犯著作权等,请点击“违规举报”。

碎片内容

施工升降机月检记录

确认删除?
VIP
微信客服
  • 扫码咨询
会员Q群
  • 会员专属群点击这里加入QQ群
客服邮箱
回到顶部