电脑桌面
添加小米粒文库到电脑桌面
安装后可以在桌面快捷访问

机械手设计资料2

机械手设计资料2_第1页
1/24
机械手设计资料2_第2页
2/24
机械手设计资料2_第3页
3/24
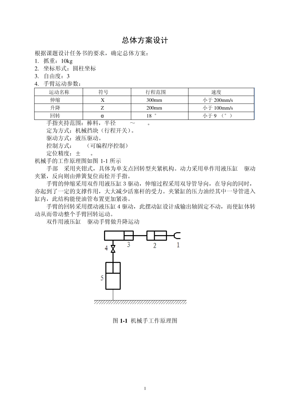
1 总体方案设计 根据课题设计任务书的要求,确定总体方案: 1. 抓重:10kg 2. 坐标形式:圆柱坐标 3. 自由度:3 4. 手臂运动参数: 运动名称 符号 行程范围 速度 伸缩 X 300mm 小于200mm/s 升降 Z 200mm 小于100mm/s 回转 α 180° 小于90(°)/s 手指夹持范围:棒料,半径 40mm~60mm。 定为方式:机械挡块(行程开关)。 驱动方式:液压驱动。 控制方式:PLC(可编程序控制) 定位精度:±2mm。 机械手的工作原理图如图 1-1 所示 手部 1采用夹钳式,具体为单支点回转型夹紧机构。动力采用单作用液压缸 2驱动夹紧,反向则由弹簧复位而松开手指。 手臂的伸缩采用双作用液压缸3驱动,伸缩过程采用双导管导向,在导向的同时,亦起到了一定的支撑作用,大大减少活塞杆的受力。夹紧缸的压力油经其中一导管进入缸内,此结构能使油管布置更加紧凑。 手臂的回转采用摆动液压缸4驱动,此摆动缸设计成输出轴固定不动,而使缸体转动从而带动整个手臂回转运动。 双作用液压缸 5驱动手臂做升降运动 图 1 -1 机械手工作原理图 2 手部设计 手部(亦称抓取机构)是用来直接握持工件的部件,由于被握持工件的形状、尺寸大小、重量、材料性能、表面处理等的不同,则机械手的手部机构是多种多样的,大部分的手部结构是根据特定的工件要求而设计的(林建龙,王小北,2003)。常用的手部,按其握持工件的原理,大致可分成夹持式和吸附式两大类。本设计采用常用的夹钳式手部结构,它是最常见的夹持式结构。 夹钳式手部是由手指、传动机构和驱动装置三部分组成的,它对抓取各种形状的工件具有较大的适应性,可以抓取轴、盘和套类零件(殷际英,何广平,2003)。一般情况下多采用两个手指,少数采用三指或多指。本设计中的工件是棒料,所以选择较简单的两指结构。 夹钳式手部设计的基本要求: 1、应具有适当的夹紧力和驱动力 手指握力(夹紧力)大小要合适,力量过大则动力消耗多,结构庞大,不经济,甚至会损坏工件;力量过小则夹持不住或产生松动、脱落。在确定握力时,除考虑工件总量外,还应考虑传送或操作过程中所产生的惯性力和振动,亦保证工件夹持安全可靠(杨永清等,2008)。对于手部的驱动装置来说,应有足够的驱动力。应当指出,由于机构传动力比不同,在一定的夹持力条件下,不同的传动机构所需驱动力的大小是不同的。 2、手指应具有一定的开闭范围 手指应具有足够的开闭角度或开闭距离,以便于抓...

1、当您付费下载文档后,您只拥有了使用权限,并不意味着购买了版权,文档只能用于自身使用,不得用于其他商业用途(如 [转卖]进行直接盈利或[编辑后售卖]进行间接盈利)。
2、本站所有内容均由合作方或网友上传,本站不对文档的完整性、权威性及其观点立场正确性做任何保证或承诺!文档内容仅供研究参考,付费前请自行鉴别。
3、如文档内容存在违规,或者侵犯商业秘密、侵犯著作权等,请点击“违规举报”。

碎片内容

机械手设计资料2

确认删除?
VIP
微信客服
  • 扫码咨询
会员Q群
  • 会员专属群点击这里加入QQ群
客服邮箱
回到顶部