电脑桌面
添加小米粒文库到电脑桌面
安装后可以在桌面快捷访问

标准贯入试验

标准贯入试验_第1页
1/6
标准贯入试验_第2页
2/6
标准贯入试验_第3页
3/6
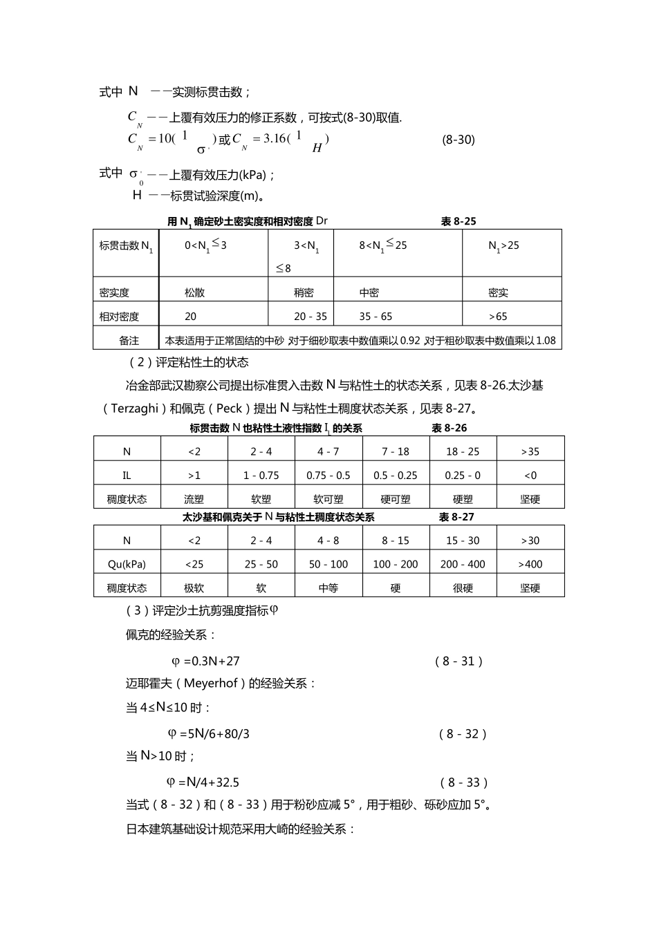
( 四 ) 标 准 贯 入 试 验 (SPT) 标 准 贯 入 试 验 实 质 上 仍 属 于 动 力 触 探 类 型 之 一 , 所 不 同 者 , 其 触 探 头 不 是 圆 锥 形 探 头 ,而 是 标 准 规 格 的 圆 筒 形 探 头 (由 两 个 半 圆 管 合 成 的 取 土 器 ), 称 之 为 贯 入 器 。因此, 标 准 贯 入试 验 就是 利用一 定的 锤击动 能, 将一 定规 格 的 对开管 式贯 入 器 打入 钻孔孔底的 土 层中, 根据打入 土 层中的 贯 入 阻力 , 评定土 层的 变化和土 的 物理力 学性质 。贯 入 阻力 用贯 入 器 贯 入 土 层中的 30cm 的 锤击数 N63.5表示, 也称 标 贯 击数。 标 准 贯 入 试 验 开始与本世纪四 十年代以来在国外有着广泛的 应用, 在我国也于 1953年开始应用.标 准 贯 入 试 验 结合 钻孔进行, 国内统一 使用直径 42cm 的 钻杆, 国外也有使用直径 50cm 或 60cm 的 钻杆.标 准 贯 入 试 验 的 优点在于 :操作简单, 设备简单, 土 层的 适应性广, 而 且通过贯 入 器 可 以采 取 扰 动 土 样 , 对它 进行直接 鉴 别 描 述 和有关 的 室 内土 工 试 验 。如 对砂 土 做 颗 粒 分 析 试 验 。本试 验 特 别 对不 易 钻探 取 样 的 砂 土 和砂 质 粉 土 物理力 学性质 的 评定具 有独 特 的 意 义 。 1.标 准 贯 入 试 验 设备规 格 标 准 贯 入 试 验 设备规 格 要 符 合 表 8-24 的 要 求 . 标 准 贯 入试验设备规格 表 8-24 落 锤 落 锤质 量 ( kg) 63.5 0.5 落 距 ( mm) 76 2 贯 入 器 长 度 ( mm) 500 外经 ( mm) 51 1 内经 ( mm) 35 1 管 靴 长 度 ( mm) 76 1 刃 口 角 度 18~ 20 刃 口 单刃 厚 度( mm) 2.5 钻杆( 相 对弯 曲 <1% ) 直径( mm) 42 2.标 准 贯 入 试 验 的 技 术 要 求 ( 1) 钻进方 法 :为 保 证 贯 入 试 验 用的 钻孔的 质 量 , 用采 用回 转 钻进, 当 钻进至 试 验 标高 以上 15cm 外, 应停 止 钻进。为 保 持 孔壁 稳 定, 必 要 时 可 用泥 浆 或套 管 护 壁 。如 使用水冲 ...

1、当您付费下载文档后,您只拥有了使用权限,并不意味着购买了版权,文档只能用于自身使用,不得用于其他商业用途(如 [转卖]进行直接盈利或[编辑后售卖]进行间接盈利)。
2、本站所有内容均由合作方或网友上传,本站不对文档的完整性、权威性及其观点立场正确性做任何保证或承诺!文档内容仅供研究参考,付费前请自行鉴别。
3、如文档内容存在违规,或者侵犯商业秘密、侵犯著作权等,请点击“违规举报”。

碎片内容

标准贯入试验

确认删除?
VIP
微信客服
  • 扫码咨询
会员Q群
  • 会员专属群点击这里加入QQ群
客服邮箱
回到顶部