电脑桌面
添加小米粒文库到电脑桌面
安装后可以在桌面快捷访问

椭圆形标准封头数据表

椭圆形标准封头数据表_第1页
1/11
椭圆形标准封头数据表_第2页
2/11
椭圆形标准封头数据表_第3页
3/11
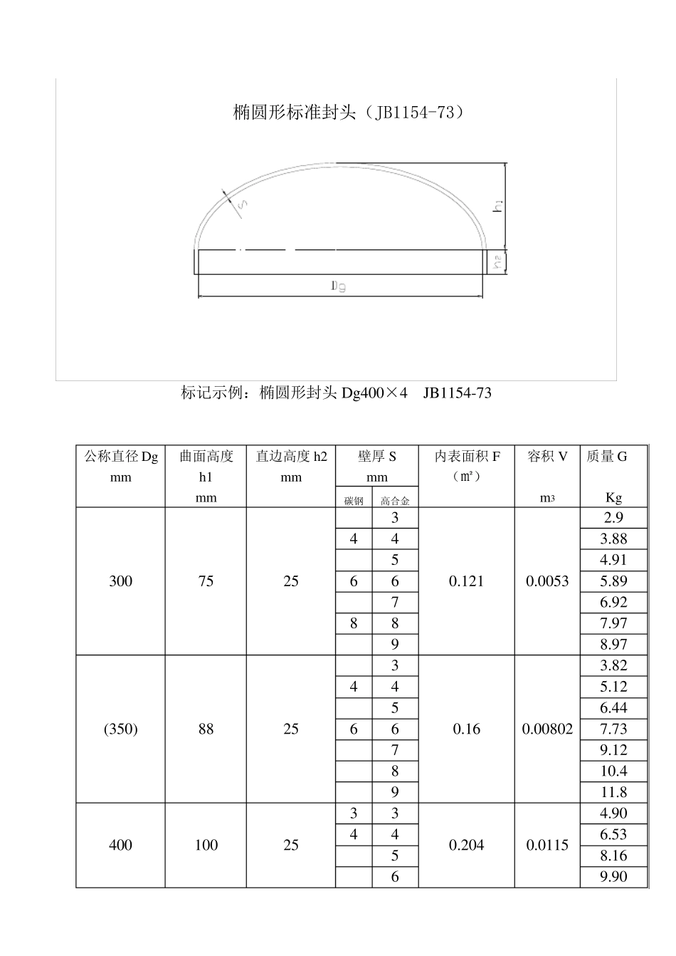
椭圆形标准封头(JB1154-73) 标记示例:椭圆形封头Dg400×4 JB1154-73 公称直径 Dg m m 曲面高度h1 m m 直边高度 h2 m m 壁厚 S m m 内表面积 F (㎡) 容积 V m 3 质量 G Kg 碳钢 高合金 300 75 25 3 0.121 0.0053 2.9 4 4 3.88 5 4.91 6 6 5.89 7 6.92 8 8 7.97 9 8.97 (350) 88 25 3 0.16 0.00802 3.82 4 4 5.12 5 6.44 6 6 7.73 7 9.12 8 10.4 9 11.8 400 100 25 3 3 0.204 0.0115 4.90 4 4 6.53 5 8.16 6 9.90 公称直径Dg m m 曲面高度h1 m m 直边高度h2 m m 壁厚S m m 内表面积F (㎡) 容积V m 3 质量 G Kg 400 100 25 7 0.204 0.0115 11.0 8 8 13.3 9 15.5 40 10 10 0.223 0.0134 18.3 12 12 22.1 14 14 26.0 16 16 30.0 (450) 112 25 3 0.254 0.158 6.07 4 4 8.20 5 10.3 6 6 12.3 7 14.7 8 16.6 9 18.6 40 10 0.275 0.0183 22.7 12 27.0 14 32.0 16 36.9 18 42.0 500 125 25 3 0.309 0.0213 7.30 4 4 10.0 5 12.5 6 6 15.1 7 17.6 8 8 20.1 40 9 22.6 10 10 0.333 0.0242 27.1 12 12 32.7 14 14 38.5 16 16 45.2 18 18 50.5 50 20 20 0.349 0.0262 59.0 600 150 25 3 0.436 0.0352 10.4 4 4 13.8 5 17.6 6 6 21.2 7 24.7 公称直径Dg m m 曲面高度h1 m m 直边高度h2 m m 壁厚S m m 内表面积F (㎡) 容积V m 3 质量 G Kg 600 150 25 8 8 0.436 0.0352 28.3 9 31.8 40 10 0.464 0.0396 37.7 10 12 46.0 12 14 53.9 14 16 61.5 16 18 70.0 50 20 20 0.483 0.0425 80.5 22 22 83.6 24 24 97.6 (650) 162 25 3 0.507 0.0442 12.0 4 4 16.3 5 20.3 6 6 24.5 7 28.5 8 8 32.7 9 36.7 40 10 0.538 0.0493 44.0 12 53.0 14 62.0 4 16 72.0 18 80.0 50 6 20 0.558 0.0526 93.0 22 104 8 24 113 700 175 25 3 0.584 0.0545 14.0 4 4 18.5 5 23.4 6 6 28.2 7 33.0 8 8 37.7 9 42.6 40 10 10 0.617 0.0603 50.3 12 12 60.0 14 14 71.4 16 16 81.6 18 18 91.6 公称直径Dg m m 曲面高度h1 m m 直边高度h2 m m 壁厚S m m 内表面积F ...

1、当您付费下载文档后,您只拥有了使用权限,并不意味着购买了版权,文档只能用于自身使用,不得用于其他商业用途(如 [转卖]进行直接盈利或[编辑后售卖]进行间接盈利)。
2、本站所有内容均由合作方或网友上传,本站不对文档的完整性、权威性及其观点立场正确性做任何保证或承诺!文档内容仅供研究参考,付费前请自行鉴别。
3、如文档内容存在违规,或者侵犯商业秘密、侵犯著作权等,请点击“违规举报”。

碎片内容

椭圆形标准封头数据表

确认删除?
VIP
微信客服
  • 扫码咨询
会员Q群
  • 会员专属群点击这里加入QQ群
客服邮箱
回到顶部