电脑桌面
添加小米粒文库到电脑桌面
安装后可以在桌面快捷访问

槽板配线安装施工工艺艺标准

槽板配线安装施工工艺艺标准_第1页
1/8
槽板配线安装施工工艺艺标准_第2页
2/8
槽板配线安装施工工艺艺标准_第3页
3/8
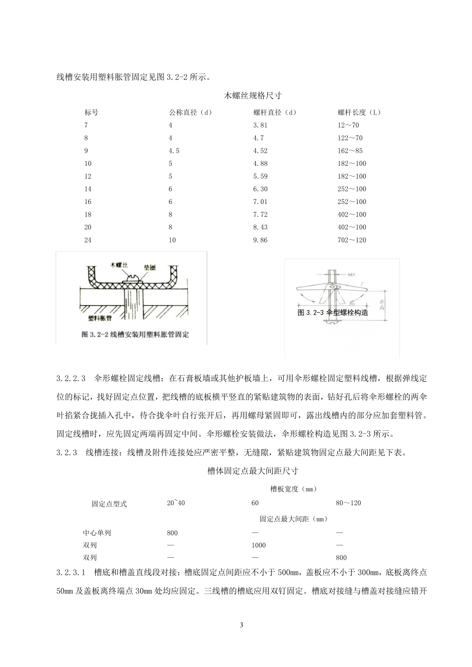
1 槽板配线安装施工工艺艺标准 1 适用范围 本工艺标准适用于干燥室内的电气照明及小负荷用电设备的明配线工程。常用槽板有两种,一种是木槽板,另一种是塑料槽板。 2 施工准备 2.1 原材料要求 2.1.1 塑料线槽:由槽底板、板槽盖板及附件组成,它是由难燃型硬聚氯乙烯工程塑料挤压成型,严禁使用非难燃型材料加工。选用塑料线槽时,应根据设计要求选择型号、规格相应的定型产品。其敷设场所的环境温度不得低于-15℃,其氧指数不应低于27%;木槽板应涂绝缘漆及防火涂料。以上线槽内外应光滑无棱刺,不应有扭曲、翘边变形现象,并有阻燃标记和产品合格证,外壁应有间距不大于1m的连续阻燃标记和制造厂标。 2.1.2 绝缘导线的型号、规格必须符合设计要求,线槽内敷设导线的线蕊最小允许截面:铜导线为1.0mm2,铝导线为2.5mm2。 2.1.3 螺旋接线钮:应根据导线截面和导线根数,选择相应型号的加强型绝缘钢壳 螺旋接线钮。 2.1.4 LC 型压线帽 :应具 有阻燃性 能 氧指数为27%以上,适用于铝导线2.5mm2、4mm2两种,适用于铜导线1mm2至4mm2结 头 压接,分 为黄 、白 、红 、绿 、蓝 五 种颜 色 ,可 根据导线截面和根数选择使用( 铝导线绿 、蓝 ;铜导线用黄 、白 、红 )。 2.1.5 套 管 :有铜套 管 、铝套 管 及铜铝过 渡 套 管 三 种,选用时应采 用与 导线规格相应的同 材质 套 管 。 2.1.6 接线端 子 :选用时应根据导线的根数和总 截面,选用相应规格的接线端 子 。 2.1.7 木砖 :用木材制成梯 形,使用时应做 防腐 处 理 。 2.1.8 塑料胀 管 :选用时,其规格应与 被 紧 固 的电气器 具 荷重 相对 应,并选择相同 型号的圆 头 螺丝 与垫 圈 配合使用。 2.1.9 镀 锌 材料:选择金 属 材料时,应选用经 过 镀 锌 处 理 的圆 钢、扁 钢、角 钢、螺丝 、螺栓 、螺母 、垫 圈 、弹 簧 垫 圈 等 ,非镀 锌 金 属 材料需 进 行 防锈 和防腐 处 理 。 2.1.10 辅 助 材料:钻 头 、电焊 条 、氧气、乙炔 气、焊 剂 、调 和漆、防锈 漆、橡 胶 绝缘带 或 粘 塑料绝缘带 、黑 胶 布 、石 膏 等 。 2.2 主 要机 具 2.2.1 铅 笔 、卷 尺 、线坠 、粉 线袋 、电工常用工具 、活 扳 子 、手 锤 。 2.2.2 钢锯 、钢锯 条 、喷 灯 、锡 锅 、锡 勺 。 2 2.2.3 手电钻、...

1、当您付费下载文档后,您只拥有了使用权限,并不意味着购买了版权,文档只能用于自身使用,不得用于其他商业用途(如 [转卖]进行直接盈利或[编辑后售卖]进行间接盈利)。
2、本站所有内容均由合作方或网友上传,本站不对文档的完整性、权威性及其观点立场正确性做任何保证或承诺!文档内容仅供研究参考,付费前请自行鉴别。
3、如文档内容存在违规,或者侵犯商业秘密、侵犯著作权等,请点击“违规举报”。

碎片内容

槽板配线安装施工工艺艺标准

确认删除?
VIP
微信客服
  • 扫码咨询
会员Q群
  • 会员专属群点击这里加入QQ群
客服邮箱
回到顶部