电脑桌面
添加小米粒文库到电脑桌面
安装后可以在桌面快捷访问

橡胶促进剂专题

橡胶促进剂专题_第1页
1/24
橡胶促进剂专题_第2页
2/24
橡胶促进剂专题_第3页
3/24
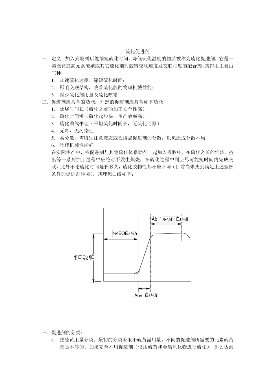
硫化促进剂 一.定义:加入到胶料后能缩短硫化时间、降低硫化温度的物质被称为硫化促进剂,它是一类能够提高元素硫磺或其它硫化剂对胶料交联速度及交联程度的配合剂。其作用主要由三种: 1. 加速硫化速度,缩短硫化时间; 2. 影响交联结构,改善硫化胶的物理机械性能; 3. 减少硫化剂用量及硫化喷霜 二.促进剂应具备的功能:理想的促进剂应具备如下功能 1. 焦烧时间长(硫化之前的加工安全性高) 2. 硫化时间短(硫化起步快,生产效率高) 3. 硫化曲线平坦(平坦硫化时间长,无硫化还原) 4. 无毒,无污染性 5. 易分散,需特别注意液态或低熔点促进剂的分散,以免造成分散不均 6. 物理机械性能好 在实际生产中,将促进剂与其他硫化体系助剂一起加入橡胶中,在硫化之前的混炼、挤出等一系列加工过程中应绝对不发生焦烧,在硫化过程中则应尽可能短时间内完成交联,此外不论硫化时间延长多久,硫化胶物性都不应下降(目前尚未找到满足上述全部条件的促进剂种类)。其理想曲线如下: Áò»¯ ƽ̹ ʱ¼ä½¹ÉÕʱ¼ä¶¨ÉìÇ¿¶ÈÁò»¯ ʱ¼ä 三.促进剂的分类: a. 按硫黄用量分类:最初的分类着眼于硫黄需用量。不同的促进剂所需要的元素硫黄量是不等的。如果完全不用促进剂(仅用硫黄和金属氧化物进行硫化),那么达到最低交联度所必须的硫黄量最大,这称之为“零类”。若硫黄需要量与此相接近,则所用的促进剂也归入“零类”。其次是仅需少量硫黄的促进剂;最后一类可以完全不用硫黄,即所谓的硫黄给予体或硫化剂。 b. 按活性基团分类:这种方法是按各种促进剂结构中的有效化学组份,及活性基团来分类 促进剂 结构式 类型符号 二硫代氨基甲酸盐 铵盐 NCS-MSRR NSS 金属盐 黄原酸盐类 OCSNR OSS 秋兰姆类 一硫化物 二硫化物 RNCS1-2CNRRRSS NSS 噻唑类 H2CNH2CSCS--R NSS 巯基噻唑 H2CNH2CSCSR NSS 次磺酰胺 H2 CNH2 CSCSNR NSS 有机碱类 醛胺 胍类 胺类 RNHRNHCNH NNN 硫脲类 SRNHRNHC NNS c. 按硫化活性分类:即按硫化速度分类,习惯上,以促进剂M(噻唑类)为标准进行划分。凡硫化速度高于促进剂M 者属超速或超超速促进剂;硫化速度低于促进剂M者属于中速或慢速促进剂 d. 按酸碱性分类 1. 酸性促进剂:本身呈酸性或在硫化时与放出的硫化氢作用而生成酸性物的促进剂。噻唑类、秋兰姆类及二硫代氨基甲酸盐类均属于此类 2. 碱性促进剂:本身呈碱性...

1、当您付费下载文档后,您只拥有了使用权限,并不意味着购买了版权,文档只能用于自身使用,不得用于其他商业用途(如 [转卖]进行直接盈利或[编辑后售卖]进行间接盈利)。
2、本站所有内容均由合作方或网友上传,本站不对文档的完整性、权威性及其观点立场正确性做任何保证或承诺!文档内容仅供研究参考,付费前请自行鉴别。
3、如文档内容存在违规,或者侵犯商业秘密、侵犯著作权等,请点击“违规举报”。

碎片内容

橡胶促进剂专题

小辰9+ 关注
实名认证
内容提供者

出售各种资料和文档

确认删除?
VIP
微信客服
  • 扫码咨询
会员Q群
  • 会员专属群点击这里加入QQ群
客服邮箱
回到顶部