电脑桌面
添加小米粒文库到电脑桌面
安装后可以在桌面快捷访问

江苏省粉尘涉爆企业安全生产专项检查表

江苏省粉尘涉爆企业安全生产专项检查表_第1页
1/6
江苏省粉尘涉爆企业安全生产专项检查表_第2页
2/6
江苏省粉尘涉爆企业安全生产专项检查表_第3页
3/6
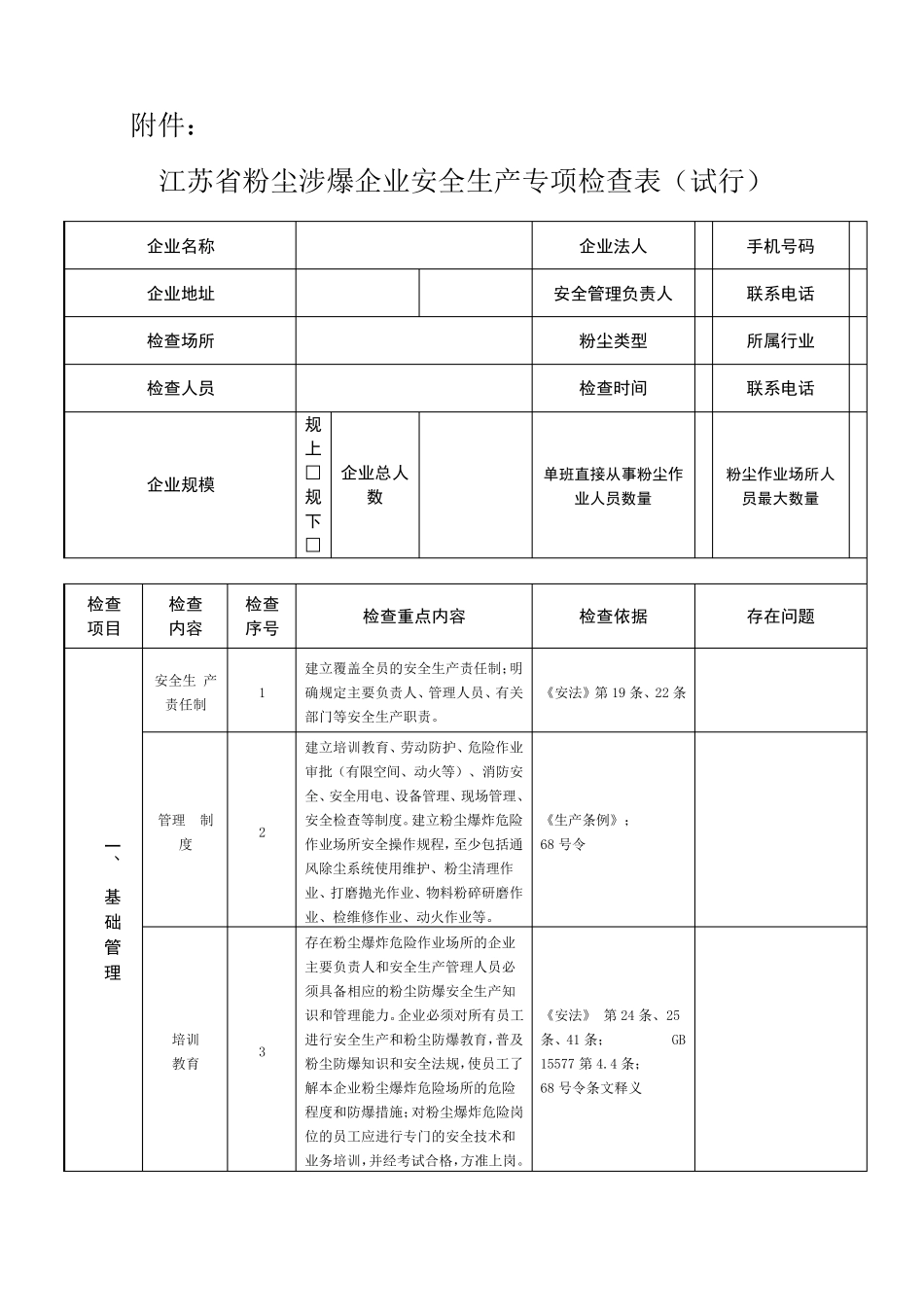
附件: 江苏省粉尘涉爆企业安全生产专项检查表(试行) 企业名称 企业法人 手机号码 企业地址 安全管理负责人 联系电话 检查场所 粉尘类型 所属行业 检查人员 检查时间 联系电话 企业规模 规上 □ 规下 □ 企业总人 数 单班直接从事粉尘作业人员数量 粉尘作业场所人员最大数量 检查 项目 检查 内容 检查 序号 检查重点内容 检查依据 存在问题 一、 基 础 管 理 安全生 产责任制 1 建立覆盖全员的安全生产责任制;明确规定主要负责人、管理人员、有关部门等安全生产职责。 《安法》第 19 条、22 条 管理 制度 2 建立培训教育、劳动防护、危险作业审批(有限空间、动火等)、消防安全、安全用电、设备管理、现场管理、安全检查等制度。建立粉尘爆炸危险作业场所安全操作规程,至少包括通风除尘系统使用维护、粉尘清理作业、打磨抛光作业、物料粉碎研磨作业、检维修作业、动火作业等。 《生产条例》; 68 号令 培训 教育 3 存在粉尘爆炸危险作业场所的企业主要负责人和安全生产管理人员必须具备相应的粉尘防爆安全生产知识和管理能力。企业必须对所有员工进行安全生产和粉尘防爆教育,普及粉尘防爆知识和安全法规,使员工了解本企业粉尘爆炸危险场所的危险程度和防爆措施;对粉尘爆炸危险岗位的员工应进行专门的安全技术和业务培训,并经考试合格,方准上岗。 《安法》 第 24 条、25条、41 条; GB 15577 第 4.4 条; 68 号令条文释义 风险 管理 4 企业应建立隐患排查治理制度,结合本单位粉尘爆炸危险场所的特点,制定本企业粉尘防爆安全防控措施和检查表。组织开展班组、车间、企业危险源辨识,合理确定企业和车间(或工段)检查频次,并做好记录。对排查出的隐患要录入隐患自查自报系统,并向从业人员通报,及时落实整改,消除隐患,形成闭环管理。 《安法》第 38 条、GB15577 第 4.3 条、苏安监〔2014〕40 号 应急 管理 5 企业应根据相关规定,结合企业特点,编制粉尘爆炸专项应急救援预案,组织进行应急救援预案演练,确保相关人员掌握应急预案内容。企业每年至少组织一次综合应急预案演练,每半年至少组织一次粉尘爆炸专项应急预案演练,演练要形成记录。 74 号令; GB 15577第 9.2.1 条、9.2.3 条 二、设 施 设 备 管 理 建(构)筑物 6 粉尘爆炸危险作业场所的厂房,必须满足相关规定要求,并通过消防建筑设计审核,严禁设置在违规多层厂房...

1、当您付费下载文档后,您只拥有了使用权限,并不意味着购买了版权,文档只能用于自身使用,不得用于其他商业用途(如 [转卖]进行直接盈利或[编辑后售卖]进行间接盈利)。
2、本站所有内容均由合作方或网友上传,本站不对文档的完整性、权威性及其观点立场正确性做任何保证或承诺!文档内容仅供研究参考,付费前请自行鉴别。
3、如文档内容存在违规,或者侵犯商业秘密、侵犯著作权等,请点击“违规举报”。

碎片内容

江苏省粉尘涉爆企业安全生产专项检查表

您可能关注的文档

确认删除?
VIP
微信客服
  • 扫码咨询
会员Q群
  • 会员专属群点击这里加入QQ群
客服邮箱
回到顶部