电脑桌面
添加小米粒文库到电脑桌面
安装后可以在桌面快捷访问

电测法实验报告——电阻应变片灵敏系数的测定

电测法实验报告——电阻应变片灵敏系数的测定_第1页
1/6
电测法实验报告——电阻应变片灵敏系数的测定_第2页
2/6
电测法实验报告——电阻应变片灵敏系数的测定_第3页
3/6
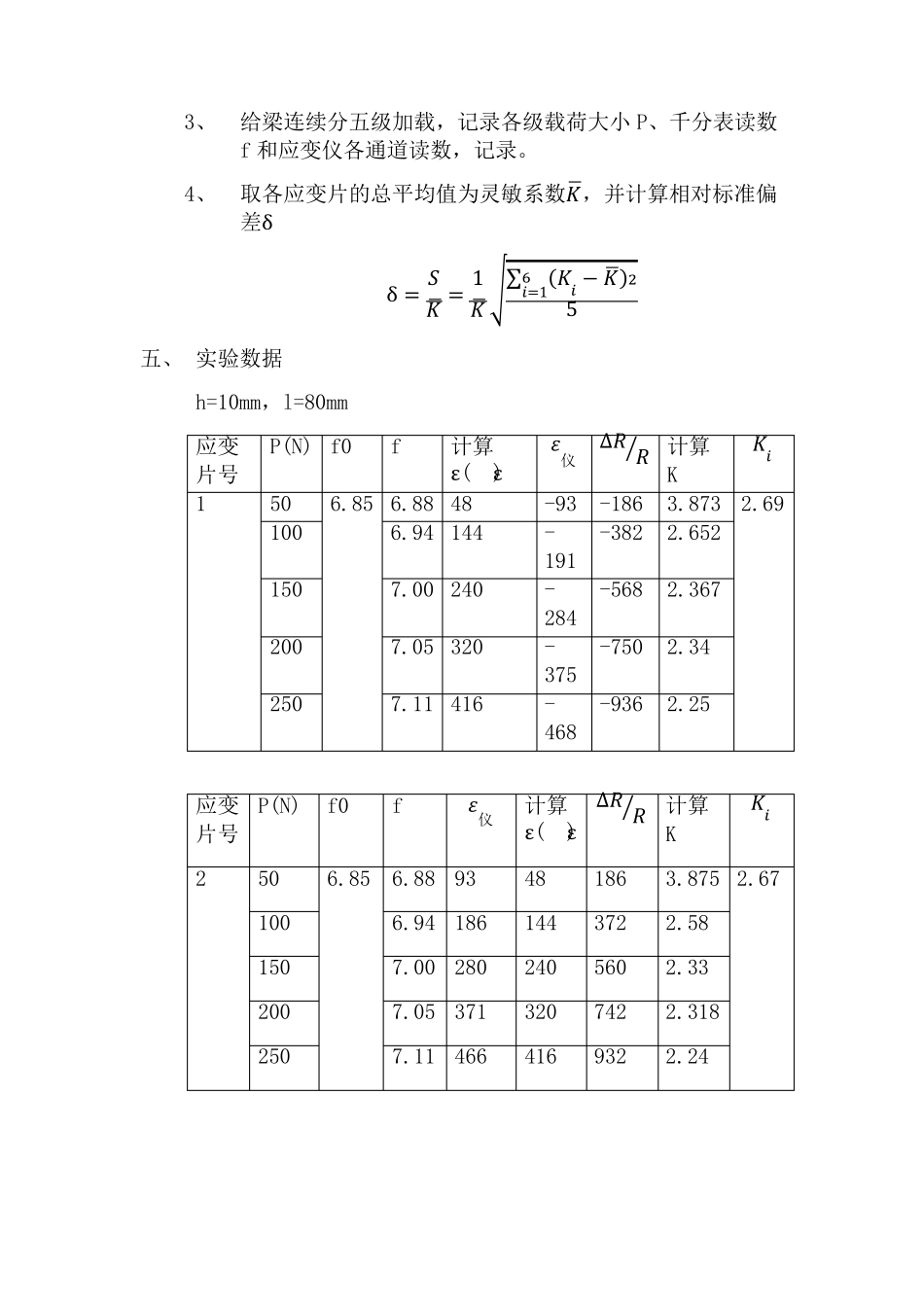
实验二 电阻应变片灵敏系数的测定 一、 实验目的 1、 了解电阻应变片相对电阻变化与所受应变之间的关系。 2、 熟悉静态电阻应变仪及静应变测量的基本方法。 3、 掌握电阻应变片灵敏系数的测定方法。 二、 实验仪器和设备 1、 带加载装置的等强度梁装置,温度补偿块 2、 在梁上沿轴向正反两面各粘贴 3 枚应变片 3、 静态电阻应变仪 4、 三点挠度计 三、 实验原理 原理:∆ᵄᵄ = Kε → K = ∆ᵄᵄε → {∆ᵄᵄ = ᵃ仪ᵰ仪ᵰ = fhᵅ2→ ᵃ =ᵅ2ᵃ仪ᵰ仪ᵅ h f:梁的挠度 h:梁的厚度 l:挠度计的半跨度 因此只需测量电阻应变仪的指示应变,梁的挠度即可求得该电阻应变片的灵敏系数。 四、 实验步骤 1、 安装等强度梁和挠度计,将 6 枚应变片按 1/4 桥接入应变仪,将温度补偿块接入公共补偿,力传感器接入专用测量桥路 2、 给梁加卸载 2-3 次,记录挠度计上千分表初始读数ᵅ0,是指应变仪测量参数,并在无载荷下对各通道进行电阻预调平衡。 3、 给梁连续分五级加载,记录各级载荷大小 P、千分表读数f 和应变仪各通道读数,记录。 4、 取各应变片的总平均值为灵敏系数ᵃ̅,并计算相对标准偏差δ δ = ᵄᵃ̅ = 1ᵃ̅ √∑(ᵃᵅ − ᵃ̅)26ᵅ=15 五、 实验数据 h=10mm,l=80mm 应变片号 P(N) f0 f 计算ε(με) ᵰ仪 ∆ᵄ ᵄ⁄ 计算K ᵃᵅ 1 50 6.85 6.88 48 -93 -186 3.873 2.69 100 6.94 144 -191 -382 2.652 150 7.00 240 -284 -568 2.367 200 7.05 320 -375 -750 2.34 250 7.11 416 -468 -936 2.25 应变片号 P(N) f0 f ᵰ仪 计算ε(με) ∆ᵄ ᵄ⁄ 计算K ᵃᵅ 2 50 6.85 6.88 93 48 186 3.875 2.67 100 6.94 186 144 372 2.58 150 7.00 280 240 560 2.33 200 7.05 371 320 742 2.318 250 7.11 466 416 932 2.24 应变片号 P(N) f0 f ᵰ仪 计算ε(με) ∆ᵄ ᵄ⁄ 计算 K ᵃᵅ 3 50 6.85 6.88 -93 48 -186 3.875 2.67 100 6.94 -187 144 -374 2.597 150 7.00 -280 240 -560 2.330 200 7.05 -370 320 -740 2.312 250 7.11 -464 416 -928 2.231 应变片号 P(N) f0 f ᵰ仪 计算ε(με) ∆ᵄ ᵄ⁄ 计算K ᵃᵅ 4 50 6.85 6.88 123 48 246 5.125 3.54 100 6.94 245 144 490 3.403 150 7.00 374 240 748 ...

1、当您付费下载文档后,您只拥有了使用权限,并不意味着购买了版权,文档只能用于自身使用,不得用于其他商业用途(如 [转卖]进行直接盈利或[编辑后售卖]进行间接盈利)。
2、本站所有内容均由合作方或网友上传,本站不对文档的完整性、权威性及其观点立场正确性做任何保证或承诺!文档内容仅供研究参考,付费前请自行鉴别。
3、如文档内容存在违规,或者侵犯商业秘密、侵犯著作权等,请点击“违规举报”。

碎片内容

电测法实验报告——电阻应变片灵敏系数的测定

小辰3+ 关注
实名认证
内容提供者

出售各种资料和文档

相关文档

确认删除?
VIP
微信客服
  • 扫码咨询
会员Q群
  • 会员专属群点击这里加入QQ群
客服邮箱
回到顶部