电脑桌面
添加小米粒文库到电脑桌面
安装后可以在桌面快捷访问

矿井窄轨铁道线路

矿井窄轨铁道线路_第1页
1/34
矿井窄轨铁道线路_第2页
2/34
矿井窄轨铁道线路_第3页
3/34
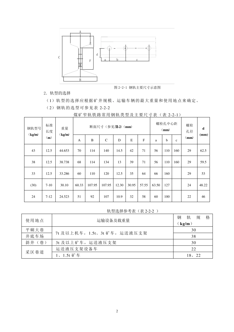
1 第二章 矿井窄轨铁道线路 第一节 概 述 一、窄轨铁道线路的分类 根据煤矿矿井现行窄轨铁道系统,按轨距分类有三种: 900 mm、762 m m 、600m m 。 根据矿井运输情况,窄轨铁道分为主要运输轨道线路和一般运输轨道线路。 主要运输轨道线路包括:井底车场、主要运输大巷、主要运输石门、井下主要斜井绞车道、地面运煤、运矸干线和集中装载站车场的轨道。 一般运输线路包括:采区轨道线路、采区石门、采区上下山、采区岩石集中轨道巷、联络巷、工作面顺槽、掘进工作面后部使用的所有轨道运输线路,其它采用轨道运输的线路。 二、窄轨铁道线路的组成 窄轨铁道线路由两大部分组成,即铁道下部建筑和铁道上部建筑。 煤矿地面铁道的下部建筑包括:路基和附属设备(排水和防护加固设备),桥涵建筑(桥梁、隧道、涵洞)。 煤矿井下铁道的下部建筑是巷道底板和水沟。铺设永久性铁道应是稳定、坚硬的岩层。如果因技术上的需要,巷道必须做在软岩层时,底板要砌倒拱碹。 铁道上部建筑包括:道床、轨枕、道岔、连接零件、安全设备等。 第二节 钢轨及道岔 一、钢轨 1、钢轨的分类 钢轨类型以每米长的大致重量的千克数 来 表 示 。我 国 煤矿窄轨铁路经 常 使用的钢轨类型有 15kg/m 、18 kg/m 、22 kg/m 24 kg/m 、30 kg/m 、38 kg/m 。其中主要运输大巷和井底车场采用 22 m /kg 以上轨型的钢轨,随 着 矿井规 模 的不 断扩 大、窄轨机 车运行速 度 的提 高 和运量、运距的增 加, 30 m /kg 和 38 m /kg 轨型的钢轨开 始 在井下使用。 煤矿窄轨铁道使用的钢轨标 准 断 面和主要尺 寸 示 意 图 见 图2-2-1。 煤矿窄轨铁道常 用的钢轨类型及主要尺 寸 见 表2-2-1。 2 CFBbEdaDAc 图2-2-1 钢轨主要尺寸示意图 2.轨型的选择 (1)轨型的选择应根据矿井规模、运输车辆的最大重量和使用地点来确定。 (2)钢轨的选型可参见表 2-2-2 煤矿窄轨铁路常用钢轨类型及主要尺寸表(表 2-2-1) 轨型选择参考表(表 2-2-2 ) 使用地点 运输设备及载重量 钢轨规格(kg/m ) 平硐大巷 7t 及以上机车,1.5t、3t 矿车,运送液压支架 30 井底车场 38 斜井(巷) 3t 及以上矿车,运送液压支架 30 采区巷道 运送液压支架设备车 22 1、1.5t 矿车 18、22 钢轨型号 (kg/m) 标准长度(m ) 重量 (kg/m) 断面尺寸(参见图2-2)(m m) 螺栓孔中...

1、当您付费下载文档后,您只拥有了使用权限,并不意味着购买了版权,文档只能用于自身使用,不得用于其他商业用途(如 [转卖]进行直接盈利或[编辑后售卖]进行间接盈利)。
2、本站所有内容均由合作方或网友上传,本站不对文档的完整性、权威性及其观点立场正确性做任何保证或承诺!文档内容仅供研究参考,付费前请自行鉴别。
3、如文档内容存在违规,或者侵犯商业秘密、侵犯著作权等,请点击“违规举报”。

碎片内容

矿井窄轨铁道线路

您可能关注的文档

确认删除?
VIP
微信客服
  • 扫码咨询
会员Q群
  • 会员专属群点击这里加入QQ群
客服邮箱
回到顶部