电脑桌面
添加小米粒文库到电脑桌面
安装后可以在桌面快捷访问

空气绕圆柱体流动压力分布测定

空气绕圆柱体流动压力分布测定_第1页
1/6
空气绕圆柱体流动压力分布测定_第2页
2/6
空气绕圆柱体流动压力分布测定_第3页
3/6
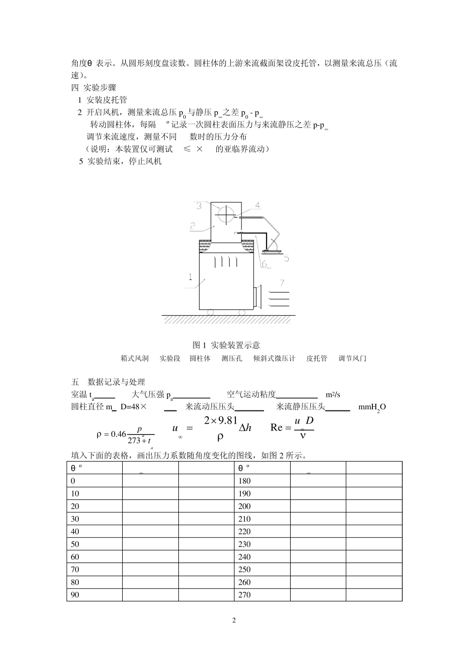
1 空气绕圆柱体流动压力分布测定 一 实验目的 学习固体表面压力的测量方法 结合流体力学,进一步了解平行无环流绕流圆柱体的特点 *(较高要求) 与教材给出的理论压力分布比较,了解实际物体所受的形状阻力的来源 二 实验原理 理想流体平行流绕流圆柱体作无环量流动时,圆柱表面速度分布 sin200uuu (1) 圆柱表面任一点的压力p 根据Bernoulli 方程 gupgup22220  (2) 引入无量纲压力系数 cp 来表征物体上任一点的压力分布 221uppcp (3) 实际流体具有粘性,Re 超过某数值,圆柱后产生涡流,出现尾涡区,破坏圆柱前后压力的对称分布,造成压差阻力。 流动动压 pp0 221u )(81.90hh (4) 式中h0h∞分别为来流总压与静压水头。 圆柱表面一点的压力p )(81.9hhpp (5) 对应的压力系数 hhhhppppcp00 (6) 实验中的空气发生比较低速的流动,可认为空气不可压,密度不变;又空气经过均流段后流经圆柱,可认为平行定常流。实验流动的雷诺数 DuRe 式中D 为圆柱外直径。 三 实验设备 实验系统仍利用箱式风洞,圆柱体置于实验段。圆柱表面有一测压孔,压力信号从与圆柱体相垂直的方向上引出,圆柱能够绕自深轴线转动。压力引出的位置由相对来流前驻点的 2 角度θ 表示。从圆形刻度盘读数。圆柱体的上游来流截面架设皮托管,以测量来流总压(流速)。 四 实验步骤 1 安装皮托管 2 开启风机,测量来流总压p0 与静压p∞之差p0 - p∞ 3 转动圆柱体,每隔10º记录一次圆柱表面压力与来流静压之差p-p∞ 4 调节来流速度,测量不同Re数时的压力分布 (说明:本装置仅可测试Re≤5×105的亚临界流动) 5 实验结束,停止风机 图 1 实验装置示意 1 箱式风洞 2 实验段 3 圆柱体 4 测压孔 5 倾斜式微压计 6 皮托管 7 调节风门 五 数据记录与处理 室温 ta 大气压强 pa 空气运动粘度 m2/s 圆柱直径 m D=48×10-3m 来流动压压头 来流静压压头 mmH2O aa tp27346.0 hu81.92 DuRe 填入下面的表格,画出压力系数随角度变化的图线,如图 2 所示。 θ º h-h∞ cp θ º h-h∞ cp 0 180 10 190 20 200 30 210 40 220 50 230 60 240 70 250 80 260 90 270 3 100 280 110 290 120 300 130 310 140 320 150 330 160 340 170...

1、当您付费下载文档后,您只拥有了使用权限,并不意味着购买了版权,文档只能用于自身使用,不得用于其他商业用途(如 [转卖]进行直接盈利或[编辑后售卖]进行间接盈利)。
2、本站所有内容均由合作方或网友上传,本站不对文档的完整性、权威性及其观点立场正确性做任何保证或承诺!文档内容仅供研究参考,付费前请自行鉴别。
3、如文档内容存在违规,或者侵犯商业秘密、侵犯著作权等,请点击“违规举报”。

碎片内容

空气绕圆柱体流动压力分布测定

小辰3+ 关注
实名认证
内容提供者

出售各种资料和文档

确认删除?
VIP
微信客服
  • 扫码咨询
会员Q群
  • 会员专属群点击这里加入QQ群
客服邮箱
回到顶部