电脑桌面
添加小米粒文库到电脑桌面
安装后可以在桌面快捷访问

空调给水管道隐蔽

空调给水管道隐蔽_第1页
1/9
空调给水管道隐蔽_第2页
2/9
空调给水管道隐蔽_第3页
3/9
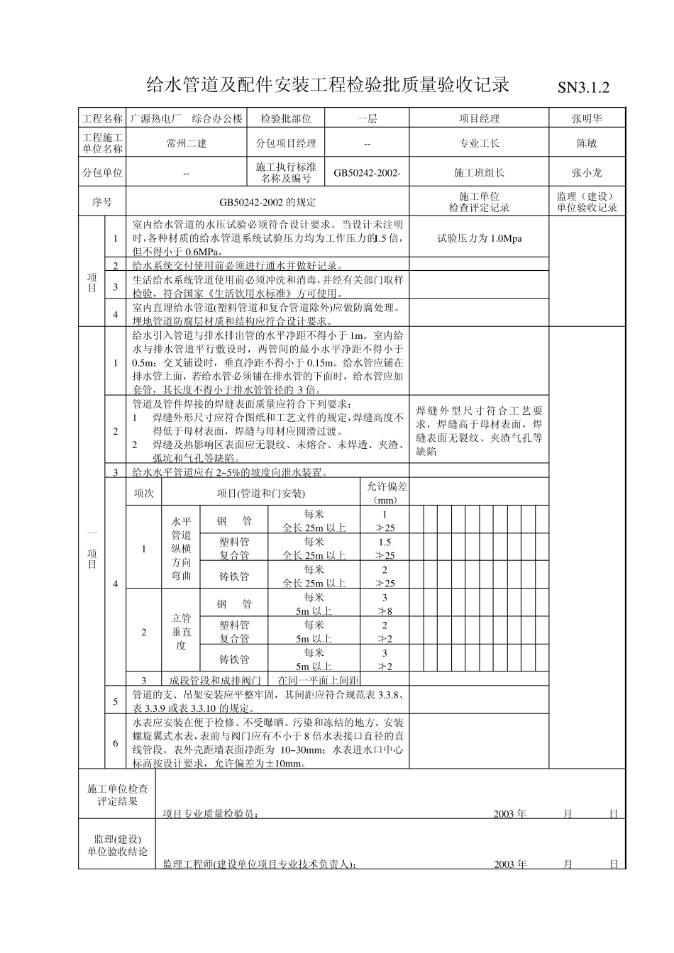
十二、工程质量报验单 工程名称 广源热电厂 综合办公楼 编号 水施-0 0 致 西北电力建设监理常州 项目监理部: 一层空调给水管隐蔽及试压 (分项)工程已完成施工任务,并按工程检验划分规定和有关标准、规范要求进行了自检,质量等级为(优良),现报请查验。 附:自检资料(隐蔽工程、施工和自检记录、质量检验评定及质量保证资料) 1 .. 隐蔽记录 2 . 质量检验评定表 承包商(章) 负责人: 2 0 0 3 年 月 日 项目监理部查验意见: 监理工程师: 2 0 0 3 年 月 日 本表一式三份,由承包商填报,查验后,连同附件,项目法人、项目监理部、承包商各存一份。单项工程竣工报验时,也可用本表。 管道工程隐蔽验收记录 SN2.3 工 程 名 称 广源热电厂 综合办公楼 建 设 单 位 常州广源热能有限公司 分项工程名称 空调给水管道安装 系统名称/编号 设计或规范要求: 1. 镀锌钢管采用丝口连接、无缝管采用焊接 2. 给水管道水压试验压力应达到工作压力的 1.5 倍,大于 0.6Mpa 隐蔽内容及部位: 1. 一层室内管道镀锌钢管安装; 2. 主干管给水无缝钢管安装。 检查结果: 1. 管材有合格证、质保书 2. 丝口完好,外露 2 或3 道螺纹 3. 沥青水泊油防腐 4. 管道压力试验合格,有试验报告 检查人: 验收意见: 合格。 验收人: 专业施工负责人: 专业监理工程师: 施工单位项目经理: 2003 年 月 日 (建设单位项目负责人) 2003 年 月 日 给水管道及配件安装工程检验批质量验收记录 SN3.1.2 工程名称 广源热电厂 综合办公楼 检验批部位 一层 项目经理 张明华 工程施工 单位名称 常州二建 分包项目经理 -- 专业工长 陈敏 分包单位 -- 施工执行标准 名称及编号 GB50242-2002- 施工班组长 张小龙 序号 GB50242-2002 的规定 施工单位 检查评定记录 监理(建设) 单位验收记录 主控项目 1 室内给水管道的水压试验必须符合设计要求。当设计未注明时,各种材质的给水管道系统试验压力均为工作压力的1.5 倍,但不得小于 0.6MPa。 试验压力为 1.0Mpa 2 给水系统交付使用前必须进行通水并做好记录。 3 生活给水系统管道使用前必须冲洗和消毒,并经有关部门取样检验,符合国家《生活饮用水标准》方可使用。 4 室内直埋给水管道(塑料管道和复合管道除外)应做防腐处理。埋地管道防腐层材质和结构应符合设计要求。 一般项目 1 给水...

1、当您付费下载文档后,您只拥有了使用权限,并不意味着购买了版权,文档只能用于自身使用,不得用于其他商业用途(如 [转卖]进行直接盈利或[编辑后售卖]进行间接盈利)。
2、本站所有内容均由合作方或网友上传,本站不对文档的完整性、权威性及其观点立场正确性做任何保证或承诺!文档内容仅供研究参考,付费前请自行鉴别。
3、如文档内容存在违规,或者侵犯商业秘密、侵犯著作权等,请点击“违规举报”。

碎片内容

空调给水管道隐蔽

您可能关注的文档

确认删除?
VIP
微信客服
  • 扫码咨询
会员Q群
  • 会员专属群点击这里加入QQ群
客服邮箱
回到顶部