电脑桌面
添加小米粒文库到电脑桌面
安装后可以在桌面快捷访问

第10章发动机欧V和欧VI技术

第10章发动机欧V和欧VI技术_第1页
1/11
第10章发动机欧V和欧VI技术_第2页
2/11
第10章发动机欧V和欧VI技术_第3页
3/11
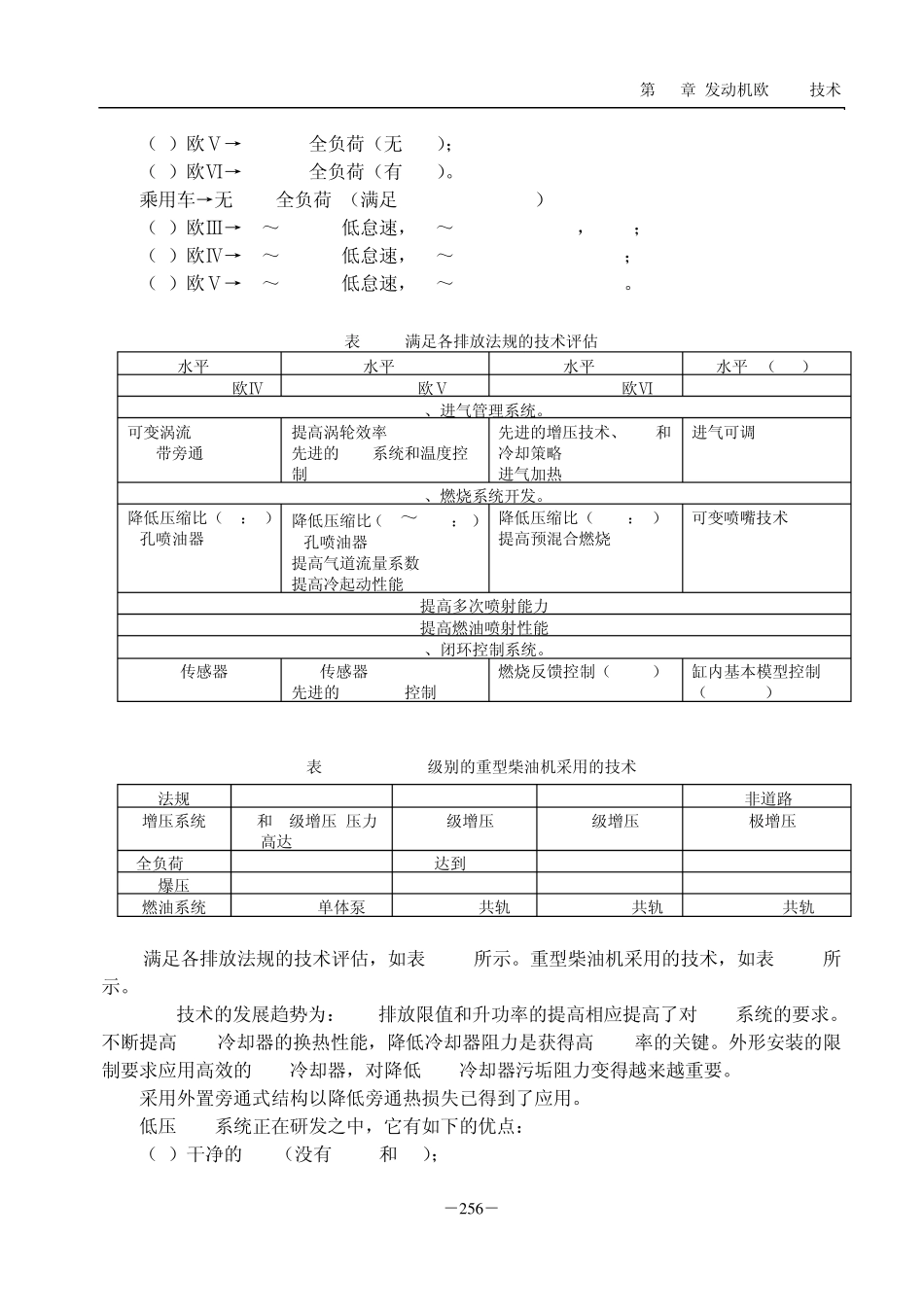
第 10章 发动机欧 V/VI技术 -2 5 5 - 第 10章 发动机欧 V/VI技术 10.1 EGR路线的欧 V技术 欧Ⅲ~欧Ⅴ排放法规限值,如表 10-1所示。针对欧Ⅳ排放,采用 EGR+POC、EGR+DPF和 SCR三种技术路线的结合评估,如表 10-2所示。 表 10-1 排放法规限值 柴油机排放限值、ESC&ETC循环 排放物 欧Ⅲ/2000年 欧Ⅳ/2005年 欧Ⅴ/2008年 ESC ETC ESC ETC ESC ETC CO g/kW.h 2.1 5.45 1.5 4.0 1.5 4.0 HC g/kW.h 0.66 0.55 0.46 0.55 0.46 0.55 NOx g/kW.h 5.0 3.5 2.0 PM g/kW.h 0.1 0.16 0.02 0.03 0.02 0.03 表 10-2 欧Ⅳ排放,对 EGR+POC与 EGR+DPF、SCR三种技术路线的简要评估 优点 缺点 CEGR+POC 最简单的后处理 对终端用户的影响最小 对尿素的基础设施没有依赖 发动机更为先进、复杂 无法控制排放性能 需要低硫柴油 增加了发动机尺寸 仅适用于低颗粒排放的发动机 更高的热负荷 燃油消耗更高 CEGR+DPF 能够满足低颗粒要求 对终端用户的影响最小 根据发动机尺寸具有可伸缩性 对尿素的基础设施没有依赖 发动机更为先进、复杂 更高的热负荷 极低硫的柴油 增加了发动机尺寸 后处理控制系统复杂 对服务要求更高 燃油消耗更高 SCR 改善燃油经济性 冷却系统无需改变 对发动机尺寸没有影响 很容易从欧Ⅳ升级到欧Ⅴ 净燃油/尿素消耗优于欧Ⅲ 对终端用户影响比较大 需要尿素供应基础设施 后处理安装较之以前更为复杂 对于采用 EGR的技术路线,从欧Ⅳ升级到欧Ⅴ,必须加大EGR率来达到欧Ⅴ的 NOx排放限值,如图10-1和图10-2所示。从欧Ⅳ排放升级到欧Ⅴ,对空燃比与 EGR率的统计,如图10-3所示。 中型和重型柴油机排放策略:(满足 GB17691-2005) (1)欧Ⅲ→无 EGR; (2)欧Ⅳ→15%EGR@全负荷(无 SCR); 第10章 发动机欧V/VI技术 -2 5 6 - (3)欧Ⅴ→25%EGR@全负荷(无 SCR); (4)欧Ⅵ→30%EGR@全负荷(有 SCR)。 乘用车→无 EGR@全负荷:(满足 GB18352.3-2005) (1)欧Ⅲ→40~45%EGR低怠速,30~35% @ 2000rpm,3bar; (2)欧Ⅳ→45~50%EGR低怠速,35~40% @ 2000rpm,3bar; (3)欧Ⅴ→50~60%EGR低怠速,40~45% @ 2000rpm,3bar。 表 10-3 满足各排放法规的技术评估 水平 1 水平 2 水平 3 水平 4(TBC) T2 Bin9 LDT 欧Ⅳ T2 Bin8 LDT,欧Ⅴ T2 Bin 5 LDV,欧Ⅵ T2 Bin 5 LDT? 1、进...

1、当您付费下载文档后,您只拥有了使用权限,并不意味着购买了版权,文档只能用于自身使用,不得用于其他商业用途(如 [转卖]进行直接盈利或[编辑后售卖]进行间接盈利)。
2、本站所有内容均由合作方或网友上传,本站不对文档的完整性、权威性及其观点立场正确性做任何保证或承诺!文档内容仅供研究参考,付费前请自行鉴别。
3、如文档内容存在违规,或者侵犯商业秘密、侵犯著作权等,请点击“违规举报”。

碎片内容

第10章发动机欧V和欧VI技术

小辰3+ 关注
实名认证
内容提供者

出售各种资料和文档

确认删除?
VIP
微信客服
  • 扫码咨询
会员Q群
  • 会员专属群点击这里加入QQ群
客服邮箱
回到顶部