电脑桌面
添加小米粒文库到电脑桌面
安装后可以在桌面快捷访问

第1章集装器

第1章集装器_第1页
1/18
第1章集装器_第2页
2/18
第1章集装器_第3页
3/18
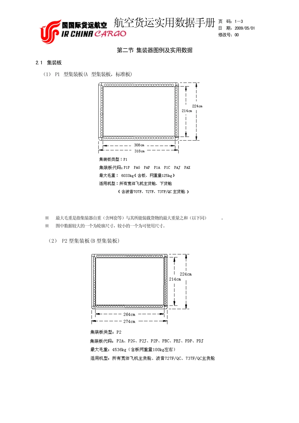
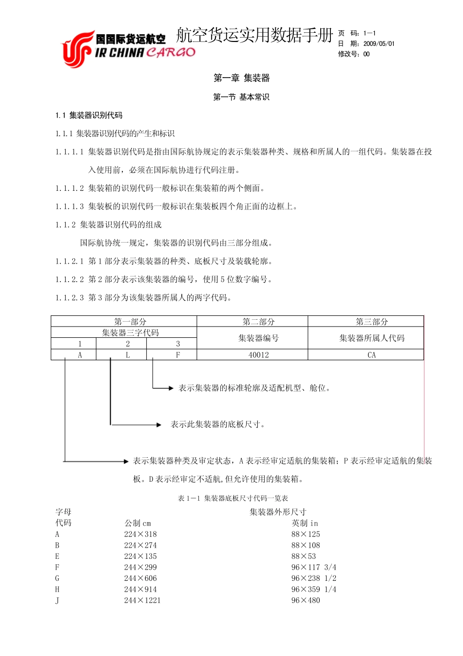
航空货运实用数据手册 页 码:1-1 日 期:2009/05/01 修改号:00 第一章 集装器 第一节 基本常识 1.1 集装器识别代码 1.1.1 集装器识别代码的产生和标识 1.1.1.1 集装器识别代码是指由国际航协规定的表示集装器种类、规格和所属人的一组代码。集装器在投入使用前,必须在国际航协进行代码注册。 1.1.1.2 集装箱的识别代码一般标识在集装箱的两个侧面。 1.1.1.3 集装板的识别代码一般标识在集装板四个角正面的边框上。 1.1.2 集装器识别代码的组成 国际航协统一规定,集装器的识别代码由三部分组成。 1.1.2.1 第1 部分表示集装器的种类、底板尺寸及装载轮廓。 1.1.2.2 第2 部分表示该集装器的编号,使用5 位数字编号。 1.1.2.3 第3 部分为该集装器所属人的两字代码。 第一部分 第二部分 第三部分 集装器三字代码 1 2 3 集装器编号 集装器所属人代码 A L F 40012 CA 表示集装器的标准轮廓及适配机型、舱位。 表示此集装器的底板尺寸。 表示集装器种类及审定状态,A 表示经审定适航的集装箱;P 表示经审定适航的集装板。D 表示经审定不适航,但允许使用的集装箱。 表1-1 集装器底板尺寸代码一览表 集装器外形尺寸 字母 代码 公制cm 英制in A 224×318 88×125 B 224×274 88×108 E 224×135 88×53 F 244×299 96×117 3/4 G 244×606 96×238 1/2 H 244×914 96×359 1/4 J 244×1221 96×480 航空货运实用数据手册 页 码:1-2 日 期:2009/05/01 修改号:00 K 153×156 60×62 L 153×318 60×125 M 244×318 96×125 N+ 156×244 62×96 P+ 120×153 47×60 Q+ 153×244 60×96 表 1-2 常用集装设备种类及代码 类型 特征 适用机型 AVE LD3 普通集装箱 所有宽体飞机下货舱 AKE LD3 普通集装箱 所有宽体飞机下货舱 DPE LD2 普通集装箱 限 767 飞机下货舱(注) RKN LD3 冷藏集装箱 所有宽体飞机下货舱 RAK LD7 进口冷藏箱 所有宽体飞机主/下货舱 AAP LD7 集装箱(163cm 高) 所有宽体飞机主/下货舱 AMP LD7 集装箱(163cm 高) 所有宽体飞机主/下货舱 AMA 244cm 高集装箱 波音 747 货机主货舱 DQF 767 双体集装箱 限 767 飞机下货舱 ALF 双体集装箱 所有宽体飞机下货舱(767 禁用) HMJ 马匹运输专用箱 747.MD-11 主货舱 PAG/P1P 标准集装板 所有宽体飞机主/下货舱 PMC/P...

1、当您付费下载文档后,您只拥有了使用权限,并不意味着购买了版权,文档只能用于自身使用,不得用于其他商业用途(如 [转卖]进行直接盈利或[编辑后售卖]进行间接盈利)。
2、本站所有内容均由合作方或网友上传,本站不对文档的完整性、权威性及其观点立场正确性做任何保证或承诺!文档内容仅供研究参考,付费前请自行鉴别。
3、如文档内容存在违规,或者侵犯商业秘密、侵犯著作权等,请点击“违规举报”。

碎片内容

第1章集装器

您可能关注的文档

小辰4+ 关注
实名认证
内容提供者

出售各种资料和文档

相关文档

相关标签

确认删除?
VIP
微信客服
  • 扫码咨询
会员Q群
  • 会员专属群点击这里加入QQ群
客服邮箱
回到顶部