电脑桌面
添加小米粒文库到电脑桌面
安装后可以在桌面快捷访问

某片区城市道路方案设计说明

某片区城市道路方案设计说明_第1页
1/25
某片区城市道路方案设计说明_第2页
2/25
某片区城市道路方案设计说明_第3页
3/25
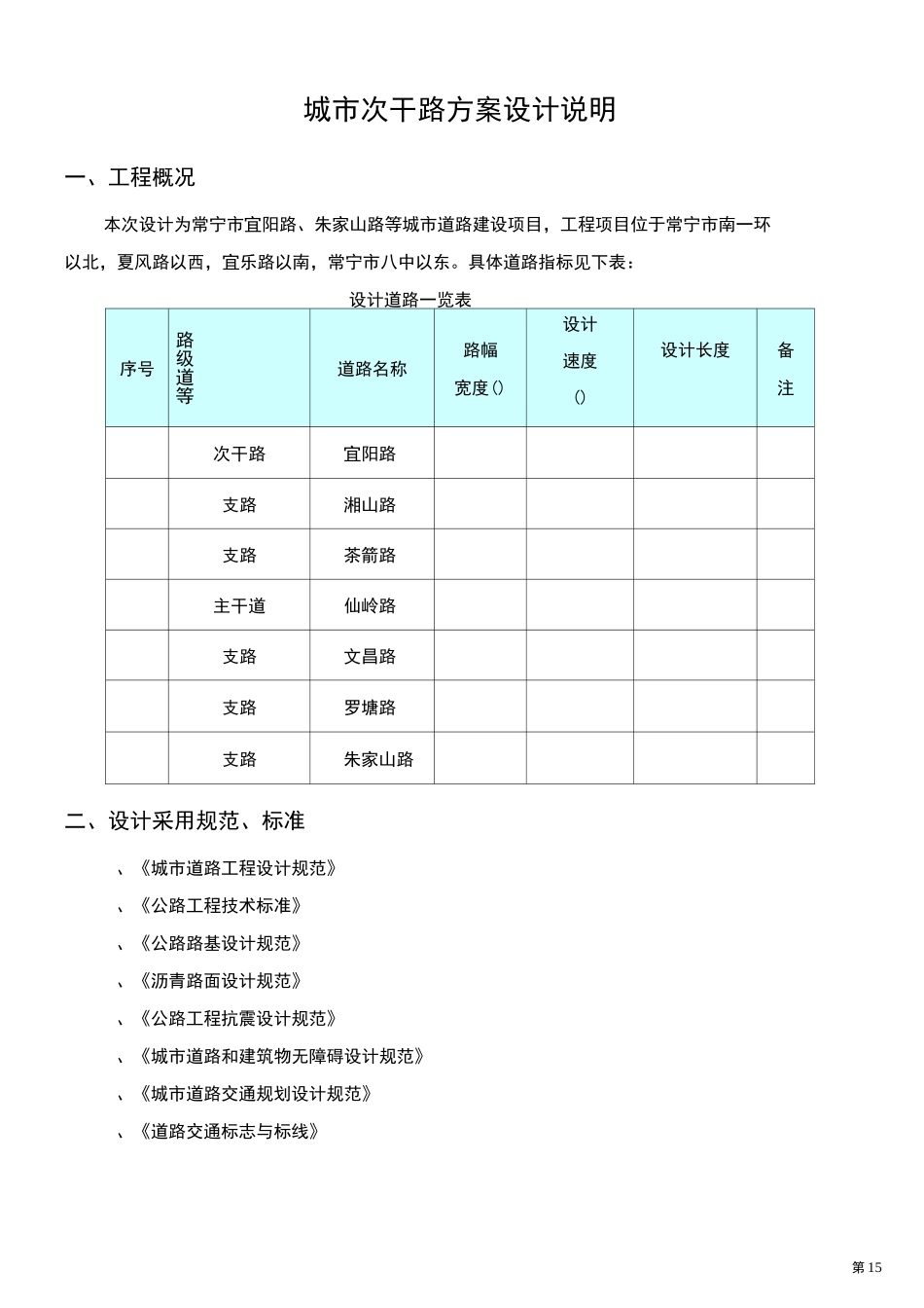
第 15城市次干路方案设计说明一、工程概况本次设计为常宁市宜阳路、朱家山路等城市道路建设项目,工程项目位于常宁市南一环以北,夏风路以西,宜乐路以南,常宁市八中以东。具体道路指标见下表:设计道路一览表序号路级道等道路名称路幅宽度()设计速度()设计长度备注次干路宜阳路支路湘山路支路茶箭路主干道仙岭路支路文昌路支路罗塘路支路朱家山路二、设计采用规范、标准、《城市道路工程设计规范》、《公路工程技术标准》、《公路路基设计规范》、《沥青路面设计规范》、《公路工程抗震设计规范》、《城市道路和建筑物无障碍设计规范》、《城市道路交通规划设计规范》、《道路交通标志与标线》常宁市宜阳路、朱家山路等城市道路建设项目一一方案设计说明[共 11 页[共 11 页项目单位规范要求城市道路等级主干道、次干道、支路道路红线宽度、、、、计算行车速度、、路面设计标准轴载建筑净空机动车道非机动车道2人行道地震设防烈度度不设超高的圆曲线最小半径、、设超高的圆曲线最小半径、、设超高的圆曲线推荐半径、、平曲线最小长度、、第 2》圆曲线最小长度、、缓和曲线最小长度、、最大纵坡推荐值、、纵坡坡段最小长度、、凸型竖曲线极限最小半径、、凸型竖曲线一般最小半径、、凹型竖曲线极限最小半径、、凹型竖曲线一般最小半径、、竖曲线最小长度、、四、建设条件、场地条件根据对现场踏勘,工程范围内一部分为已形成简易路面,一部分为分为未利用土地,施工场地条件较好,沿线对本工程的建设有直接影响的地貌地物主要有鱼塘及房屋建筑。、工程地质条件()地形地貌本次设计道路路均位于常宁市内。累计全长。沿线主要分布有鱼塘、山丘及农田。()地层岩性根据本次勘探所获资料及已收集的区域地质资料,现将本勘探区内的地层岩性由新至老分述如下:根据已收集的区域地质资料,现将本路线范围内的地层岩性由新至老分述如下:① 填筑土():紫红色、褐黄色,成分以粘性土为主,次为粉砂质泥岩风化碎石、卵石等,此层主要分布于宅基地及沿线简易公路。② 耕表土():灰黑色,灰褐色,成分以粘性土为主,含有植物根系,湿,松散或软塑,主要分布于林地及菜地表层。③ 淤泥():灰黑色,成分以粘粒为主,含腐植质,有淤泥嗅味,饱和,软塑〜流塑,主要分布于沿线水塘底部。④粉质粘土():黄色、灰白色、灰黄色,成分以粘粒为主,次为粉粒,含少量灰白色高岭土条纹及黑色铁猛质结核,稍湿,硬塑可塑,切面光滑,无摇震反应,干强度、韧...

1、当您付费下载文档后,您只拥有了使用权限,并不意味着购买了版权,文档只能用于自身使用,不得用于其他商业用途(如 [转卖]进行直接盈利或[编辑后售卖]进行间接盈利)。
2、本站所有内容均由合作方或网友上传,本站不对文档的完整性、权威性及其观点立场正确性做任何保证或承诺!文档内容仅供研究参考,付费前请自行鉴别。
3、如文档内容存在违规,或者侵犯商业秘密、侵犯著作权等,请点击“违规举报”。

碎片内容

某片区城市道路方案设计说明

确认删除?
VIP
微信客服
  • 扫码咨询
会员Q群
  • 会员专属群点击这里加入QQ群
客服邮箱
回到顶部