电脑桌面
添加小米粒文库到电脑桌面
安装后可以在桌面快捷访问

钢梯检验批质量检验记录表

钢梯检验批质量检验记录表_第1页
1/10
钢梯检验批质量检验记录表_第2页
2/10
钢梯检验批质量检验记录表_第3页
3/10
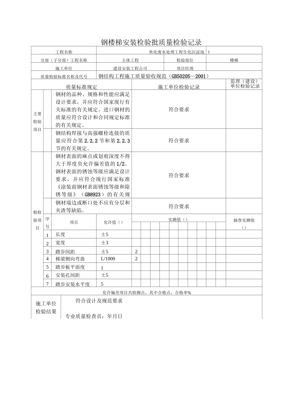
钢楼梯安装检验批质量检验记录表工程名称焦化废水处理工程生化沉淀池1分部(子分部)工程名称主体工程检验部位楼梯施工单位建设安装工程公司项目经理质量检验标准名称及代号钢结构工程施工质量验收规范(GB50205—2001)质量标准规定施工单位检验记录监理(建设)单位检验记录主要检验项目钢材的品种、规格和性能应满足设计要求,并应符合国家现行有关标准的有关规定。进口钢材的质量应符合设计和合同规定标准的有关规定。符合要求钢结构焊接与高强螺栓连接的质量应符合第 2.2.2 节和第 2.2.3节的有关规定。符合要求般检验项目钢材表面的麻点或划痕深度不得大于厚度负允许偏差值的 1/2。钢材表面的锈蚀等级应满足设计要求,并应符合现行国家标准《涂装前钢材表面锈蚀等级和除锈等级》(GB8923)的有关规定。符合要求钢材端边或断口处不应有分层和夹渣等缺陷。符合要求序号项目允许值()实测值()抽查实测值()1长度±52宽度±33踏步间距±524梯梁侧向弯曲L/100025踏步板平面度16安装孔间距±57踏步安装水平度5允许偏差项目共检测点,其中合格点,合格率%施工单位检验结果符合设计及规范要求专业质量检查员:年月日监理(建设)单位检验结论监理工程师:(项目专业技术负责人)年月日工程名称焦化废水处理工程污泥浓缩池1分部(子分部)工程名称主体工程检验部位楼梯施工单位叶县城乡建设安装工程公司项目经理吴清堂质量检验标准名称及代号钢结构工程施工质量验收规范(GB50205—2001)质量标准规定施工单位检验记录监理(建设)单位检验记录主要检验项目钢材的品种、规格和性能应满足设计要求,并应符合国家现行有关标准的有关规定。进口钢材的质量应符合设计和合同规定标准的有关规定。符合要求钢结构焊接与高强螺栓连接的质量应符合第 2.2.2 节和第 2.2.3节的有关规定。符合要求般检验项目钢材表面的麻点或划痕深度不得大于厚度负允许偏差值的 1/2。钢材表面的锈蚀等级应满足设计要求,并应符合现行国家标准《涂装前钢材表面锈蚀等级和除锈等级》(GB8923)的有关规定。符合要求钢材端边或断口处不应有分层和夹渣等缺陷。符合要求序号项目允许值()实测值()抽查实测值()1长度±52宽度±33踏步间距±524梯梁侧向弯曲L/100025踏步板平面度16安装孔间距±57踏步安装水平度5允许偏差项目共检测点,其中合格点,合格率%施工单位检验结果符合设计及规范要求专业质量检查员:年月日监理(建设)单位检验结论监理工程师:(项目专业技术...

1、当您付费下载文档后,您只拥有了使用权限,并不意味着购买了版权,文档只能用于自身使用,不得用于其他商业用途(如 [转卖]进行直接盈利或[编辑后售卖]进行间接盈利)。
2、本站所有内容均由合作方或网友上传,本站不对文档的完整性、权威性及其观点立场正确性做任何保证或承诺!文档内容仅供研究参考,付费前请自行鉴别。
3、如文档内容存在违规,或者侵犯商业秘密、侵犯著作权等,请点击“违规举报”。

碎片内容

钢梯检验批质量检验记录表

您可能关注的文档

确认删除?
VIP
微信客服
  • 扫码咨询
会员Q群
  • 会员专属群点击这里加入QQ群
客服邮箱
回到顶部