电脑桌面
添加小米粒文库到电脑桌面
安装后可以在桌面快捷访问

自动排气阀型号

自动排气阀型号_第1页
1/31
自动排气阀型号_第2页
2/31
自动排气阀型号_第3页
3/31
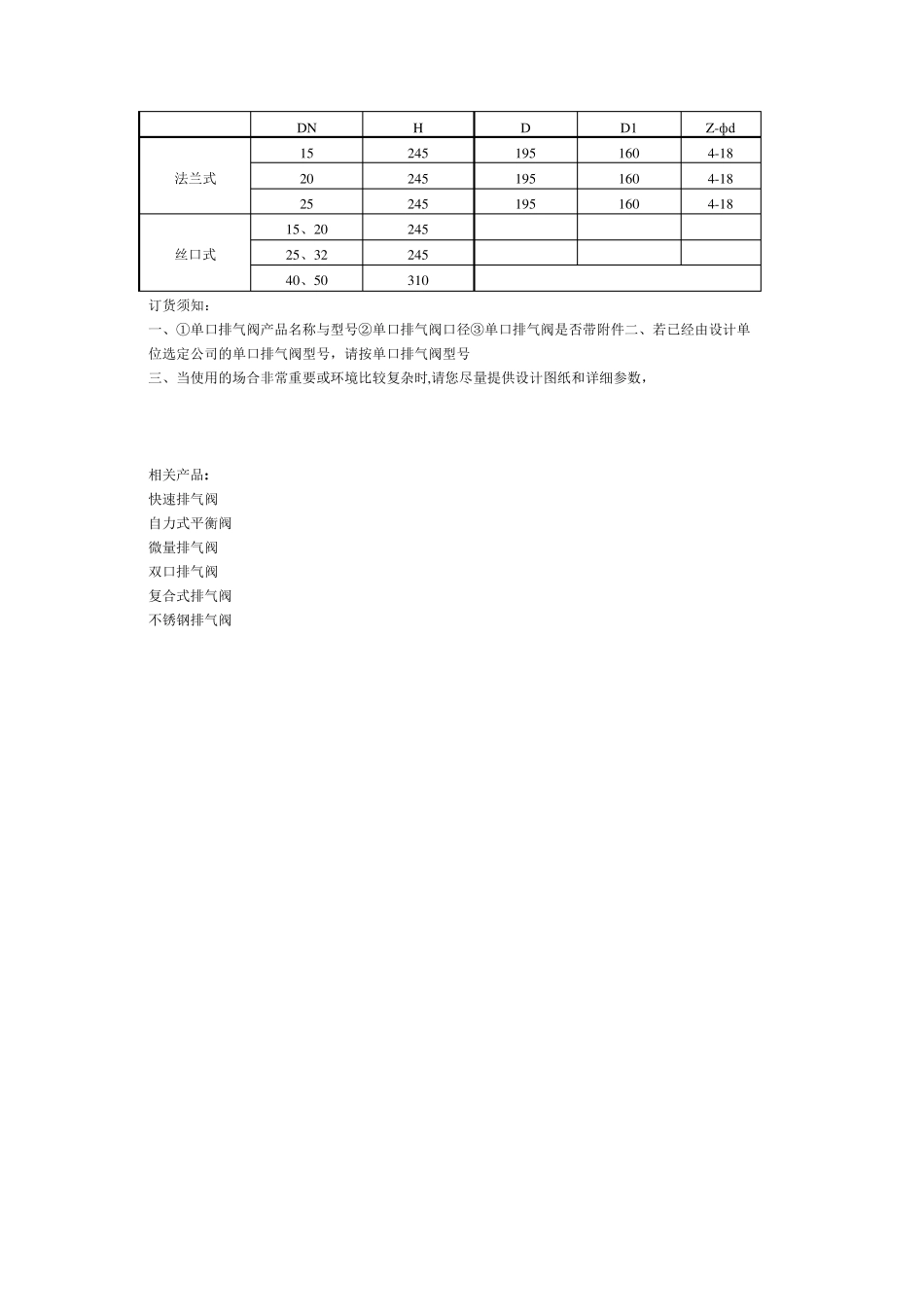
自动排气阀型号 仍不能把轴拉动时,可能是前轴承内座圈已与轴肩顶紧,而外座圈内没有靠在轴承架上。这时,可在前轴泵外圈与轴承架之间加垫圈后重新调整。 d.装上轴承盖(必须压紧后轴承外座圈)。两边球轴承中均应装润滑脂,装满程度以充满轴承室空间 2/3 为宜。 e.装上两边填料和填料压盖。 ⑥试车与验收. a.试车前的准备工作 (a)检查各部螺栓有无松动,零部件、仪表、辅助设备是否完整。 (b)检查轴承的润滑是否良好,循环水系统是否畅通。 (c)盘车应无卡阻或轻重不均的现象。 b.试车试车 2 h 应符合下列要求: (a)运转平稳无杂音; (b)轴封漏损符合要求,附属管路应无跑、冒、滴、漏现象; (c)轴承温度不高于75℃; (d)轴承振幅应符合要求; (e)真空度达铭牌值; (f)电流稳定,且不超过额定值。 c.验收检修质量符合规程要求,检修记录齐全、准确,试车正常,可按规定办理验收手续,交付生产使用。 ⑦常见故障及处理方法常见故障及处理方法见表 4-18。 一、产品概述: 产品型号:Q B1-10 产品名称:单口排气阀 产品特点:本阀门为圆桶状式阀体,其内部结构主要有不锈钢浮球。本阀分为丝扣式和法兰式两种排气阀。 Q BI 型适用与工作温度≤80℃的管路上,作为排除管路内气体的设备。 二、工作原理: 管内开始注水时,浮球会慢慢向上浮起,此时本阀已进行排气。当达到一定压力的进修,浮球紧顶住橡胶圈,说明空气已全部从排气嘴排出。 三、零件材料: 1、 阀体、铸铁 2、 阀盖、铸铁 3、 浮球、不锈钢 4、 塞头、橡胶 5、 排气阀、黄铜 6、 螺丝、螺帽、元钢 四、单口排气阀主要尺寸: DN H D D1 Z-ф d 法兰式 15 245 195 160 4-18 20 245 195 160 4-18 25 245 195 160 4-18 丝口式 15、20 245 25、32 245 40、50 310 订货须知: 一、①单口排气阀产品名称与型号②单口排气阀口径③单口排气阀是否带附件二、若已经由设计单位选定公司的单口排气阀型号,请按单口排气阀型号 三、当使用的场合非常重要或环境比较复杂时,请您尽量提供设计图纸和详细参数, 相关产品: 快速排气阀 自力式平衡阀 微量排气阀 双口排气阀 复合式排气阀 不锈钢排气阀 排气阀>>单口排气阀>>单口自动排气阀 产品名称: 单口自动排气阀 产品型号: QB1 产品口径: DN15-80 产品压力: 1.6Mpa 产品材质: 铸钢、不锈钢、合金钢等 产品概括: 生产标准:国家标准GB、机械标准JB、...

1、当您付费下载文档后,您只拥有了使用权限,并不意味着购买了版权,文档只能用于自身使用,不得用于其他商业用途(如 [转卖]进行直接盈利或[编辑后售卖]进行间接盈利)。
2、本站所有内容均由合作方或网友上传,本站不对文档的完整性、权威性及其观点立场正确性做任何保证或承诺!文档内容仅供研究参考,付费前请自行鉴别。
3、如文档内容存在违规,或者侵犯商业秘密、侵犯著作权等,请点击“违规举报”。

碎片内容

自动排气阀型号

您可能关注的文档

确认删除?
VIP
微信客服
  • 扫码咨询
会员Q群
  • 会员专属群点击这里加入QQ群
客服邮箱
回到顶部