电脑桌面
添加小米粒文库到电脑桌面
安装后可以在桌面快捷访问

工程地质岩心的鉴定和描述

工程地质岩心的鉴定和描述_第1页
1/22
工程地质岩心的鉴定和描述_第2页
2/22
工程地质岩心的鉴定和描述_第3页
3/22
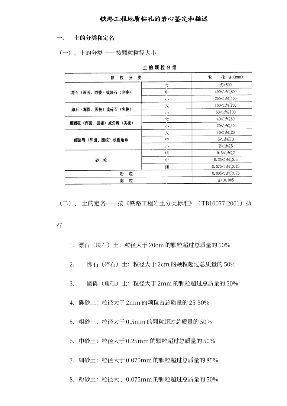
铁路工程地质钻孔的岩心鉴定和描述一.土的分类和定名(一)、土的分类 ——按颗粒粒径大小(二)、 土的定名——按《铁路工程岩土分类标准》(TB10077-2001)执行1.漂石(块石)土:粒径大于 20cm 的颗粒超过总质量的 50%2.卵石(碎石)土:粒径大于 2cm 的颗粒超过总质量的 50%3.圆砾(角砾)土:粒径大于 2mm 的颗粒超过总质量的 50%4.砾砂土:粒径大于 2mm 的颗粒占总质量的 25-50%5.粗砂土:粒径大于 0.5mm 的颗粒超过总质量的 50%6.中砂土:粒径大于 0.25mm 的颗粒超过总质量的 50%7.细砂土:粒径大于 0.075mm 的颗粒超过总质量的 85%8.粉砂土:粒径大于 0.075mm 的颗粒超过总质量的 50%9.粉土:塑性指数等于或小于 10,且粒径大于 0.075mm 的颗粒的质量不超过全部质量的 50%10.粉质黏土:粉粒小于黏粒,塑性指数 10-1711.黏土:主要由黏粒组成,塑性指数大于 17注:定名时应根据颗粒级配,由大到小,以最先符合者确定。(三)、黏性土的分类及野外鉴别1.黏土:极细的均匀土块,搓捻无砂感,黏塑滑腻,易搓成细于0.5mm 的长条2. 粉质黏土:无均质感,搓捻时有砂感,塑性,弱黏结,能搓成比黏土较粗的短土条3. 粉土:有干面似的感觉,砂粒少,粉粒多,潮湿时呈流体状,不能搓成土条、土球(四)、土的潮湿和塑性程度的划分1、黏性土——含粉质黏土、黏土,分为坚硬、硬塑、软塑、流塑 状态名称坚硬硬塑软塑流塑粉质黏土扰动后一般不能捏成团,用锤击和手压土块易碎开,IL<0不能捏成饼,手捏压不易见手指印,易成碎块和粉末IL=能捏成饼,手指轻压可见手印,手捏稍有出水IL=手 捏 表 层 出水 , 手 上 有 明显 湿 印 , 土 体坍 流 成 扁 圆 形IL>黏土不 能 捏 成饼,IL<0能捏成饼,边上多裂口两手相压成饼状 , 粘 于 手手 捏 粘 于 手上,IL>IL=掌,掌中有湿印IL=塑性状态标准贯入锤击数 N(击/30cm) 坚 硬N>32 硬 塑8<N≤32 软 塑 2<N≤8流 塑N≤22、砂性土的潮湿程度的划分——含漂(块)石土、卵(碎)石土、圆砾(角砾)土、砂土,分为稍湿、潮湿及饱和 稍湿 — 呈松散状,手摸时感到潮,饱和度 Sr50%潮湿 — 手捏时手上有湿印,Sr=50-80%饱和 — 空隙中的水可自由流出(地下水位以下),Sr>80%3、粉土潮湿程度的划分稍湿 — 天然含水率 w<20%潮湿 — 天然含水率 w=20-30%饱和 — 天然含水率 w>30%4、土的潮湿程度在钻孔...

1、当您付费下载文档后,您只拥有了使用权限,并不意味着购买了版权,文档只能用于自身使用,不得用于其他商业用途(如 [转卖]进行直接盈利或[编辑后售卖]进行间接盈利)。
2、本站所有内容均由合作方或网友上传,本站不对文档的完整性、权威性及其观点立场正确性做任何保证或承诺!文档内容仅供研究参考,付费前请自行鉴别。
3、如文档内容存在违规,或者侵犯商业秘密、侵犯著作权等,请点击“违规举报”。

碎片内容

工程地质岩心的鉴定和描述

确认删除?
VIP
微信客服
  • 扫码咨询
会员Q群
  • 会员专属群点击这里加入QQ群
客服邮箱
回到顶部