电脑桌面
添加小米粒文库到电脑桌面
安装后可以在桌面快捷访问

项目名称:高密度纤维板项目可行性研究报告

项目名称:高密度纤维板项目可行性研究报告_第1页
1/14
项目名称:高密度纤维板项目可行性研究报告_第2页
2/14
项目名称:高密度纤维板项目可行性研究报告_第3页
3/14
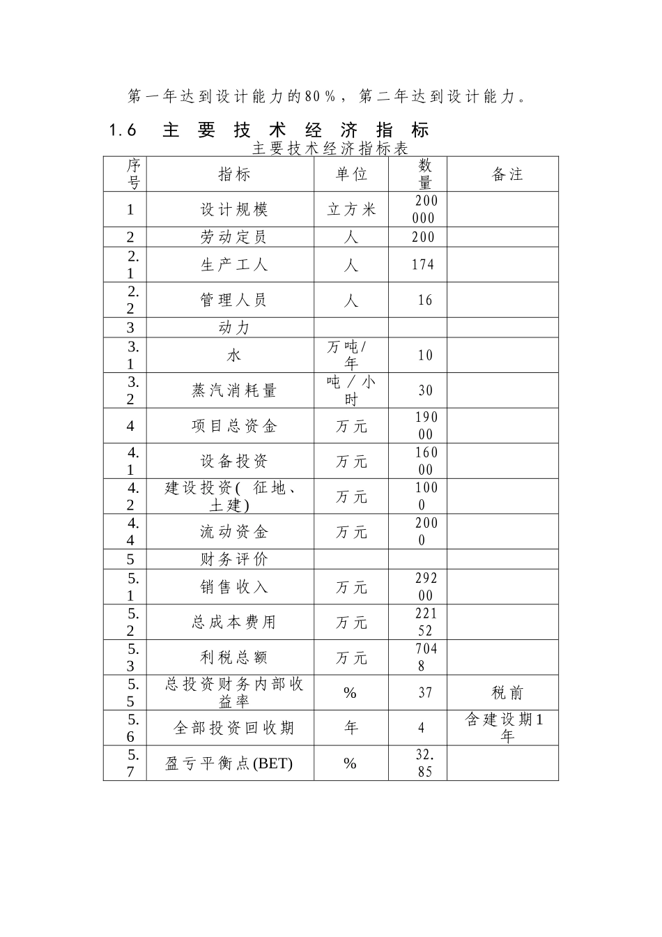
第 一 章 总 论1.1项目名称及承办单位1.1.1项目名称项目名称:高密度纤维板项目1.1.2项目承办单位项目承办单位 :项目法人代表人: 1.1.3拟建地点:XX新区工业园1.2XX新区工业园区简介XX新区工业园区位于XX新区东北部,东到王庄 ,北到义和庄,西靠范新公路,南依濮台高等级公路,规划面积4平方公里。正在建设的德商高速公路、濮范高速公路分别在园区东部、南部穿过,濮台铁路横贯东西,东与京九线接轨,西连京广线。项目区交通便利,地势力平坦、开阔,地貌简单,工程地质条件好,地上、地下无文物,地基承载力均在每平方米12吨左右。1.3项目建设的总体目标及必要性1.3.1 项目建设的总体目标项目产品按国家标准和行业标准组织生产,质量水平达到国内同类产品先进水平,项目整体水平处于国际先进水平。项目投产后,年产 1220 x 2440 x 8-24mm 高密度纤 维 板 20 万 立 方 米 。 若 按 市 场 价 每 立 方 米 售 价 (9mm 计价)1460元/立方米,年销售总值 2.92 亿元, 年工厂总成本2.2152 亿元, 年创利税7048 万元。1.3.2项目建设的必要性森林资源是人类赖以生存重要条件,保护森林资源、充分利用木材,减少树木的砍伐量是我们当代人义不容辞的责任。据有关资料透露, 目前全球每年木材供缺4000 万立方米;据有关专家预测,到 2010 年前,每年缺口将达6000 万立方米。解决木材短缺的途径之一就是大力开发密度纤维板,因为 1 立方米密度纤维板板可代替3 万立方米原木使用。密度纤维板是由美国在七十年代初研制推向市场的一种新型人造板材。该产品问世以 来,以优良的性能得到迅速发展,到1991 年世界产量达到825.6万立方米,平均以每年以21.39%的速度增长,近10年来发展更快,同1991 年相比近乎翻了20倍,已达到15亿立方米。我国人口众多,木材消耗量大,同时森林可采伐量逐年减少,资源贫乏问题越来越严重。在未来15年内,我国仅在家俱、建筑装饰业每年就需要密度纤维板3000 万立方米,预计到2010 年人造板产量达到3500 万立方米才满足社会需求。因此,利用不能成材的树枝杈为原料,制作成板材,其意义重大。高密度纤维板是利用木材 或植物纤维经机械分离和化学处理,掺入胶粘剂和防水剂,再经铺装、成型和高温、高压压制成的一种人造板材。密度板目前一 般意义上是指中密度板,中密度纤维板的概念是:以木质纤维或其他植物纤维为原料,施加尿醛树脂或其他适用的胶粘剂制 成密度在0.5∽0....

1、当您付费下载文档后,您只拥有了使用权限,并不意味着购买了版权,文档只能用于自身使用,不得用于其他商业用途(如 [转卖]进行直接盈利或[编辑后售卖]进行间接盈利)。
2、本站所有内容均由合作方或网友上传,本站不对文档的完整性、权威性及其观点立场正确性做任何保证或承诺!文档内容仅供研究参考,付费前请自行鉴别。
3、如文档内容存在违规,或者侵犯商业秘密、侵犯著作权等,请点击“违规举报”。

碎片内容

项目名称:高密度纤维板项目可行性研究报告

确认删除?
VIP
微信客服
  • 扫码咨询
会员Q群
  • 会员专属群点击这里加入QQ群
客服邮箱
回到顶部