电脑桌面
添加小米粒文库到电脑桌面
安装后可以在桌面快捷访问

乐活家园临时用电施工方案-secret

乐活家园临时用电施工方案-secret_第1页
1/14
乐活家园临时用电施工方案-secret_第2页
2/14
乐活家园临时用电施工方案-secret_第3页
3/14
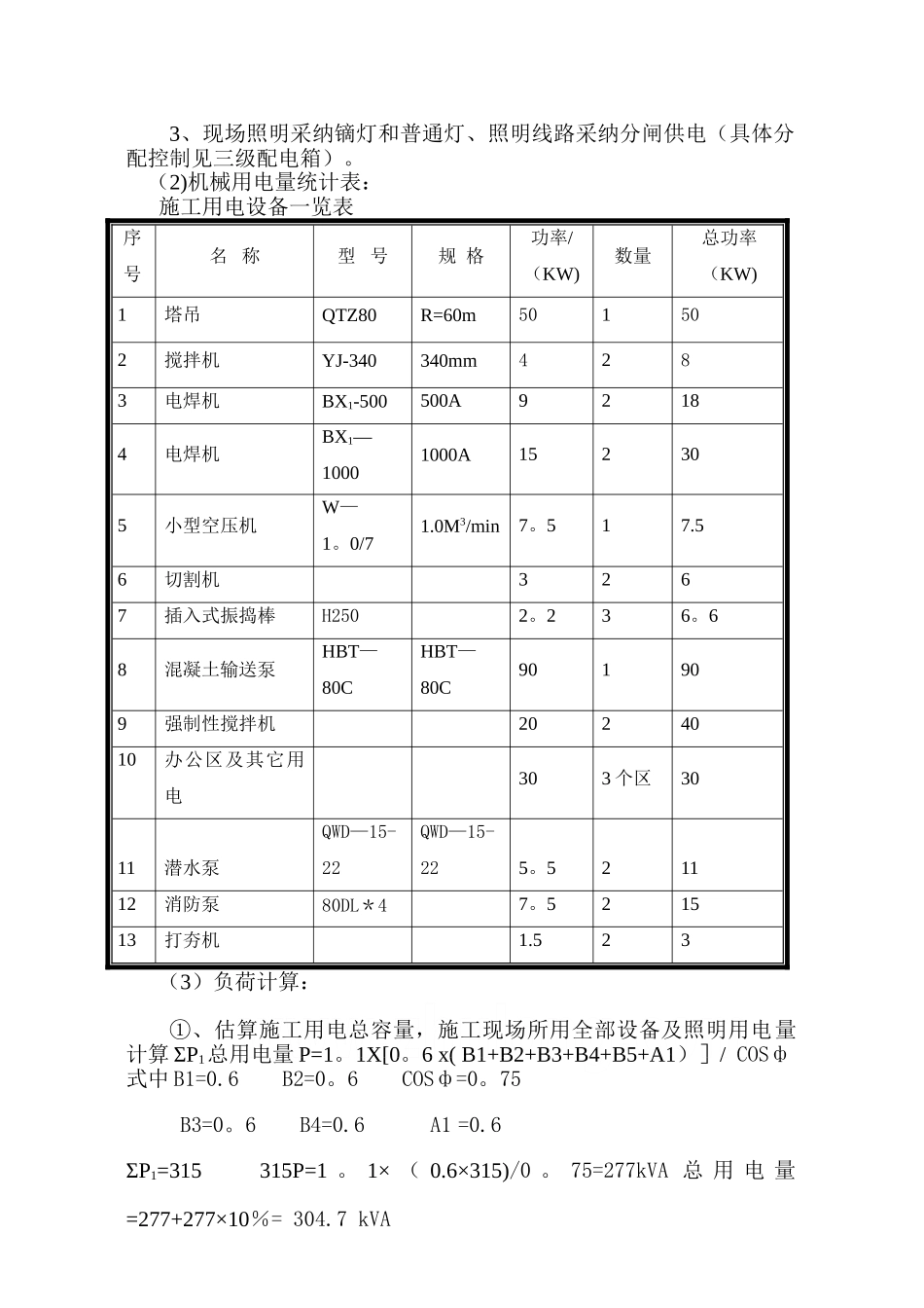
一、编制依据……………………………………………………………………………2二、工程概况……………………………………………………………………………2三、现场机械计划和负荷计算及施工布署……………………………………………2四、施工技术措施及要求………………………………………………………………5五、施工规定及交底……………………………………………………………………11六、现场施工安全措施…………………………………………………………………16七、内业资料……………………………………………………………………………17八、附图…………………………………………………………………………………22一、编制依据1.1《施工现场临时用电安全技术法律规范》(JGJ 46—2024)1。2《建筑施工安全检查标准》(JGJ59—99)1.3《安全生产管理实施细则》1.4《建筑施工高处作业安全技术法律规范》(JGJ80-88)1。5 华北地区建筑设计标准化办公室建筑电气通用图集 (92DQ1—13)1。6 北京市《建筑工程资料管理规程》 (DBJ01-51-2024)1.7《建筑电气设计手册》1。8《临建施工组织设计》二、工程概况本工程南临松林中路(规划路),西邻北京市医药公司,北侧为南二环辅路,结构形式为框架剪力墙结构,建筑面积为 8770.95m2,其中地上建筑面积为 5307。25 地下建筑面积为 3463.7 地下二层层高为 3.3 米,地下一层层高为 3。6 米,首层为 3。6 米,二至五层为 3。4 米总高度为 18 米,室内为高差为 0。1 米.施工范围内无上下水、管道及各种埋地线路,高压线路在本工作业面范围内,需做外电防护。本工程由甲方提供 1 台 315KVA 变压器,电源并配置低压电能计量和不小于 500A 出线开关 1 块,变压器位于施工现场的西北方向,经计算现在基本能满足现场施工用电.三、现场机械计划和负荷计算及施工布署:1、本设计仅负责甲方提供负荷以下总箱、分箱、开关箱、电缆线路等电气开关的技术、维护、使用、故障拆除.2、甲方提供电源位于工程西北角,施工现场在此位置设置现场配电室,再从配电室分两路供电,由电缆线埋地引入施工现场分配电箱,并设立一个一级配电柜.(1)电箱布置情况如下:①、AL1路经过施工现场北侧,设立B1、B2、B3、B4、B5、A1、A2、A3 箱,分设 9 级配电箱,负责部分施工现场用电;主要使用机械为:B1 混凝土泵、B2 现场南、B3 现场北、B4 楼层、B5(QTZ80 塔吊)塔吊用电、A1 办公区用等部分电气。总用电量为...

1、当您付费下载文档后,您只拥有了使用权限,并不意味着购买了版权,文档只能用于自身使用,不得用于其他商业用途(如 [转卖]进行直接盈利或[编辑后售卖]进行间接盈利)。
2、本站所有内容均由合作方或网友上传,本站不对文档的完整性、权威性及其观点立场正确性做任何保证或承诺!文档内容仅供研究参考,付费前请自行鉴别。
3、如文档内容存在违规,或者侵犯商业秘密、侵犯著作权等,请点击“违规举报”。

碎片内容

乐活家园临时用电施工方案-secret

确认删除?
VIP
微信客服
  • 扫码咨询
会员Q群
  • 会员专属群点击这里加入QQ群
客服邮箱
回到顶部