电脑桌面
添加小米粒文库到电脑桌面
安装后可以在桌面快捷访问

安全风险评价风险矩阵法、LEC法

安全风险评价风险矩阵法、LEC法_第1页
1/5
安全风险评价风险矩阵法、LEC法_第2页
2/5
安全风险评价风险矩阵法、LEC法_第3页
3/5
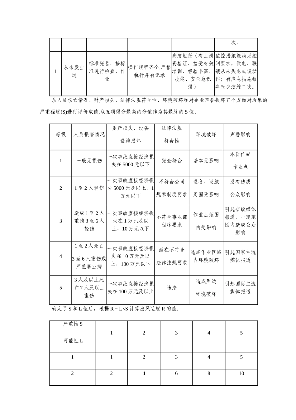
风险矩阵法(L·S)英国石油化工行业最先采纳,即辨识出每个作业单元可能存在的危害,并判定这种危害可能产生的后果及产生这种后果的可能性,二者相乘,得出所确定危害的风险.然后进行风险分级,根据不同级别的风险,实行相应的风险控制措施.风险的数学表达式为:R=L×S。其中:R-代表风险值;L—代表发生损害的可能性;S—代表发生损害后果的严重程度。从偏差发生频率、安全检查、操作规程、员工胜任程度、控制措施五个方面对危害事件发生的可能性(L)进行评价取值,取五项得分的最高的分值作为其最终的 L 值.赋值偏差发生频率安全检查操作规程员工胜任程度(意识、技能、经验)控制措施(监控、联锁、报警、应急措施)5每次作业或每月发生无检查(作业)标准或不按标准检查(作业)无操作规程或从不执行操作规程不胜任(无上岗资格证、无任何培训、无操作技能)无任何监控措施或有措施从未投用;无应急措施。4每季度都有发生检查(作业)标准不全或很少按标准检查(作业)操作规程不全或很少执行操作规程不够胜任(有上岗资格证、但没有接受有效培训、操作技能差)有监控措施但不能满足控制要求,措施部分投用或有时投用;有应急措施但不完善或没演练.3每年都有发生发生变更后检查(作业)标准未及时修订或多数时候不按标准检查(作业)发生变更后未及时修订操作规程或多数操作不执行操作规程一般胜任(有上岗资格证、接受培训、但经验、技能不足,曾多次出错)监控措施能满足控制要求,但常常被停用或发生变更后不能及时恢复;有应急措施但未根据变更及时修订或作业人员不清楚。2每年都有发生或曾经发生过标准完善但间或不按标准检查、作业操作规程齐全但间或不执行胜任(有上岗资格证、接受有效培训、经验、技能较好,但间或出错)监控措施能满足控制要求,但供电、联锁间或失电或误动作;有应急措施但每年只演练一次。1从未发生过标准完善、按标准进行检查、作业操作规程齐全,严格执行并有记录高度胜任(有上岗资格证、接受有效培训、经验丰富,技能、安全意识强)监控措施能满足控制要求,供电、联锁从未失电或误动作;有应急措施每年至少演练二次。从人员伤亡情况、财产损失、法律法规符合性、环境破坏和对企业声誉损坏五个方面对后果的严重程度(S)进行评价取值,取五项得分最高的分值作为其最终的 S 值。等级人员损害情况财产损失、设备设施损坏法律法规符合性环境破坏声誉影响1一般无损伤一次事故直接经济损失在 5000 元以下完全符合基本无...

1、当您付费下载文档后,您只拥有了使用权限,并不意味着购买了版权,文档只能用于自身使用,不得用于其他商业用途(如 [转卖]进行直接盈利或[编辑后售卖]进行间接盈利)。
2、本站所有内容均由合作方或网友上传,本站不对文档的完整性、权威性及其观点立场正确性做任何保证或承诺!文档内容仅供研究参考,付费前请自行鉴别。
3、如文档内容存在违规,或者侵犯商业秘密、侵犯著作权等,请点击“违规举报”。

碎片内容

安全风险评价风险矩阵法、LEC法

确认删除?
VIP
微信客服
  • 扫码咨询
会员Q群
  • 会员专属群点击这里加入QQ群
客服邮箱
回到顶部