电脑桌面
添加小米粒文库到电脑桌面
安装后可以在桌面快捷访问

导、地线耐张液压管施工检查及评级记录表

导、地线耐张液压管施工检查及评级记录表_第1页
1/40
导、地线耐张液压管施工检查及评级记录表_第2页
2/40
导、地线耐张液压管施工检查及评级记录表_第3页
3/40
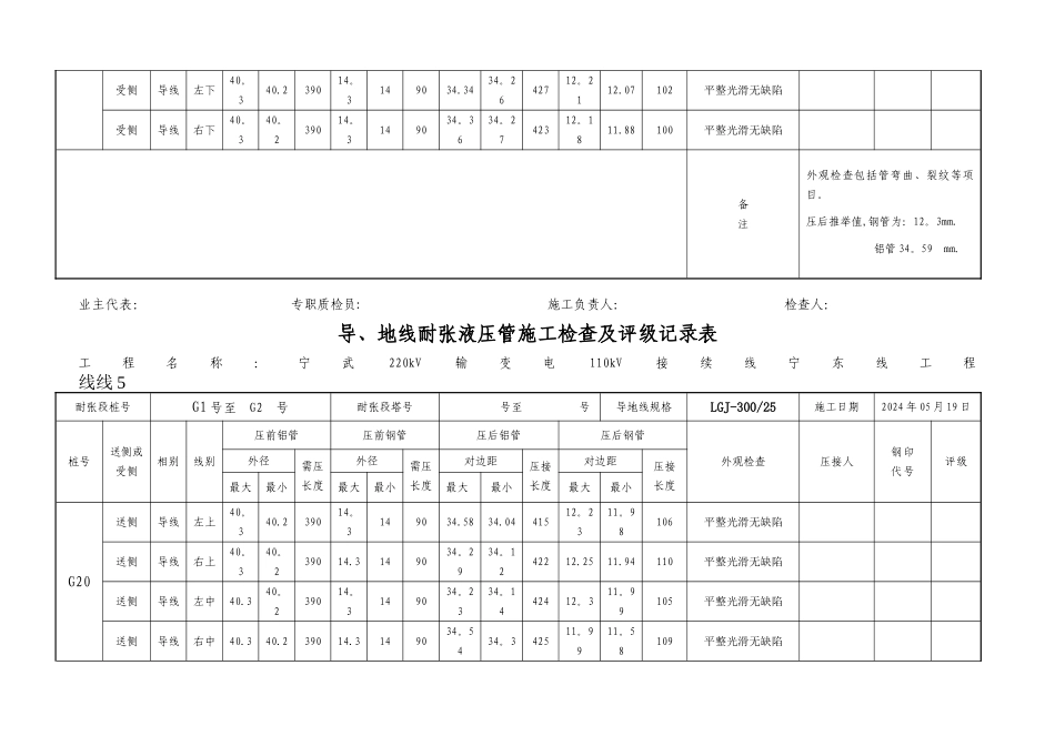
导、地线耐张液压管施工检查及评级记录表工程名称:宁武220kV输变电110kV接续线宁东线工程 线线 5耐张段桩号 龙门架 号至 G1 号耐张段塔号 号至 号导地线规格LGJ—300/25施工日期2024 年 05 月 20 日桩号送侧或受侧相别线别压前铝管压前钢管压后铝管压后钢管外观检查压接人钢印代号评级外径需压长度外径需压长度对边距压接长度对边距压接长度最大最小最大最小最大最小最大最小龙门架送侧导线左上40.340。239014。3149033。97 33。0442512。2312。01105平整光滑无缺陷送侧导线右上40。340。239014。3149034。3834。1842312.1511。94102平整光滑无缺陷送侧导线左中40.340。239014。3149034。2834.1242012。2011.99100平整光滑无缺陷送侧导线右中40.340。239014.3149034。3434。2842612.1912。08104平整光滑无缺陷送侧导线左下40。340。239014.3149034.3534.2842212。1212.05103平整光滑无缺陷送侧导线右下40.340。239014。3149034。3334。2242112.111.89105平整光滑无缺陷G1受侧导线左上40.340。239014.3149034。1534。2242512。1811。85100平整光滑无缺陷受侧导线右上40。340。239014.3149034。4334。1642212.212。08104平整光滑无缺陷受侧导线左中40。340.239014。3149033。9834。1142512。1912.09100平整光滑无缺陷受侧导线右中40。340.239014。3149034。3534.2942212。1811。84101平整光滑无缺陷受侧导线左下40。340.239014。3149034.3434。2642712。2112.07102平整光滑无缺陷受侧导线右下40。340。239014。3149034。3634。2742312。1811.88100平整光滑无缺陷备注外观检查包括管弯曲、裂纹等项目。压后推举值,钢管为:12。3mm. 铝管 34。59 mm.业主代表: 专职质检员: 施工负责人: 检查人:导、地线耐张液压管施工检查及评级记录表工程名称:宁武220kV输变电110kV接续线宁东线工程 线线 5耐张段桩号G1 号至 G2 号耐张段塔号 号至 号导地线规格LGJ-300/25施工日期2024 年 05 月 19 日桩号送侧或受侧相别线别压前铝管压前钢管压后铝管压后钢管外观检查压接人钢印代号评级外径需压长度外径需压长度对边距压接长度对边距压接长度最大最小最大最小最大最小最大最小G20送侧导线左上40。340.239014。3149034.5834.0441512。2311。98106平整光滑无缺陷送侧导线右上40。340。239014.3149034。2934。1242212.2511.94110平整光滑无缺陷送侧导线左中40.340。239014。3149034。2334。1442412。311。99105平整光滑无缺陷送侧...

1、当您付费下载文档后,您只拥有了使用权限,并不意味着购买了版权,文档只能用于自身使用,不得用于其他商业用途(如 [转卖]进行直接盈利或[编辑后售卖]进行间接盈利)。
2、本站所有内容均由合作方或网友上传,本站不对文档的完整性、权威性及其观点立场正确性做任何保证或承诺!文档内容仅供研究参考,付费前请自行鉴别。
3、如文档内容存在违规,或者侵犯商业秘密、侵犯著作权等,请点击“违规举报”。

碎片内容

导、地线耐张液压管施工检查及评级记录表

雏圣文化+ 关注
实名认证
内容提供者

欢迎光临,大量办公文档供您挑选。

确认删除?
VIP
微信客服
  • 扫码咨询
会员Q群
  • 会员专属群点击这里加入QQ群
客服邮箱
回到顶部