电脑桌面
添加小米粒文库到电脑桌面
安装后可以在桌面快捷访问

工程质量检查内容VIP专享

工程质量检查内容_第1页
1/13
工程质量检查内容_第2页
2/13
工程质量检查内容_第3页
3/13
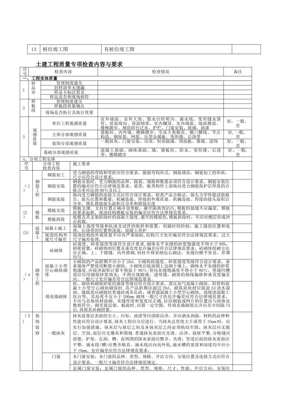
开展工程质量检查主要内容桩基工程质量专项检查内容与要求序号工序要求备注一、工程实体质量(一)打(压)桩1测量质量控制控制点桩位既要便于作业,又要便于保存,可利用小木桩、钢筋头作为定位标志物,桩位测量放线误差应控制在20mm 以内。2现场制桩质量 横断面边长±5mm;桩顶对角线差<10mm;桩尖中心线<10mm;桩身弯曲矢高<1/1000ι 用尺量检查;桩顶平整度<2mm,用水平尺检查。3打(压)桩过程中的桩身垂直度和打(压)入深度 压桩过程中检查压力、桩垂直度、接桩间歇时间、桩的连接质量及压入深度接桩时上下节平面偏差<10mm 尺量检查; 接桩节点弯曲矢高<1/1000ι 拉线和尺量检查。4焊接或硫磺胶泥接桩质量 胶泥浇注时间<2min;浇后停歇时间>7min,秒表检查。按钢桩电焊接桩焊缝检查。焊后停歇时间>1min,秒表测定.重要工程应对电焊接桩的接头做 10%的探伤检查;焊工必须经考试合格取得合格证书,且在认可范围内施焊。5开挖后桩位偏差及桩顶处理质量有相应措施(二)灌注桩1成孔和清孔的方法和质量;在灌注砼前,应进行清孔工作,要求孔壁、孔底必须清理洁净,孔底无浮渣,孔壁无松动。孔底沉渣厚度应符合端承桩≤50mm、摩擦端承桩和端承摩擦桩≤100mm、摩擦桩≤300mm2钢筋笼制作与吊放质量 主筋间距±10mm,尺量检查。长度±100mm,尺量检查。箍筋间距±20mm,尺量检查,直径±10mm,尺量检查。3水下混凝土浇灌方法和浮桩长度 有方案、交底、及检查记录4开挖后桩位偏差及破桩、锚固质量有相应措施(3)现场检查1施工单位(分包)的资质条件和焊工上岗证 检查施工单位(分包)的资质条件和焊工上岗证;2钢筋、水泥、砂石料等原材料的贮存条件 现场钢筋、水泥、砂石料等原材料的贮存条件3预制桩的现场制作及贮现场预制桩的现场制作及贮运条件运条件 4测量仪器、计量器具及成桩机械的定期鉴定情况 必须经相关检定部门的检验,合格后方可使用。5标准试块的养护条件 现场标准试块的养护条件6周边建筑物、构筑物及地下管线的防护措施.及时收集整理实验报场地和邻近区域的地下管线(管道、电缆)资料告。二、设计图纸及施工组织设计检查1桩基的施工组织设计或施工方案; 制定季节性(冬、雨季)施工的技术措施 施工前要完成施工组织设计(方案)等技术文件的编、审、批,并进行方案交底,每道工序施工前要进行技术交底,技术交底要有针对性.2桩基施工图及图纸会审纪要 图纸会审纪要三、质保资料检查1工程地质和必要的水位地质资...

1、当您付费下载文档后,您只拥有了使用权限,并不意味着购买了版权,文档只能用于自身使用,不得用于其他商业用途(如 [转卖]进行直接盈利或[编辑后售卖]进行间接盈利)。
2、本站所有内容均由合作方或网友上传,本站不对文档的完整性、权威性及其观点立场正确性做任何保证或承诺!文档内容仅供研究参考,付费前请自行鉴别。
3、如文档内容存在违规,或者侵犯商业秘密、侵犯著作权等,请点击“违规举报”。

碎片内容

工程质量检查内容

确认删除?
VIP
微信客服
  • 扫码咨询
会员Q群
  • 会员专属群点击这里加入QQ群
客服邮箱
回到顶部