电脑桌面
添加小米粒文库到电脑桌面
安装后可以在桌面快捷访问

施工机械设备表-机械、劳动力等附表

施工机械设备表-机械、劳动力等附表_第1页
1/10
施工机械设备表-机械、劳动力等附表_第2页
2/10
施工机械设备表-机械、劳动力等附表_第3页
3/10
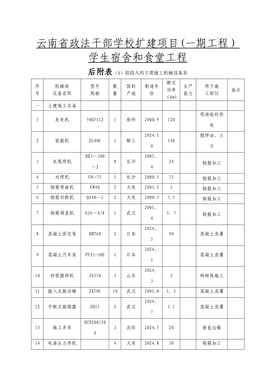
云南省政法干部学校扩建项目 ( 一期工程) 学生宿舍和食堂工程后附表(1)拟投入的主要施工机械设备表序号机械或设备名称型号规格数量国别产地制造年份额定功率(kw)生产能力用于施工部位备注一土建施工设备1发电机50GF1121徐州2000.9120现场临时供电2装载机ZL40C1柳工2024.10140搅拌站、土方3电弧焊机BX3—300—28长沙2001。424钢筋加工4对焊机UN1-751长沙2000.575钢筋加工5钢筋弯曲机GW402大连2001.23钢筋加工6钢筋切断机QJ40—12大连2000.55.5钢筋加工7钢筋调直机GJ6—4/81武汉2001。45。5钢筋加工8混凝土固定泵HBT602日本2024。590混凝土浇灌9混凝土汽车泵PY21-30E1日本2024。5混凝土浇灌10砂浆搅拌机JS3503山东2024。33砖砌体施工11插入式振动棒ZX50C10武汉2001.81。1混凝土浇灌12平板式振捣器ZB112武汉2024。71.1混凝土浇灌13施工井吊SCD200/2003沈阳2024.520垂直运输14电渣压力焊机4大连2024.830钢筋加工序号机械或设备名称型号规格数量国别产地制造年份额定功率(kw)生产能力用于施工部位备注15扬程40m水泵IS100—65-202武汉2001。322降水、排水16混凝土布料机HGY131大连2024.54.5混凝土浇灌17挖掘机WL—501日本2000.2土方开挖18自卸汽车256B13湖北2000。3土方运输19振动冲击夯HC705昆明2024.42.5`土方回填20自动配料机(带砂石贮料斗)1武汉2024。410混凝土搅拌21强制式砼搅拌机JW5502武汉2024.525混凝土搅拌22机动翻斗车JSB14湖北2024.6现场运输23切割机CGL302武汉2001。41.5钢筋加工24卷扬机2T2郑州2024。510垂直运输25载重汽车EQ140 2湖北2024。65t现场运输26万能木工圆锯MJ2253武汉2000。75模板加工27木工平面刨MB5032武汉2024。66模板加工二安装施工设备28汽车吊15t1上海2024.5垂直运输29剪板机Q11×9×2500A1常州2024。4水电安装30联合角咬口机1.5~4mm1南京2000。5水电安装31联合角弯头咬合机1。5~4mm1南京2001.6水电安装32单平咬口机1。5~1.2mm1南京2000.7水电安装33插条机1常州2024。水电安装序号机械或设备名称型号规格数量国别产地制造年份额定功率(kw)生产能力用于施工部位备注734折方机1.5~4mm1常州2024.2水电安装35砂轮切割机2武汉2000。8水电安装36沟通电焊机BX—3003武汉2001。7水电安装37沟通电焊机BX—5004武汉2000。3水电安装38直流电焊机AX—3002沈阳2024。7水电安装39气焊工具2大连2024.5水电安装40台式钻床EQ30251昆明2024。4水电安装41手动试压泵1烟台2001。6水电安装42电动试压泵4D-SY/352上海2001。8水电...

1、当您付费下载文档后,您只拥有了使用权限,并不意味着购买了版权,文档只能用于自身使用,不得用于其他商业用途(如 [转卖]进行直接盈利或[编辑后售卖]进行间接盈利)。
2、本站所有内容均由合作方或网友上传,本站不对文档的完整性、权威性及其观点立场正确性做任何保证或承诺!文档内容仅供研究参考,付费前请自行鉴别。
3、如文档内容存在违规,或者侵犯商业秘密、侵犯著作权等,请点击“违规举报”。

碎片内容

施工机械设备表-机械、劳动力等附表

元素商铺+ 关注
实名认证
内容提供者

欢迎挑选合适的文档

确认删除?
VIP
微信客服
  • 扫码咨询
会员Q群
  • 会员专属群点击这里加入QQ群
客服邮箱
回到顶部