电脑桌面
添加小米粒文库到电脑桌面
安装后可以在桌面快捷访问

施工电梯月检记录表

施工电梯月检记录表_第1页
1/2
施工电梯月检记录表_第2页
2/2
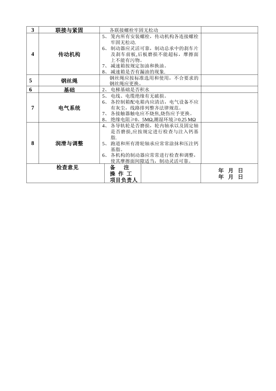
施工电梯月检记录表( )使用单位出厂编号工程项目规格型号地点检查人员序号检查项目检查标准检查情况1限速器及保险装置1、 限速器必须在标定期内,若有超期应予以检测,同时应有检测报告。2、 各限位(前门限位、后门限位、天窗限位、上限位、下限位、电源总极限开关应齐全有效灵敏可靠).2各钢结构1、 电梯标准节应无凹陷、裂缝。2、 电梯各结构应无变形、裂缝。3联接与紧固各联接螺栓牢固无松动4传动机构1、 笼内所有安装螺栓,传动机构各连接螺栓牢固无松动.2、 制动器应灵活可靠,制动总承中的刹车片及刹车前板,后板磨损不能超标,摩擦面上不能有污物。3、 减速箱按规定加油和换油。4、 减速箱是否有漏油的现象.5钢丝绳钢丝绳应按标准选用和使用,不合要求的钢丝绳应更换。6基础1、 电梯基础是否积水7电气系统1、 电线、电缆绝缘有无破损。2、 各控制箱配电箱内应清洁,电气设备不应有灰尘,线路排列整齐法律规范.3、 各接触器触电应不烧焦,烧伤应予更换。4、 绝缘电阻≥0。5MΩ,潮湿环境≥0。25 MΩ8润滑与调整1、 各导轨轮是否磨损,轮内轴承以及固定轴是否磨损,应按规定进行检查与注入钙基脂。2、 跑道和所有滑轮轴承应常常涂抹和压注钙基脂。3、 各机构的制动器应常常进行检查和调整,使其摩擦面间隙适当,制动灵活可靠.检查意见备 注操 作 工项目负责人 年 月 日 年 月 日施工电梯月检记录表( )使用单位出厂编号工程项目规格型号SCD200/200地点检查人员序号检查项目检查标准检查情况1限速器及保险装置3、 限速器必须在标定期内,若有超期应予以检测,同时应有检测报告.4、 各限位(前门限位、后门限位、天窗限位、上限位、下限位、电源总极限开关应齐全有效灵敏可靠)。2各钢结构3、 电梯标准节应无凹陷、裂缝。4、 电梯各结构应无变形、裂缝。3联接与紧固各联接螺栓牢固无松动4传动机构5、 笼内所有安装螺栓,传动机构各连接螺栓牢固无松动.6、 制动器应灵活可靠,制动总承中的刹车片及刹车前板,后板磨损不能超标,摩擦面上不能有污物。7、 减速箱按规定加油和换油。8、 减速箱是否有漏油的现象.5钢丝绳钢丝绳应按标准选用和使用,不合要求的钢丝绳应更换。6基础2、 电梯基础是否积水7电气系统5、 电线、电缆绝缘有无破损。6、 各控制箱配电箱内应清洁,电气设备不应有灰尘,线路排列整齐法律规范。7、 各接触器触电应不烧焦,烧伤应予更换。8、 绝缘电阻≥0。5MΩ,潮湿环境≥0.25 MΩ8润滑与调...

1、当您付费下载文档后,您只拥有了使用权限,并不意味着购买了版权,文档只能用于自身使用,不得用于其他商业用途(如 [转卖]进行直接盈利或[编辑后售卖]进行间接盈利)。
2、本站所有内容均由合作方或网友上传,本站不对文档的完整性、权威性及其观点立场正确性做任何保证或承诺!文档内容仅供研究参考,付费前请自行鉴别。
3、如文档内容存在违规,或者侵犯商业秘密、侵犯著作权等,请点击“违规举报”。

碎片内容

施工电梯月检记录表

您可能关注的文档

确认删除?
VIP
微信客服
  • 扫码咨询
会员Q群
  • 会员专属群点击这里加入QQ群
客服邮箱
回到顶部