电脑桌面
添加小米粒文库到电脑桌面
安装后可以在桌面快捷访问

无极绳牵引车安装使用安全技术措施

无极绳牵引车安装使用安全技术措施_第1页
1/8
无极绳牵引车安装使用安全技术措施_第2页
2/8
无极绳牵引车安装使用安全技术措施_第3页
3/8
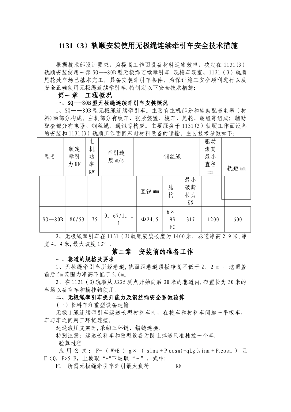
1131(3)轨顺安装使用无极绳连续牵引车安全技术措施根据技术部设计要求,为提高工作面设备材料运输效率,决定在 1131(3)轨顺安装使用一部 SQ—-80B 型无极绳连续牵引车.现梭车硐室、1131(3)轨顺尾轮处车场已基本完工,具备安装牵引车条件。为保证施工安全顺利进行以及安全正确使用无极绳连续牵引车.特制定以下安全技术措施:第一章 工程概况一、SQ—-80B 型无极绳连续牵引车安装概况1、SQ——80B 型无极绳连续牵引车。主要有主机部分和辅助配套电器(材料)两部分构成。主机部分有绞车、张紧装置、梭车、尾轮、轮组等组成;辅助配套部分有电器、钢丝绳、通讯等构成。主要服务于 1131(3)轨顺工作面设备的安装和 1131(3)轨顺工作面回采时材料设备的运输。主要技术参数如下:型号额定牵引力 KN电机功率KW牵引速度 m/s钢丝绳驱动滚筒最小直径mm轨距 mm直径 mm结构最小破断拉力KNSQ—80B80/53750。67/1。11Φ24.56×19S+FC31712006002、无极绳牵引车在 1131(3)轨顺安装长度为 1400 米,巷道净高 2.9 米,净宽 4。4 米,最大坡度 13°。第二章 安装前的准备工作一、巷道的规格及要求1、无极绳牵引车所经巷道,轨面距巷道顶板净高不低于 2。2 m ,圪顶盖前后 5m 范围内净高不低于 2.6m。2、在 1131(3)轨顺从 A225 测点开始向后 30 米的巷道内,布置长为 30 米的车场以备存车和摘挂钩使用。二、无极绳牵引车提升能力及钢丝绳安全系数验算(一)长料车和重型设备运输无极 1 绳连续牵引车运送长型材料车时,在梭车和材料车间加一平板车,车与车之间用三环链连接。运送液压支架时,采纳三环链、锚链连接.特别注意:运送长料车和重型设备为防止掉道只准挂拉一个车.验算过程:应 用 公 式 : F= ( W+E ) g× ( sina±P1cosa)+qLg(sina±P2cosa ) 且F〈Q,P>5 F,上坡取“+"下坡取“-”,式中:F1—所需无极绳牵引车牵引最大负荷 KNP—钢丝绳破断力 KNF —无极绳牵引车牵引力 KNW—支架重 端头架重 17.6 吨(支架型号为:ZTF—4800/18/29) E—特制支架车重 E=(1.1 吨+无极绳牵引车车重 1。5 吨)=2.6 吨a-轨道坡度 (a=amax)P1-矿车与轨道间的滚动摩擦系数,取 P1=0。015P2-绳与地的摩擦系数,取 P2=0。25 L—坡长(所用绳长) mq-钢丝绳的单位重量:24。5mm 钢丝绳:g=0.002165 吨/m ;g—重力加速度无极绳绞车:上坡,a=+13°,L=2800m,,钢丝绳为 Φ24.5mm。F1=(W+E)g×(sina±...

1、当您付费下载文档后,您只拥有了使用权限,并不意味着购买了版权,文档只能用于自身使用,不得用于其他商业用途(如 [转卖]进行直接盈利或[编辑后售卖]进行间接盈利)。
2、本站所有内容均由合作方或网友上传,本站不对文档的完整性、权威性及其观点立场正确性做任何保证或承诺!文档内容仅供研究参考,付费前请自行鉴别。
3、如文档内容存在违规,或者侵犯商业秘密、侵犯著作权等,请点击“违规举报”。

碎片内容

无极绳牵引车安装使用安全技术措施

雏圣文化+ 关注
实名认证
内容提供者

欢迎光临,大量办公文档供您挑选。

确认删除?
VIP
微信客服
  • 扫码咨询
会员Q群
  • 会员专属群点击这里加入QQ群
客服邮箱
回到顶部