电脑桌面
添加小米粒文库到电脑桌面
安装后可以在桌面快捷访问

景观台施工方案

景观台施工方案_第1页
1/12
景观台施工方案_第2页
2/12
景观台施工方案_第3页
3/12
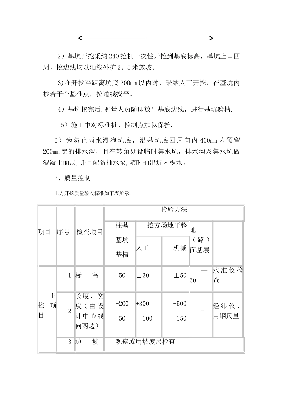
延安新区北区鲁艺生态公园建设项目四分区观景台一、二施工方案工程概况:观景台一、二分别位于四区东北和西南两侧最高造势的顶部,正负零(1097.4)以上高度 3 米,观景台一、二定位放线尺寸为长 12 米、宽 7 米。一、施工流程 施工放样、基础开挖、灰土基础、基础施工、基础回填、地面以上框架部分施工、龙骨施工、铺装及栏杆施工、相关附属工程施工、完工交验.每道工序施工前,请监理检测,符合要求后再进入下一道工序。二、基础工程 基底标高为-4.5m.其中为-0。45~—2m 为 1。55 米厚素土夯实,—2m~—4。5m 米为 2.5 米厚 3:7 灰土。3:7 灰土完成后,做观景台的混凝土基础施工,最后回填至框架梁板板底. 1、基坑开挖施工方案 1)、根据基础图纸上的定位坐标,用全站仪进行平面定位放样。先放好坡顶线、坡底线,经复测及验收合格后开始开挖。(平面定位放线图如下):4055893。314 4055881.314500423.963 500423.963 4055893。314 4055881.31 500416.963 500411。963 2)基坑开挖采纳 240 挖机一次性开挖到基底标高,基坑上口四周开挖边线均以轴线外扩 2。5 米放坡。 3)在开挖至距离坑底 200mm 以内时,采纳人工开挖,在基坑内抄若干个基准点,拉通线找平。 4)基坑挖完后,测量人员随即放出基底边线,进行基坑验槽. 5)施工中对标准桩、控制点加以保护.6)为防止雨水浸泡坑底,沿基坑底四周向内 400mm 内预留200mm 宽的排水沟,且在转角处设临时集水坑,排水沟及集水坑做混凝土面层,并且配备抽水泵,随时抽出坑内积水。2、质量控制土方开挖质量验收标准如下表所示:项目序号检查项目检验方法柱基基坑基槽挖方场地平整 地( 路 )面基层人工机械主控项目1 标 高-50±30±50—50水 准 仪 检查2长度、宽度 ( 由 设计中心线向两边)+200-50+300—100+500-150-经 纬 仪 、用钢尺量3 边 坡观察或用坡度尺检查一般项目1 表面平整度20205020用2m靠 尺 和 楔形尺检查2 基底土性观察或土样分析3、基坑开挖注意事项:1)土方开挖要探明地下管网,防止发生意外事故。2)在距离基坑边 0。6m 周围用 ф48 钢管设置防护栏杆,立杆间距 3m,高出自然地坪 1.20m,埋深 0。80m,在立杆的上、下端及中间位置各加一道水平杆,外面用密目网封闭。3)基坑上口边 1m 范围内不允许堆土、堆料和停放机具。4)在基坑上口 5m 范围内不许重车停留.各施工人员严禁翻跃防护栏杆.5)基坑外施工人员不得向坑内乱...

1、当您付费下载文档后,您只拥有了使用权限,并不意味着购买了版权,文档只能用于自身使用,不得用于其他商业用途(如 [转卖]进行直接盈利或[编辑后售卖]进行间接盈利)。
2、本站所有内容均由合作方或网友上传,本站不对文档的完整性、权威性及其观点立场正确性做任何保证或承诺!文档内容仅供研究参考,付费前请自行鉴别。
3、如文档内容存在违规,或者侵犯商业秘密、侵犯著作权等,请点击“违规举报”。

碎片内容

景观台施工方案

确认删除?
VIP
微信客服
  • 扫码咨询
会员Q群
  • 会员专属群点击这里加入QQ群
客服邮箱
回到顶部