电脑桌面
添加小米粒文库到电脑桌面
安装后可以在桌面快捷访问

智能花盆需求分析和项目计划书

智能花盆需求分析和项目计划书_第1页
1/3
智能花盆需求分析和项目计划书_第2页
2/3
智能花盆需求分析和项目计划书_第3页
3/3
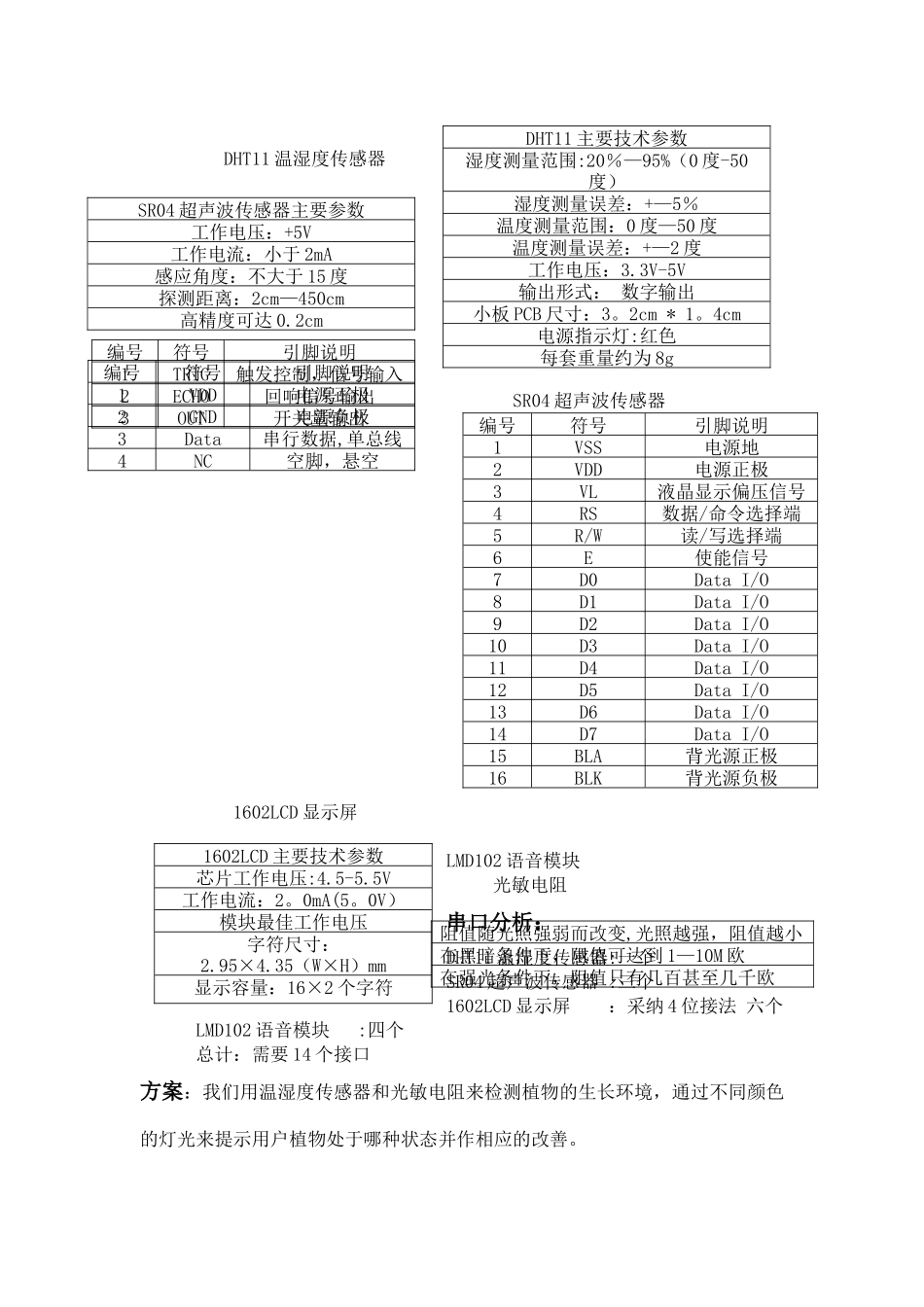
智能花盆需求分析和项目计划书组长:潘凡 组员:潘田恺 彭炜根一、智能花盆国内开发和应用现状 对于智能花盆,或许还是有一部分人对它比较陌生。我们的智能花盆在其底部装有水分及温度传感装置,在外部还有光照传感器。部分还带有语音模块,当植物处于不同环境是播放不同语音信息来提示用户该如何改善植物生长环境。这些传感装置能随时监测植物周围环境变化,在植物所处环境未达到其生长所需标准时,花盆外的指示灯就会闪耀,一旁的温度计和湿度计则会显示所需数值,让主人及时对其实施有效的照顾。智能花盆底层内的传感系统时刻监控植物所处环境的湿度和温度.当植物主人靠近花盆时,传感系统根据湿度和温度情况,推断植物是否舒适或者是否需要照料,然后通过语音芯片发出某种声音以表示植物的某种需要,发出的声音可能是一首歌甚至是几句话。还可通过 USB 端口,在电子显示屏上显示出这些植物的“表情”,以便主人了解植物的所需所想。譬如,我渴了,我热了,我喝得太饱了等等。比如当传感系统监测到植物的水分不够时,信号经过处理传递给语音芯片,这时智能花盆就开始唱歌,“我渴了、我渴了……”植物主人就能及时地给植物浇水 国内从事智能花盆行业的生产厂家鱼龙混杂,良莠不齐,产品质量参差不齐,影响了消费者对智能花盆产品的信任;而导致智能花盆产品良莠不齐的原因又是行业无标准,国家也未出台标准,造成消费者无法参照,市场十分混乱.智能制造市场正处于“黎明前的黑暗”二、项目设计方案及论证由此,我们小组决定针对智能花盆做以下项目,目的是为了方便人们的生活,实现方便,易管理等功能。器件如下:DHT11 温湿度传感器SR04 超声波传感器1602LCD 显示屏LMD102 语音模块 光敏电阻串口分析:DHT11 温湿度传感器:一个SR04 超声波传感器 :三个1602LCD 显示屏 :采纳 4 位接法 六个LMD102 语音模块 :四个总计:需要 14 个接口方案:我们用温湿度传感器和光敏电阻来检测植物的生长环境,通过不同颜色的灯光来提示用户植物处于哪种状态并作相应的改善。DHT11 主要技术参数湿度测量范围:20%—95%(0 度-50度)湿度测量误差:+—5%温度测量范围:0 度—50 度温度测量误差:+—2 度工作电压:3.3V-5V输出形式: 数字输出小板 PCB 尺寸:3。2cm * 1。4cm电源指示灯:红色每套重量约为 8g编号符号引脚说明1VDD电源正极2GND电源负极3Data串行数据,单总线4NC空脚,悬空SR04 超声波传感器主要参数工作电压:+5V工作电...

1、当您付费下载文档后,您只拥有了使用权限,并不意味着购买了版权,文档只能用于自身使用,不得用于其他商业用途(如 [转卖]进行直接盈利或[编辑后售卖]进行间接盈利)。
2、本站所有内容均由合作方或网友上传,本站不对文档的完整性、权威性及其观点立场正确性做任何保证或承诺!文档内容仅供研究参考,付费前请自行鉴别。
3、如文档内容存在违规,或者侵犯商业秘密、侵犯著作权等,请点击“违规举报”。

碎片内容

智能花盆需求分析和项目计划书

范哲铺+ 关注
实名认证
内容提供者

想你所想,急你所急,你需要的都在店铺里可以找到。

确认删除?
VIP
微信客服
  • 扫码咨询
会员Q群
  • 会员专属群点击这里加入QQ群
客服邮箱
回到顶部