电脑桌面
添加小米粒文库到电脑桌面
安装后可以在桌面快捷访问

机电运输专业最新煤矿安全生产标准化各专业评分表合集

机电运输专业最新煤矿安全生产标准化各专业评分表合集_第1页
1/16
机电运输专业最新煤矿安全生产标准化各专业评分表合集_第2页
2/16
机电运输专业最新煤矿安全生产标准化各专业评分表合集_第3页
3/16
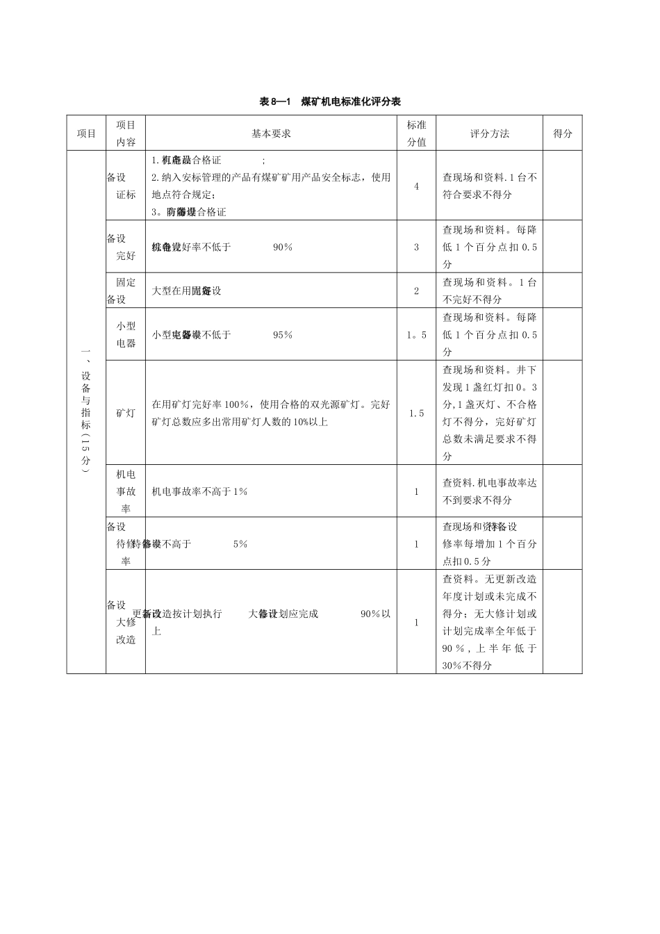
表 8—1 煤矿机电标准化评分表项目项目内容基本要求标准分值评分方法得分一、设备与指标( 1 5分)设备证标1.机电设备有产品合格证;2.纳入安标管理的产品有煤矿矿用产品安全标志,使用地点符合规定;3。防爆设备有防爆合格证4查现场和资料.1 台不符合要求不得分设备完好机电设备综合完好率不低于90%3查现场和资料。每降低 1 个百分点扣 0.5分固定设备大型在用固定设备完好2查现场和资料。1 台不完好不得分小型电器小型电器设备完好率不低于95%1。5查现场和资料。每降低 1 个百分点扣 0.5分矿灯在用矿灯完好率 100%,使用合格的双光源矿灯。完好矿灯总数应多出常用矿灯人数的 10%以上1.5查现场和资料。井下发现 1 盏红灯扣 0。3分,1 盏灭灯、不合格灯不得分,完好矿灯总数未满足要求不得分机电事故率机电事故率不高于 1%1查资料.机电事故率达不到要求不得分设备待修率设备待修率不高于5%1查现场和资料.设备待修率每增加 1 个百分点扣 0.5 分设备大修改造设备更新改造按计划执行,设备大修计划应完成90%以上1查资料。无更新改造年度计划或未完成不得分;无大修计划或计划完成率全年低于90 % , 上 半 年 低 于30%不得分项目项目内容基本要求标准分值评分方法得分二、煤矿机械(2 0分)主提升(立斜井绞车)系统1.提升系统能力满足矿井安全生产需要;2.各种安全保护装置符合《煤矿安全规程》规定;3。立井提升装置的过卷过放、提升容器和载荷等符合《煤矿安全规程》规定;4。提升装置、连接装置及提升钢丝绳符合《煤矿安全规程》规定;5。制动装置可靠,副井及负力提升的系统使用可靠的电气制动;6.立井井口及各水平阻车器、安全门、摇台等与提升信号闭锁;7。提升速度大于 3m/s 的立井提升系统内,安设有防撞梁和缓冲托罐装置;单绳缠绕式双滚筒绞车安设有地锁和离合器闭锁; 8.斜井提升制动减速度达不到要求时应设二级制动装置;9。提升系统通信、信号装置完善,主副井绞车房有能与矿调度室直通电话;10.上、下井口及各水平安设有摄像头,机房有视频监视器;11。机房安设有应急照明装置;12。使用低耗、先进、可靠的电控装置;13.主井提升宜采纳集中远程监控,可不配司机值守,但应设图像监视,并定时巡检5查现场和资料。第 1~9 项提人绞车 1 处不符合要求“煤矿机械”大项不得分,其他绞车不符合要求 1处扣 1 分,第 10、11项不符合要求 1 处扣0.5 分,其他项不符合要求 1 处扣 0.1 分主提升(带...

1、当您付费下载文档后,您只拥有了使用权限,并不意味着购买了版权,文档只能用于自身使用,不得用于其他商业用途(如 [转卖]进行直接盈利或[编辑后售卖]进行间接盈利)。
2、本站所有内容均由合作方或网友上传,本站不对文档的完整性、权威性及其观点立场正确性做任何保证或承诺!文档内容仅供研究参考,付费前请自行鉴别。
3、如文档内容存在违规,或者侵犯商业秘密、侵犯著作权等,请点击“违规举报”。

碎片内容

机电运输专业最新煤矿安全生产标准化各专业评分表合集

您可能关注的文档

确认删除?
VIP
微信客服
  • 扫码咨询
会员Q群
  • 会员专属群点击这里加入QQ群
客服邮箱
回到顶部